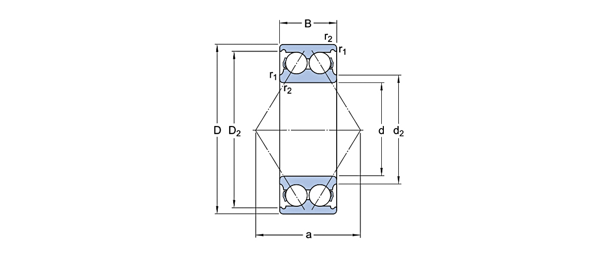
Double Row Angular Contact Ball Bearings (DRACBB)The design of the Double Row Angular Contact Ball Bearing (DRACBB) is fundamentally the same as two single row angular contact ball bearings, but it occupies significantly less axial space. The DRACBB can accommodate radial loads and axial loads acting in both directions. It is capable of restricting the bidirectional axial displacement of the shaft or housing. With a typical contact angle of 30°, it provides a highly rigid bearing arrangement and can withstand overturning moments.
Bearing Characteristics
·Compact Axial Space: Requires minimal axial space.
·Space-Saving Solution: Suitable for applications where axial space is constrained, often replacing two single row angular contact ball bearings mounted in a back-to-back arrangement.
·Combined Load Capacity: Accommodates radial loads and axial loads in both directions.
·Moment Load Capacity: Can withstand overturning moments.
·Rigid Bearing Arrangement: Provides high system stiffness.
Key Advantages
·High Rigidity and Load Capacity: Offers significantly higher rigidity compared to a single row angular contact ball bearing setup.
·Triple Load Capability: Capable of simultaneously accommodating radial loads, bidirectional axial loads, and overturning moments.
·Ideal for High Stiffness: Highly suitable for applications demanding high rigidity.
Fields of Application (Applications)
·Widely used in automotive front wheel hubs.
·Oil pumps, Roots blowers, air compressors.
·Various types of transmissions/gearboxes.
·Machine tool spindles.

| Basic dimensions | Basic load rating | Speed ratings | Mass | Model | ||||
| dynamic | static | Reference speed | Limiting speed | Bearing No. | ||||
| d [mm] | D [mm] | B [mm] | C [kN] | C0 [kN] | [r/min] | [r/min] | [kg] | |
| 10 | 30 | 14 | 6.849 | 3.87 | 23400 | 21600 | 0.051 | 3200 A-2ZTN9/MT33 Bearing |
| 10 | 30 | 14 | 6.849 | 3.87 | 23400 | 21600 | 0.051 | 3200 ATN9 Bearing |
| 10 | 30 | 14 | 6.849 | 3.87 | 15300 | 0.051 | 3200 A-2RS1TN9/MT33 Bearing | |
| 12 | 32 | 15.9 | 9.09 | 5.04 | 21600 | 19800 | 0.058 | 3201 A-2ZTN9/MT33 Bearing |
| 12 | 32 | 15.9 | 9.09 | 5.04 | 21600 | 19800 | 0.058 | 3201 ATN9 Bearing |
| 12 | 32 | 15.9 | 9.09 | 5.04 | 13500 | 0.058 | 3201 A-2RS1TN9/MT33 Bearing | |
| 15 | 35 | 15.9 | 10.08 | 6.12 | 19800 | 16200 | 0.066 | 3202 A-2ZTN9/MT33 Bearing |
| 15 | 35 | 15.9 | 10.08 | 6.12 | 19800 | 16200 | 0.066 | 3202 ATN9 Bearing |
| 15 | 35 | 15.9 | 10.08 | 6.12 | 12600 | 0.066 | 3202 A-2RS1TN9/MT33 Bearing | |
| 15 | 42 | 19 | 13.59 | 8.37 | 16200 | 14400 | 0.13 | 3302 A-2Z Bearing |
| 15 | 42 | 19 | 13.59 | 8.37 | 16200 | 14400 | 0.13 | 3302 A-2ZTN9/MT33 Bearing |
| 15 | 42 | 19 | 13.59 | 8.37 | 16200 | 14400 | 0.13 | 3302 ATN9 Bearing |
| 15 | 42 | 19 | 13.59 | 8.37 | 10800 | 0.13 | 3302 A-2RS1 Bearing | |
| 15 | 42 | 19 | 13.59 | 8.37 | 10800 | 0.13 | 3302 A-2RS1TN9/MT33 Bearing | |
| 17 | 40 | 17.5 | 12.87 | 7.92 | 17100 | 14400 | 0.096 | 3203 A-2ZTN9/MT33 Bearing |
| 17 | 40 | 17.5 | 12.87 | 7.92 | 17100 | 14400 | 0.096 | 3203 ATN9 Bearing |
| 17 | 40 | 17.5 | 12.87 | 7.92 | 10800 | 0.096 | 3203 A-2RS1TN9/MT33 Bearing | |
| 17 | 47 | 22.2 | 19.44 | 11.43 | 15300 | 12600 | 0.18 | 3303 A-2Z Bearing |
| 17 | 47 | 22.2 | 19.44 | 11.43 | 15300 | 12600 | 0.18 | 3303 A-2ZTN9/MT33 Bearing |
| 17 | 47 | 22.2 | 19.44 | 11.43 | 15300 | 12600 | 0.18 | 3303 ATN9 Bearing |
| 17 | 47 | 22.2 | 19.44 | 11.43 | 9900 | 0.18 | 3303 A-2RS1 Bearing | |
| 17 | 47 | 22.2 | 19.44 | 11.43 | 9900 | 0.18 | 3303 A-2RS1TN9/MT33 Bearing | |
| 20 | 47 | 20.6 | 18.36 | 11.61 | 14400 | 12600 | 0.16 | 3204 A Bearing |
| 20 | 47 | 20.6 | 18.36 | 11.61 | 14400 | 12600 | 0.16 | 3204 A-2Z Bearing |
| 20 | 47 | 20.6 | 18.36 | 11.61 | 14400 | 12600 | 0.16 | 3204 A-2ZTN9/MT33 Bearing |
| 20 | 47 | 20.6 | 18.36 | 11.61 | 14400 | 12600 | 0.16 | 3204 ATN9 Bearing |
| 20 | 47 | 20.6 | 18.36 | 11.61 | 9000 | 0.16 | 3204 A-2RS1 Bearing | |
| 20 | 47 | 20.6 | 18.36 | 11.61 | 9000 | 0.16 | 3204 A-2RS1TN9/MT33 Bearing | |
| 20 | 52 | 22.2 | 22.05 | 14.04 | 11700 | 11700 | 0.22 | 3304 A Bearing |
| 20 | 52 | 22.2 | 22.05 | 14.04 | 11700 | 11700 | 0.22 | 3304 A-2Z Bearing |
| Basic dimensions | Basic load rating | Speed ratings | Mass | Model | ||||
| dynamic | static | Reference speed | Limiting speed | Bearing No. | ||||
| d [mm] | D [mm] | B [mm] | C [kN] | C0 [kN] | [r/min] | [r/min] | [kg] | |
| 20 | 52 | 22.2 | 22.05 | 14.04 | 11700 | 11700 | 0.22 | 3304 A-2ZTN9/MT33 Bearing |
| 20 | 52 | 22.2 | 22.05 | 14.04 | 11700 | 11700 | 0.22 | 3304 ATN9 Bearing |
| 20 | 52 | 22.2 | 22.05 | 14.04 | 8100 | 0.22 | 3304 A-2RS1 Bearing | |
| 20 | 52 | 22.2 | 22.05 | 14.04 | 8100 | 0.22 | 3304 A-2RS1TN9/MT33 Bearing | |
| 25 | 52 | 20.6 | 19.8 | 13.77 | 10800 | 10800 | 0.18 | 3205 A Bearing |
| 25 | 52 | 20.6 | 19.8 | 13.77 | 10800 | 10800 | 0.18 | 3205 A-2Z Bearing |
| 25 | 52 | 20.6 | 19.8 | 13.77 | 10800 | 10800 | 0.18 | 3205 A-2ZTN9/MT33 Bearing |
| 25 | 52 | 20.6 | 19.8 | 13.77 | 7650 | 0.18 | 3205 A-2RS1 Bearing | |
| 25 | 52 | 20.6 | 19.8 | 13.77 | 7650 | 0.18 | 3205 A-2RS1TN9/MT33 Bearing | |
| 25 | 62 | 25.4 | 29.25 | 19.8 | 9900 | 9900 | 0.35 | 3305 A Bearing |
| 25 | 62 | 25.4 | 29.25 | 19.8 | 9900 | 9900 | 0.35 | 3305 A-2Z Bearing |
| 25 | 62 | 25.4 | 29.25 | 19.8 | 9900 | 9900 | 0.35 | 3305 A-2ZTN9/MT33 Bearing |
| 25 | 62 | 25.4 | 29.25 | 19.8 | 9900 | 9900 | 0.35 | 3305 ATN9 Bearing |
| 25 | 62 | 25.4 | 29.25 | 19.8 | 6750 | 0.35 | 3305 A-2RS1 Bearing | |
| 25 | 62 | 25.4 | 29.25 | 19.8 | 6750 | 0.35 | 3305 A-2RS1TN9/MT33 Bearing | |
| 30 | 62 | 23.8 | 27.45 | 19.8 | 9000 | 9000 | 0.29 | 3206 A Bearing |
| 30 | 62 | 23.8 | 27.45 | 19.8 | 9000 | 9000 | 0.29 | 3206 A-2Z Bearing |
| 30 | 62 | 23.8 | 27.45 | 19.8 | 9000 | 9000 | 0.29 | 3206 A-2ZTN9/MT33 Bearing |
| 30 | 62 | 23.8 | 27.45 | 19.8 | 9000 | 9000 | 0.29 | 3206 ATN9 Bearing |
| 30 | 62 | 23.8 | 27.45 | 19.8 | 6750 | 0.29 | 3206 A-2RS1 Bearing | |
| 30 | 62 | 23.8 | 27.45 | 19.8 | 6750 | 0.29 | 3206 A-2RS1TN9/MT33 Bearing | |
| 30 | 72 | 30.2 | 38.25 | 27 | 9000 | 8100 | 0.52 | 3306 A Bearing |
| 30 | 72 | 30.2 | 38.25 | 27 | 9000 | 8100 | 0.52 | 3306 A-2Z Bearing |
| 30 | 72 | 30.2 | 38.25 | 27 | 9000 | 8100 | 0.52 | 3306 A-2ZTN9/MT33 Bearing |
| 30 | 72 | 30.2 | 38.25 | 27 | 9000 | 8100 | 0.52 | 3306 ATN9 Bearing |
| 30 | 72 | 30.2 | 38.25 | 27 | 5670 | 0.52 | 3306 A-2RS1 Bearing | |
| 30 | 72 | 30.2 | 38.25 | 27 | 5670 | 0.52 | 3306 A-2RS1TN9/MT33 Bearing | |
| 35 | 72 | 27 | 36.45 | 27 | 8100 | 8100 | 0.44 | 3207 A Bearing |
| 35 | 72 | 27 | 36.45 | 27 | 8100 | 8100 | 0.44 | 3207 A-2Z Bearing |
| 35 | 72 | 27 | 36.45 | 27 | 8100 | 8100 | 0.44 | 3207 A-2ZTN9/MT33 Bearing |
| Basic dimensions | Basic load rating | Speed ratings | Mass | Model | ||||
| dynamic | static | Reference speed | Limiting speed | Bearing No. | ||||
| d [mm] | D [mm] | B [mm] | C [kN] | C0 [kN] | [r/min] | [r/min] | [kg] | |
| 35 | 72 | 27 | 36.45 | 27 | 8100 | 8100 | 0.44 | 3207 ATN9 Bearing |
| 35 | 72 | 27 | 36.45 | 27 | 5670 | 0.44 | 3207 A-2RS1 Bearing | |
| 35 | 72 | 27 | 36.45 | 27 | 5670 | 0.44 | 3207 A-2RS1TN9/MT33 Bearing | |
| 35 | 80 | 34.9 | 47.43 | 37.35 | 8100 | 7200 | 0.74 | 3307 DJ1 Bearing |
| 35 | 80 | 34.9 | 48.6 | 34.2 | 7650 | 7650 | 0.74 | 3307 A Bearing |
| 35 | 80 | 34.9 | 48.6 | 34.2 | 7650 | 7650 | 0.74 | 3307 A-2Z Bearing |
| 35 | 80 | 34.9 | 48.6 | 34.2 | 7650 | 7650 | 0.74 | 3307 A-2ZTN9/MT33 Bearing |
| 35 | 80 | 34.9 | 48.6 | 34.2 | 7650 | 7650 | 0.74 | 3307 ATN9 Bearing |
| 35 | 80 | 34.9 | 48.6 | 34.2 | 5400 | 0.74 | 3307 A-2RS1 Bearing | |
| 35 | 80 | 34.9 | 48.6 | 34.2 | 5400 | 0.74 | 3307 A-2RS1TN9/MT33 Bearing | |
| 40 | 80 | 30.2 | 43.2 | 32.85 | 8100 | 7200 | 0.57 | 3208 A Bearing |
| 40 | 80 | 30.2 | 43.2 | 32.85 | 8100 | 7200 | 0.57 | 3208 A-2Z Bearing |
| 40 | 80 | 30.2 | 43.2 | 32.85 | 8100 | 7200 | 0.57 | 3208 A-2ZTN9/MT33 Bearing |
| 40 | 80 | 30.2 | 43.2 | 32.85 | 8100 | 7200 | 0.57 | 3208 ATN9 Bearing |
| 40 | 80 | 30.2 | 43.2 | 32.85 | 5040 | 0.57 | 3208 A-2RS1 Bearing | |
| 40 | 80 | 30.2 | 43.2 | 32.85 | 5040 | 0.57 | 3208 A-2RS1TN9/MT33 Bearing | |
| 40 | 90 | 36.5 | 44.46 | 37.35 | 7200 | 6300 | 0.93 | 3308 DNRCBM Bearing |
| 40 | 90 | 36.5 | 58.95 | 43.2 | 6750 | 6750 | 0.93 | 3308 A Bearing |
| 40 | 90 | 36.5 | 58.95 | 43.2 | 6750 | 6750 | 0.93 | 3308 A-2Z Bearing |
| 40 | 90 | 36.5 | 58.95 | 43.2 | 6750 | 6750 | 0.93 | 3308 A-2ZTN9/MT33 Bearing |
| 40 | 90 | 36.5 | 58.95 | 43.2 | 6750 | 6750 | 0.93 | 3308 ATN9 Bearing |
| 40 | 90 | 36.5 | 58.95 | 43.2 | 4500 | 0.93 | 3308 A-2RS1 Bearing | |
| 40 | 90 | 36.5 | 58.95 | 43.2 | 4500 | 0.93 | 3308 A-2RS1TN9/MT33 Bearing | |
| 40 | 90 | 36.5 | 62.01 | 51.3 | 7200 | 6300 | 0.93 | 3308 DMA Bearing |
| 40 | 90 | 36.5 | 62.01 | 51.3 | 7200 | 6300 | 0.93 | 3308 DTN9 Bearing |
| 45 | 85 | 30.2 | 46.8 | 37.35 | 6750 | 6750 | 0.63 | 3209 A Bearing |
| 45 | 85 | 30.2 | 46.8 | 37.35 | 6750 | 6750 | 0.63 | 3209 A-2Z Bearing |
| 45 | 85 | 30.2 | 46.8 | 37.35 | 6750 | 6750 | 0.63 | 3209 A-2ZTN9/MT33 Bearing |
| 45 | 85 | 30.2 | 46.8 | 37.35 | 6750 | 6750 | 0.63 | 3209 ATN9 Bearing |
| 45 | 85 | 30.2 | 46.8 | 37.35 | 4770 | 0.63 | 3209 A-2RS1 Bearing | |
| Basic dimensions | Basic load rating | Speed ratings | Mass | Model | ||||
| dynamic | static | Reference speed | Limiting speed | Bearing No. | ||||
| d [mm] | D [mm] | B [mm] | C [kN] | C0 [kN] | [r/min] | [r/min] | [kg] | |
| 45 | 85 | 30.2 | 46.8 | 37.35 | 4770 | 0.63 | 3209 A-2RS1TN9/MT33 Bearing | |
| 45 | 100 | 39.7 | 55.62 | 46.8 | 6750 | 5670 | 1.25 | 3309 DNRCBM Bearing |
| 45 | 100 | 39.7 | 67.5 | 47.7 | 6750 | 6030 | 1.25 | 3309 A Bearing |
| 45 | 100 | 39.7 | 67.5 | 47.7 | 6750 | 6030 | 1.25 | 3309 A-2Z Bearing |
| 45 | 100 | 39.7 | 67.5 | 47.7 | 6750 | 6030 | 1.25 | 3309 ATN9 Bearing |
| 45 | 100 | 39.7 | 67.5 | 47.7 | 4320 | 1.25 | 3309 A-2RS1 Bearing | |
| 45 | 100 | 39.7 | 71.37 | 62.55 | 6750 | 5670 | 1.25 | 3309 DMA Bearing |
| 50 | 90 | 30.2 | 45.9 | 38.25 | 7200 | 6300 | 0.65 | 3210 A Bearing |
| 50 | 90 | 30.2 | 45.9 | 38.25 | 7200 | 6300 | 0.65 | 3210 A-2Z Bearing |
| 50 | 90 | 30.2 | 45.9 | 38.25 | 7200 | 6300 | 0.65 | 3210 A-2ZTN9/MT33 Bearing |
| 50 | 90 | 30.2 | 45.9 | 38.25 | 7200 | 6300 | 0.65 | 3210 ATN9 Bearing |
| 50 | 90 | 30.2 | 45.9 | 38.25 | 4320 | 0.65 | 3210 A-2RS1 Bearing | |
| 50 | 90 | 30.2 | 45.9 | 38.25 | 4320 | 0.65 | 3210 A-2RS1TN9/MT33 Bearing | |
| 50 | 110 | 44.4 | 73.71 | 62.55 | 6030 | 5040 | 1.95 | 3310 DNRCBM Bearing |
| 50 | 110 | 44.4 | 84.24 | 76.5 | 6030 | 5040 | 1.95 | 3310 DMA Bearing |
| 50 | 110 | 44.4 | 85.5 | 62.55 | 5400 | 5400 | 1.95 | 3310 A Bearing |
| 50 | 110 | 44.4 | 85.5 | 62.55 | 5400 | 5400 | 1.95 | 3310 A-2Z Bearing |
| 50 | 110 | 44.4 | 85.5 | 62.55 | 5400 | 5400 | 1.95 | 3310 ATN9 Bearing |
| 50 | 110 | 44.4 | 85.5 | 62.55 | 3870 | 1.95 | 3310 A-2RS1 Bearing | |
| 55 | 100 | 33.3 | 54.9 | 46.8 | 5670 | 5670 | 0.91 | 3211 A Bearing |
| 55 | 100 | 33.3 | 54.9 | 46.8 | 5670 | 5670 | 0.91 | 3211 A-2Z Bearing |
| 55 | 100 | 33.3 | 54.9 | 46.8 | 5670 | 5670 | 0.91 | 3211 ATN9 Bearing |
| 55 | 100 | 33.3 | 54.9 | 46.8 | 4050 | 0.91 | 3211 A-2RS1 Bearing | |
| 55 | 120 | 49.2 | 86.04 | 74.7 | 5400 | 4770 | 2.65 | 3311 DNRCBM Bearing |
| 55 | 120 | 49.2 | 99.9 | 90 | 5400 | 4500 | 2.65 | 3311 DMA Bearing |
| 55 | 120 | 49.2 | 100.8 | 73.35 | 5400 | 4770 | 2.65 | 3311 A Bearing |
| 55 | 120 | 49.2 | 100.8 | 73.35 | 5400 | 4770 | 2.65 | 3311 A-2Z Bearing |
| 55 | 120 | 49.2 | 100.8 | 73.35 | 5400 | 4770 | 2.65 | 3311 ATN9 Bearing |
| 55 | 120 | 49.2 | 100.8 | 73.35 | 3420 | 2.65 | 3311 A-2RS1 Bearing | |
| 60 | 110 | 36.5 | 67.5 | 57.6 | 5040 | 5040 | 1.2 | 3212 A Bearing |
| Basic dimensions | Basic load rating | Speed ratings | Mass | Model | ||||
| dynamic | static | Reference speed | Limiting speed | Bearing No. | ||||
| d [mm] | D [mm] | B [mm] | C [kN] | C0 [kN] | [r/min] | [r/min] | [kg] | |
| 60 | 110 | 36.5 | 67.5 | 57.6 | 5040 | 5040 | 1.2 | 3212 A-2Z Bearing |
| 60 | 110 | 36.5 | 67.5 | 57.6 | 5040 | 5040 | 1.2 | 3212 ATN9 Bearing |
| 60 | 110 | 36.5 | 67.5 | 57.6 | 3600 | 1.2 | 3212 A-2RS1 Bearing | |
| 60 | 110 | 36.5 | 67.5 | 57.6 | 3600 | 1.2 | 3212 A-2RS1TN9/MT33 Bearing | |
| 60 | 130 | 54 | 114.3 | 85.5 | 5040 | 4500 | 2.8 | 3312 A Bearing |
| 60 | 130 | 54 | 114.3 | 85.5 | 5040 | 4500 | 2.8 | 3312 A-2Z Bearing |
| 65 | 120 | 38.1 | 72.54 | 66.15 | 5040 | 4320 | 1.75 | 3213 A Bearing |
| 65 | 120 | 38.1 | 72.54 | 66.15 | 5040 | 4320 | 1.75 | 3213 A-2Z Bearing |
| 65 | 120 | 38.1 | 72.54 | 66.15 | 3240 | 1.75 | 3213 A-2RS1 Bearing | |
| 65 | 140 | 58.7 | 124.2 | 109.8 | 4770 | 4050 | 4.1 | 3313 DNRCBM Bearing |
| 65 | 140 | 58.7 | 131.4 | 99 | 4770 | 4050 | 4.1 | 3313 A Bearing |
| 65 | 140 | 58.7 | 131.4 | 99 | 4770 | 4050 | 4.1 | 3313 A-2Z Bearing |
| 70 | 125 | 39.7 | 79.56 | 72 | 5040 | 4050 | 1.9 | 3214 A Bearing |
| 70 | 125 | 39.7 | 79.56 | 72 | 5040 | 4050 | 1.9 | 3214 A-2Z Bearing |
| 70 | 150 | 63.5 | 146.7 | 112.5 | 4500 | 3870 | 5.05 | 3314 A Bearing |
| 70 | 150 | 63.5 | 146.7 | 112.5 | 4500 | 3870 | 5.05 | 3314 A-2Z Bearing |
| 75 | 130 | 41.3 | 86.04 | 79.2 | 4770 | 4050 | 2.1 | 3215 A Bearing |
| 75 | 130 | 41.3 | 86.04 | 79.2 | 4770 | 4050 | 2.1 | 3215 A-2Z Bearing |
| 75 | 160 | 68.3 | 158.4 | 126 | 4050 | 3600 | 5.6 | 3315 A Bearing |
| 75 | 160 | 68.3 | 158.4 | 126 | 4050 | 3600 | 5.6 | 3315 A-2Z Bearing |
| 80 | 140 | 44.4 | 95.4 | 85.5 | 4500 | 3870 | 2.65 | 3216 A Bearing |
| 80 | 170 | 68.3 | 173.7 | 140.4 | 3870 | 3420 | 6.8 | 3316 A Bearing |
| 85 | 150 | 49.2 | 111.6 | 99 | 4050 | 3420 | 3.4 | 3217 A Bearing |
| 85 | 180 | 73 | 187.2 | 158.4 | 3600 | 3240 | 8.3 | 3317 A Bearing |
| 90 | 160 | 52.4 | 117 | 108 | 3870 | 3240 | 4.15 | 3218 A Bearing |
| 90 | 190 | 73 | 187.2 | 162 | 3420 | 3060 | 9.25 | 3318 A Bearing |
| 95 | 170 | 55.6 | 143.1 | 131.4 | 3600 | 3060 | 5 | 3219 A Bearing |
| 95 | 200 | 77.8 | 216 | 194.4 | 3240 | 2880 | 11 | 3319 A Bearing |
| 100 | 180 | 60.3 | 160.2 | 149.4 | 3420 | 2880 | 6.1 | 3220 A Bearing |
| 100 | 215 | 82.6 | 229.5 | 229.5 | 3060 | 2520 | 13.5 | 3320 A Bearing |
| Basic dimensions | Basic load rating | Speed ratings | Mass | Model | ||||
| dynamic | static | Reference speed | Limiting speed | Bearing No. | ||||
| d [mm] | D [mm] | B [mm] | C [kN] | C0 [kN] | [r/min] | [r/min] | [kg] | |
| 110 | 200 | 69.8 | 190.8 | 190.8 | 3060 | 2520 | 8.8 | 3222 A Bearing |
| 110 | 240 | 92.1 | 261.9 | 274.5 | 2700 | 2340 | 19 | 3322 A Bearing |
| 120 | 190 | 66 | 163.8 | 208.8 | 3060 | 3240 | 7.08 | 305256 D Bearing |
| 150 | 225 | 73 | 163.8 | 238.5 | 1530 | 1800 | 5.52 | 305286 D Bearing |
| 150 | 230 | 70 | 182.7 | 256.5 | 2520 | 2700 | 10.6 | 305283 D Bearing |
| 150 | 230 | 70 | 182.7 | 256.5 | 2520 | 2700 | 10.6 | 305283 DA Bearing |
| 160 | 215 | 56 | 121.5 | 198 | 2520 | 2700 | 5.67 | 305608 Bearing |
| 160 | 215 | 56 | 121.5 | 198 | 2520 | 2700 | 5.45 | 305608 B Bearing |
| 160 | 240 | 76 | 210.6 | 301.5 | 2340 | 2520 | 11.4 | 305183 Bearing |
| 170 | 260 | 84 | 252.9 | 364.5 | 2160 | 2340 | 16.8 | 305180 Bearing |
| 180 | 250 | 70 | 171 | 256.5 | 2160 | 2340 | 9.67 | 305288 DA Bearing |
| 180 | 259.5 | 66 | 202.5 | 279 | 2160 | 2340 | 11 | 305262 D Bearing |
| 190 | 269.5 | 66 | 243 | 373.5 | 1980 | 2160 | 11 | 305338 D Bearing |
| 200 | 279.5 | 76 | 217.8 | 342 | 1710 | 2160 | 13.7 | 305428 D Bearing |
| 200 | 280 | 80 | 217.8 | 342 | 1980 | 2160 | 15.9 | 305393 Bearing |
| 200 | 289.5 | 76 | 271.8 | 427.5 | 1620 | 1980 | 16.4 | 305263 D Bearing |
| 200 | 289.5 | 76 | 271.8 | 427.5 | 1620 | 1980 | 16.4 | 305263 DA Bearing |
| 220 | 309.5 | 76 | 280.8 | 468 | 1800 | 1800 | 17.7 | 305272 D Bearing |
| 220 | 309.5 | 76 | 280.8 | 468 | 1800 | 1800 | 17.7 | 305272 DA Bearing |
| 220 | 309.5 | 76 | 280.8 | 468 | 1800 | 1800 | 17.7 | 305272 DB Bearing |
| 230 | 329.5 | 80 | 315.9 | 540 | 1710 | 1800 | 21.9 | 305264 D Bearing |
| 260 | 369.5 | 92 | 357.3 | 639 | 1530 | 1530 | 30 | 305270 D Bearing |
| 280 | 389.5 | 92 | 362.7 | 675 | 1440 | 1440 | 33.2 | 305269 D Bearing |
0+
years
Industry Experience
0+
Model diversity
0+
Number of Employees
0
$
Annual export value
As quadruped robots, especially those designed to mimic wolves, continue to gain traction in robotics and artificial intelligence, the importance of choosing the right bearings cannot be overstated. B...
Introduction In the ever-evolving field of healthcare, the role of medical equipment bearings is crucial. These small yet essential components ensure that complex medical devices function smoothly, of...
Introduction When selecting bearings for rotating machinery, the performance of the bearing plays a crucial role in the overall efficiency and reliability of the system. Among various bearing types, Y...
Introduction In the world of manufacturing, precision is key. Every step of the production process must be executed with utmost accuracy to ensure high-quality end products. One essential component th...