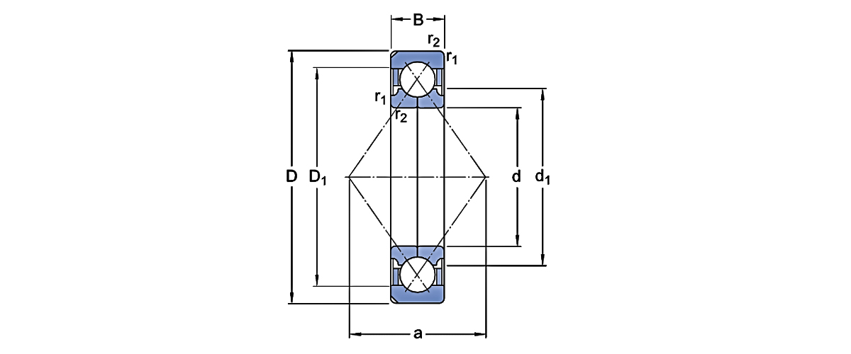
Four-point contact ball bearings are single row angular contact ball bearings that consist of a solid outer ring, a split inner ring, and a ball-and-cage assembly. The split inner ring allows for a large number of balls, providing these bearings with a high load-carrying capacity. Four-point contact bearings can be subjected to axial loads in two directions and can also accommodate limited radial forces. They require less axial space than double row bearings. The inner ring halves and the outer ring with the ball and cage assembly can be mounted separately.
Performance advantages:
·Supports radial and axial loads in both directions
·Can be used in gearboxes alongside bevel gears
·More compact than similar designs such as double-row angular contact ball bearings
·Inner and outer rings can be installed separately
·Custom designs available

| Designation | Bore diameter | Outside diameter | Width | Basic dynamic load rating | Limiting speed |
| [mm] | [mm] | [mm] | [kN] | [r/min] | |
| PER.BB203RRR2 | 16.256 | 40 | 18.288 | 14.4 | |
| PER.BB205RRP2-A | 16.03 | 52 | 17.983 | 21.3 | |
| QJ 1064 N2MA/C4 | 320 | 480 | 74 | 715 | 2000 |
| QJ 212 | 60 | 110 | 22 | 95.6 | 10000 |
| QJ 213 MA/C2L | 65 | 120 | 23 | 104 | 9500 |
| QJ 216 MA/C2L | 80 | 140 | 26 | 146 | 8000 |
| QJ 222 N2MA/C4B20 | 110 | 200 | 38 | 280 | 5600 |
| QJ 226 N2MA | 130 | 230 | 40 | 310 | 4800 |
| QJ 230 N2MA/C3 | 150 | 270 | 45 | 400 | 4000 |
| QJ 232 N2MA/C3 | 160 | 290 | 48 | 450 | 3800 |
| QJ 234 N2MA | 170 | 310 | 52 | 455 | 3400 |
| QJ 308 MA | 40 | 90 | 23 | 78 | 14000 |
| QJ 308 N2MA | 40 | 90 | 23 | 78 | 14000 |
| QJ 309 MA/C2L | 45 | 100 | 25 | 100 | 12000 |
| QJ 309 MA/C3 | 45 | 100 | 25 | 100 | 12000 |
| QJ 309 N2MA/C2L | 45 | 100 | 25 | 100 | 12000 |
| QJ 309 PHAS | 45 | 100 | 25 | 100 | 12000 |
| QJ 310 MA | 50 | 110 | 27 | 118 | 11000 |
| QJ 316 N2MA/C2L | 80 | 170 | 39 | 232 | 7000 |
| QJ 317 N2MA | 85 | 180 | 41 | 250 | 6700 |
| QJ 319 N2MA | 95 | 200 | 45 | 305 | 6000 |
| QJ 320 N2MA | 100 | 215 | 47 | 345 | 5600 |
| QJ 320 N2MA/C2L | 100 | 215 | 47 | 345 | 5600 |
| QJ 322 N2MA/C2L | 110 | 240 | 50 | 390 | 4800 |
| QJ 322 N2MA/C3 | 110 | 240 | 50 | 390 | 4800 |
| QJ 326 N2MA | 130 | 280 | 58 | 455 | 4000 |
| QJ 330 N2MA/HA3L4BC3 | 150 | 320 | 65 | 530 | 3600 |
| 305943 | 40 | 80 | 18 | 52.7 | 15000 |
| PER.BB204RRP3-A | 45.225 | ||||
| PER.BB204RRY3-D | 16.053 | 45.225 | 18.669 | 19.6 | |
| PER.BB205RPP13 | 16.129 | 53.086 | 19.43 | 26.2 | |
| PER.BB205RRP2 | 19.202 | 52 | 21.107 | 13.1 | |
| QJ 1017 N2MA/C4B20 | 85 | 130 | 22 | 99.5 | 8000 |
| QJ 1080 N2MA | 400 | 600 | 90 | 904 | 1500 |
| QJ 1252 MA/C3 | 260 | 480 | 90 | 741 | 2200 |
| QJ 203 N2MA | 17 | 40 | 12 | 17 | 30000 |
| QJ 205 N2MA/C2L | 25 | 52 | 15 | 27 | 22000 |
| QJ 206 MA | 30 | 62 | 16 | 37.5 | 19000 |
| QJ 210 MA/C2L | 50 | 90 | 20 | 65.5 | 13000 |
| QJ 211 MA/C3 | 55 | 100 | 21 | 85 | 11000 |
| QJ 211 N2MA/C4H | 55 | 100 | 21 | 85 | 11000 |
| QJ 214 N2MA/C3 | 70 | 125 | 24 | 120 | 9000 |
| QJ 214 N2MA/C4B20 | 70 | 125 | 24 | 120 | 9000 |
| QJ 215 MA | 75 | 130 | 25 | 125 | 8500 |
| QJ 216 MA | 80 | 140 | 26 | 146 | 8000 |
| QJ 216 N2MA/C4B20 | 80 | 140 | 26 | 146 | 8000 |
| QJ 217 MA | 85 | 150 | 28 | 156 | 7500 |
| QJ 218 N2MA/C3 | 90 | 160 | 30 | 186 | 7000 |
| QJ 305 MA/C2L | 25 | 62 | 17 | 42.5 | 20000 |
| QJ 306 MA | 30 | 72 | 19 | 53 | 17000 |
| QJ 307 LA/P63 | 35 | 80 | 21 | 59.2 | 15000 |
| QJ 311 N2MA/C3 | 55 | 120 | 29 | 137 | 10000 |
| QJ 312 PHAS | 60 | 130 | 31 | 156 | 9000 |
| QJ 315 N2MA/C2L | 75 | 160 | 37 | 216 | 7500 |
| QJ 318 N2MA | 90 | 190 | 43 | 285 | 6300 |
| QJ 322 N2MA | 110 | 240 | 50 | 390 | 4800 |
| QJ 324 N2MA | 120 | 260 | 55 | 415 | 4500 |
| QJ 324 N2MA/C3 | 120 | 260 | 55 | 415 | 4500 |
| QJ 328 N2MA | 140 | 300 | 62 | 500 | 3800 |
| QJ 328 N2MA/C3 | 140 | 300 | 62 | 500 | 3800 |
| QJ 336 N2MA | 180 | 380 | 75 | 680 | 3000 |
| QJ 344 N2/309829 | 220 | 460 | 88 | 904 | 2400 |
| 305943 | 40 | 80 | 18 | 52.7 | 15000 |
| PER.BB204RRP3-A | 45.225 | ||||
| PER.BB204RRY3-D | 16.053 | 45.225 | 18.669 | 19.6 | |
| PER.BB205RPP13 | 16.129 | 53.086 | 19.43 | 26.2 | |
| PER.BB205RRP2 | 19.202 | 52 | 21.107 | 13.1 | |
| QJ 1017 N2MA/C4B20 | 85 | 130 | 22 | 99.5 | 8000 |
| QJ 1080 N2MA | 400 | 600 | 90 | 904 | 1500 |
| QJ 1252 MA/C3 | 260 | 480 | 90 | 741 | 2200 |
| QJ 203 N2MA | 17 | 40 | 12 | 17 | 30000 |
| QJ 205 N2MA/C2L | 25 | 52 | 15 | 27 | 22000 |
| QJ 220 N2MA/C3 | 100 | 180 | 34 | 236 | 6300 |
| QJ 222 N2MA | 110 | 200 | 38 | 280 | 5600 |
| QJ 236 N2MA | 180 | 320 | 52 | 475 | 3400 |
| QJ 236 N2MA/C3 | 180 | 320 | 52 | 475 | 3400 |
| QJ 303 LA/P63 | 17 | 47 | 14 | 23.4 | 28000 |
| QJ 304 N2MA/C2L | 20 | 52 | 15 | 32 | 24000 |
| QJ 305 MA/C2L | 25 | 62 | 17 | 42.5 | 20000 |
| QJ 306 MA | 30 | 72 | 19 | 53 | 17000 |
| QJ 307 LA/P63 | 35 | 80 | 21 | 59.2 | 15000 |
| QJ 311 N2MA/C3 | 55 | 120 | 29 | 137 | 10000 |
| QJ 312 PHAS | 60 | 130 | 31 | 156 | 9000 |
| QJ 315 N2MA/C2L | 75 | 160 | 37 | 216 | 7500 |
| QJ 318 N2MA | 90 | 190 | 43 | 285 | 6300 |
| QJ 322 N2MA | 110 | 240 | 50 | 390 | 4800 |
| QJ 324 N2MA | 120 | 260 | 55 | 415 | 4500 |
| QJ 324 N2MA/C3 | 120 | 260 | 55 | 415 | 4500 |
| QJ 328 N2MA | 140 | 300 | 62 | 500 | 3800 |
| QJ 328 N2MA/C3 | 140 | 300 | 62 | 500 | 3800 |
| QJ 336 N2MA | 180 | 380 | 75 | 680 | 3000 |
| QJ 344 N2/309829 | 220 | 460 | 88 | 904 | 2400 |
| 305943 | 40 | 80 | 18 | 52.7 | 15000 |
| PER.BB204RRP3-A | 45.225 | ||||
| PER.BB204RRY3-D | 16.053 | 45.225 | 18.669 | 19.6 | |
| PER.BB205RPP13 | 16.129 | 53.086 | 19.43 | 26.2 | |
| PER.BB205RRP2 | 19.202 | 52 | 21.107 | 13.1 | |
| QJ 1017 N2MA/C4B20 | 85 | 130 | 22 | 99.5 | 8000 |
| QJ 1080 N2MA | 400 | 600 | 90 | 904 | 1500 |
| QJ 1252 MA/C3 | 260 | 480 | 90 | 741 | 2200 |
| QJ 203 N2MA | 17 | 40 | 12 | 17 | 30000 |
| QJ 205 N2MA/C2L | 25 | 52 | 15 | 27 | 22000 |
| QJ 206 MA | 30 | 62 | 16 | 37.5 | 19000 |
| QJ 210 MA/C2L | 50 | 90 | 20 | 65.5 | 13000 |
| QJ 211 MA/C3 | 55 | 100 | 21 | 85 | 11000 |
| QJ 211 N2MA/C4H | 55 | 100 | 21 | 85 | 11000 |
| QJ 214 N2MA/C3 | 70 | 125 | 24 | 120 | 9000 |
| QJ 214 N2MA/C4B20 | 70 | 125 | 24 | 120 | 9000 |
| QJ 215 MA | 75 | 130 | 25 | 125 | 8500 |
| QJ 216 MA | 80 | 140 | 26 | 146 | 8000 |
| QJ 216 N2MA/C4B20 | 80 | 140 | 26 | 146 | 8000 |
| QJ 217 MA | 85 | 150 | 28 | 156 | 7500 |
| QJ 218 N2MA/C3 | 90 | 160 | 30 | 186 | 7000 |
| QJ 219 N2MA | 95 | 170 | 32 | 212 | 6700 |
| QJ 220 N2MA | 100 | 180 | 34 | 236 | 6300 |
| QJ 226 N2MA/C3 | 130 | 230 | 40 | 310 | 4800 |
| QJ 228 N2MA | 140 | 250 | 42 | 345 | 4300 |
| QJ 230 N2MA/C4B20 | 150 | 270 | 45 | 400 | 4000 |
| QJ 240 N2MA | 200 | 360 | 58 | 540 | 3000 |
| QJ 240 N2MA/C3 | 200 | 360 | 58 | 540 | 3000 |
| QJ 311 N2MA/C3 | 55 | 120 | 29 | 137 | 10000 |
| QJ 312 PHAS | 60 | 130 | 31 | 156 | 9000 |
| QJ 315 N2MA/C2L | 75 | 160 | 37 | 216 | 7500 |
| QJ 318 N2MA | 90 | 190 | 43 | 285 | 6300 |
| QJ 322 N2MA | 110 | 240 | 50 | 390 | 4800 |
| QJ 324 N2MA | 120 | 260 | 55 | 415 | 4500 |
| QJ 324 N2MA/C3 | 120 | 260 | 55 | 415 | 4500 |
| QJ 328 N2MA | 140 | 300 | 62 | 500 | 3800 |
| QJ 328 N2MA/C3 | 140 | 300 | 62 | 500 | 3800 |
| QJ 336 N2MA | 180 | 380 | 75 | 680 | 3000 |
| QJ 344 N2/309829 | 220 | 460 | 88 | 904 | 2400 |
| PER.BB204RRP3 | 16.053 | 45.225 | 18.669 | 19.6 | |
| PER.WBB205RPP60-A | 16.129 | 53.086 | 19.43 | 21.3 | |
| PER.WBB205RPP62 | 14.5 | 53.086 | 29.15 | 21.3 | |
| QJ 1244 N2MA | 220 | 400 | 78 | 592 | 2600 |
| QJ 1248 MA/344524 | 240 | 440 | 85 | 663 | 2400 |
| QJ 1256 N2MA | 280 | 500 | 90 | 728 | 2000 |
| QJ 1260 N2MA | 300 | 540 | 98 | 832 | 1900 |
| QJ 203 N2MA/C2L | 17 | 40 | 12 | 17 | 30000 |
| QJ 206 N2MA/C2L | 30 | 62 | 16 | 37.5 | 19000 |
| QJ 207 MA/C2LS1 | 35 | 72 | 17 | 46.2 | 17000 |
| QJ 207 N2MA/C2L | 35 | 72 | 17 | 49 | 17000 |
| QJ 208 MA | 40 | 80 | 18 | 56 | 15000 |
| QJ 208 MA/C2L | 40 | 80 | 18 | 56 | 15000 |
| QJ 210 MA/C3 | 50 | 90 | 20 | 65.5 | 13000 |
| QJ 211 MA | 55 | 100 | 21 | 85 | 11000 |
| QJ 212 MA | 60 | 110 | 22 | 96.5 | 10000 |
| QJ 212 MA/C2L | 60 | 110 | 22 | 96.5 | 10000 |
| QJ 212 MA/C3 | 60 | 110 | 22 | 96.5 | 10000 |
| QJ 212 N2MA/C4B20 | 60 | 110 | 22 | 96.5 | 10000 |
| QJ 213 MA/C3 | 65 | 120 | 23 | 110 | 9500 |
| QJ 213 N2MA/C4 | 65 | 120 | 23 | 110 | 9500 |
| QJ 214 MA/C3 | 70 | 125 | 24 | 120 | 9000 |
| QJ 215 MA/C2L | 75 | 130 | 25 | 125 | 8500 |
| QJ 216 N2MA | 80 | 140 | 26 | 146 | 8000 |
| QJ 218 N2MA | 90 | 160 | 30 | 186 | 7000 |
| QJ 218 N2MA/C4B20 | 90 | 160 | 30 | 186 | 7000 |
| QJ 219 N2MA/C4B20 | 95 | 170 | 32 | 212 | 6700 |
| QJ 222 N2MA/C3 | 110 | 200 | 38 | 280 | 5600 |
| QJ 224 N2MA/C4B20 | 120 | 215 | 40 | 300 | 5000 |
| QJ 226 N2MA/C4B20 | 130 | 230 | 40 | 310 | 4800 |
| QJ 228 N2MA/C3 | 140 | 250 | 42 | 345 | 4300 |
| QJ 228 N2MA/C4B20 | 140 | 250 | 42 | 345 | 4300 |
| QJ 232 N2MA | 160 | 290 | 48 | 450 | 3800 |
| QJ 238 N2MA | 190 | 340 | 55 | 510 | 3200 |
| QJ 306 LA/P63 | 30 | 72 | 19 | 49.4 | 17000 |
| QJ 307 MA | 35 | 80 | 21 | 64 | 15000 |
| QJ 308 MA/C3 | 40 | 90 | 23 | 78 | 14000 |
| QJ 308 N2MA/C2L | 40 | 90 | 23 | 78 | 14000 |
| QJ 310 MA/C2L | 50 | 110 | 27 | 118 | 11000 |
| QJ 312 MA | 60 | 130 | 31 | 156 | 9000 |
| QJ 313 MA | 65 | 140 | 33 | 176 | 8500 |
| QJ 314 MA | 70 | 150 | 35 | 200 | 8000 |
| QJ 314 N2MA/C3 | 70 | 150 | 35 | 200 | 8000 |
| QJ 315 N2MA | 75 | 160 | 37 | 216 | 7500 |
| QJ 316 N2MA | 80 | 170 | 39 | 232 | 7000 |
| QJ 318 N2MA/C4B20 | 90 | 190 | 43 | 285 | 6300 |
| QJ 319 N2PHAS | 95 | 200 | 45 | 305 | 6000 |
| QJ 330 N2MA/C3 | 150 | 320 | 65 | 530 | 3600 |
| QJ 332 N2MA/L4BC3 | 160 | 340 | 68 | 570 | 3400 |
| QJ 334 N2MA | 170 | 360 | 72 | 655 | 3200 |
| QJ 336 N2MA/C3 | 180 | 380 | 75 | 680 | 3000 |
0+
years
Industry Experience
0+
Model diversity
0+
Number of Employees
0
$
Annual export value
As quadruped robots, especially those designed to mimic wolves, continue to gain traction in robotics and artificial intelligence, the importance of choosing the right bearings cannot be overstated. B...
Introduction In the ever-evolving field of healthcare, the role of medical equipment bearings is crucial. These small yet essential components ensure that complex medical devices function smoothly, of...
Introduction When selecting bearings for rotating machinery, the performance of the bearing plays a crucial role in the overall efficiency and reliability of the system. Among various bearing types, Y...
Introduction In the world of manufacturing, precision is key. Every step of the production process must be executed with utmost accuracy to ensure high-quality end products. One essential component th...