Manufactured using extrusion molding process; the rod end body is made of carbon steel with a galvanized surface.
The inner ring is made of bearing steel, hardened, and spherically hard chrome plated, offering excellent wear resistance and corrosion resistance.
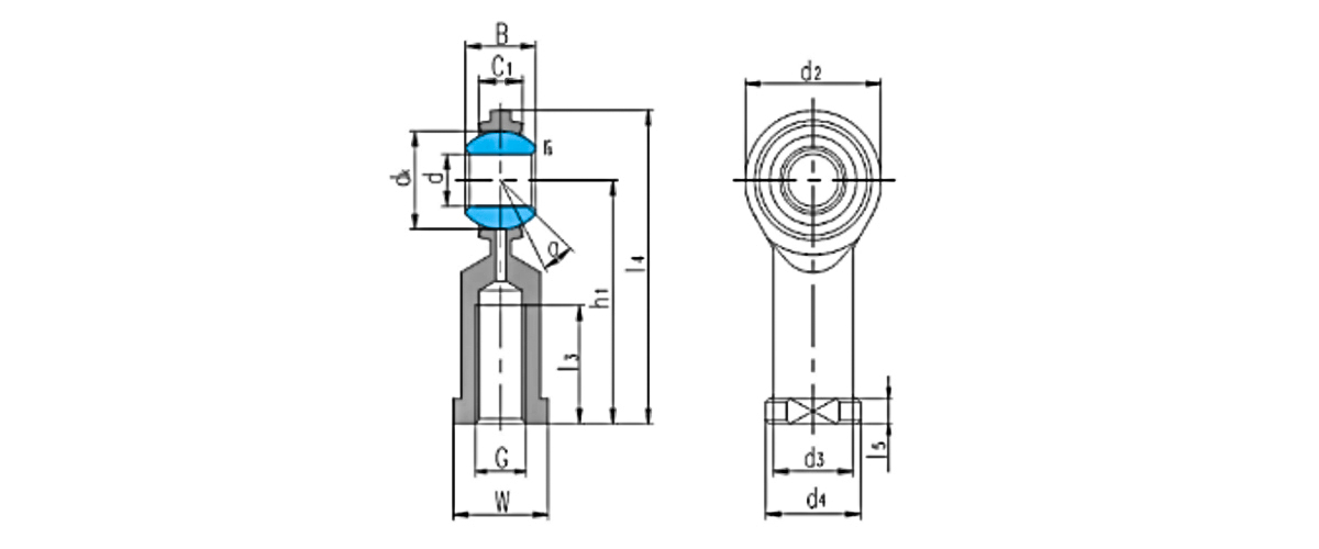
Product Number:SIZJ… 4.83~19.05
Sliding Friction Pair: Steel / Steel
Operating Temperature Range
50℃ ~ +150℃
Optional Configurations
·Rod end spherical plain bearings with different thread precision requirements are available.
·Rod end spherical plain bearings with sliding friction pairs of steel/PTFE composite material or steel/PTFE braided fabric are also available.
·The rod end body and inner ring can be made of stainless steel, indicated by adding "X" after the corresponding bearing model, e.g., SIZJ…/X.
Left-hand Thread Marking
·For left-hand threads, add "L" and "LH" to the bearing model and thread marking.
·Example: SILZJ12 1/2 20UNF 2B LH

| Bearing number |
Dimensions mm/inch |
Load ratings kN |
Weight ≈kg |
|||||||||||||||
| d | B | dₖ | C₁ max |
d₂ | G UNF-2B |
h₁ | I₃ min |
I₄ | I₅ | W | d₃ | d₄ | rₛ min |
α° ≈ |
Dynamic | Static | ||
| SIZJ4 | 4.83 | 7.92 | 11.1 | 5.94 | 15.88 | 10-32 | 26.97 | 12.70 | 34.93 | 4.75 | 7.92 | 7.54 | 10.31 | 0.3 | 10 | 3.6 | 6.8 | 0.018 |
| 0.19 | 0.312 | 0.437 | 0.234 | 0.625 | 1.062 | 0.5 | 1.375 | 0.187 | 0.312 | 0.297 | 0.406 | 0.012 | ||||||
| SIZJ6 | 6.35 | 9.53 | 12.7 | 6.35 | 19.05 | 1/4-28 | 33.32 | 15.88 | 42.85 | 4.75 | 9.53 | 9.15 | 11.91 | 0.3 | 13.5 | 5.4 | 9.6 | 0.023 |
| 0.25 | 0.375 | 0.5 | 0.25 | 0.75 | 1.312 | 0.625 | 1.687 | 0.187 | 0.375 | 0.36 | 0.469 | 0.012 | ||||||
| SIZJ7 | 7.94 | 11.10 | 15.88 | 7.92 | 22.23 | 5/16-24 | 34.93 | 15.88 | 46.02 | 4.75 | 11.1 | 10.72 | 12.70 | 0.3 | 11 | 8.5 | 12 | 0.036 |
| 0.3125 | 0.437 | 0.625 | 0.312 | 0.875 | 1.375 | 0.625 | 1.812 | 0.187 | 0.437 | 0.422 | 0.5 | 0.012 | ||||||
| SIZJ9 | 9.53 | 12.70 | 18.26 | 9.12 | 25.40 | 3/8-24 | 41.28 | 19.05 | 53.98 | 6.35 | 14.27 | 13.89 | 17.45 | 0.6 | 11 | 11 | 16 | 0.059 |
| 0.375 | 0.5 | 0.719 | 0.359 | 1 | 1.625 | 0.75 | 2.125 | 0.25 | 0.562 | 0.547 | 0.687 | 0.024 | ||||||
| SIZJ11 | 11.11 | 14.27 | 20.62 | 10.31 | 28.58 | 7/16-20 | 46.02 | 22.23 | 60.33 | 6.35 | 15.88 | 15.49 | 19.05 | 0.6 | 10.5 | 14 | 21 | 0.082 |
| 0.4375 | 0.562 | 0.812 | 0.406 | 1.125 | 1.812 | 0.875 | 2.375 | 0.25 | 0.625 | 0.61 | 0.75 | 0.024 | ||||||
| SIZJ12 | 12.7 | 15.88 | 23.81 | 11.50 | 33.32 | 1/2-20 | 53.98 | 25.40 | 70.64 | 6.35 | 19.05 | 18.67 | 22.23 | 0.6 | 10 | 18 | 28 | 0.132 |
| 0.5 | 0.625 | 0.937 | 0.453 | 1.312 | 2.125 | 1 | 2.781 | 0.25 | 0.75 | 0.735 | 0.875 | 0.024 | ||||||
| SIZJ15 | 15.88 | 19.05 | 28.58 | 12.29 | 38.10 | 5/8-18 | 63.50 | 31.75 | 82.55 | 7.92 | 22.23 | 21.84 | 25.40 | 0.6 | 13 | 23 | 29 | 0.195 |
| 0.625 | 0.75 | 1.125 | 0.484 | 1.5 | 2.5 | 1.25 | 3.25 | 0.312 | 0.875 | 0.86 | 1 | 0.024 | ||||||
| SIZJ19 | 19.05 | 22.23 | 33.32 | 15.06 | 44.45 | 3/4-16 | 73.03 | 34.93 | 95.25 | 7.92 | 25.4 | 25.02 | 28.58 | 0.6 | 12 | 34 | 44 | 0.295 |
| 0.75 | 0.875 | 1.312 | 0.593 | 1.75 | 2.875 | 1.375 | 3.75 | 0.312 | 1 | 0.985 | 1.125 | 0.024 | ||||||
0+
years
Industry Experience
0+
Model diversity
0+
Number of Employees
0
$
Annual export value
As quadruped robots, especially those designed to mimic wolves, continue to gain traction in robotics and artificial intelligence, the importance of choosing the right bearings cannot be overstated. B...
Introduction In the ever-evolving field of healthcare, the role of medical equipment bearings is crucial. These small yet essential components ensure that complex medical devices function smoothly, of...
Introduction When selecting bearings for rotating machinery, the performance of the bearing plays a crucial role in the overall efficiency and reliability of the system. Among various bearing types, Y...
Introduction In the world of manufacturing, precision is key. Every step of the production process must be executed with utmost accuracy to ensure high-quality end products. One essential component th...