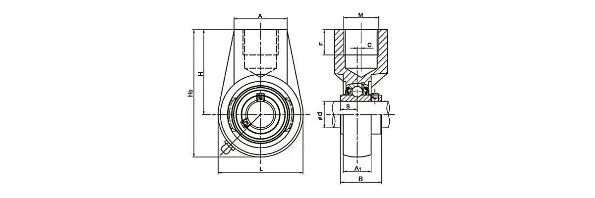
Hanger Bearing Units is one design of mounted ball bearing unit, UCHA2 is the suffix of this type bearing unit, the bearing unit have UC chrome steel pillow block bearings and HA housing with cast iron materials. Hanger Bearing Units is one design of mounted ball bearing unit, UCHA2 is the suffix of this type bearing unit, the bearing unit have UC chrome steel pillow block bearings and HA housing with cast iron materials.
The bearing UC Series insert bearing have the same internal structure with deep groove ball bearing, but the insert bearing have the spherical outer surface of the outer ring and the wider inner ring.

| Unit No. | Shaft Dia | Dimensions(mm) | Weight (kg) |
||||||||||
| d | L | Ho | H | A | M(in) | F | C | A1 | B | S | |||
| (in) | (mm) | ||||||||||||
| UCHA204 | 20 | 64 | 96 | 64 | 40 | G3/4 | 19 | 0 | 21 | 31 | 12.7 | 0.7 | |
| UCHA204-12 | 3/4 | 64 | 96 | 64 | 40 | G3/4 | 19 | 0 | 21 | 31 | 12.7 | 0.7 | |
| UCHA205 | 25 | 78 | 103 | 64 | 40 | G3/4 | 19 | 0 | 24 | 34.1 | 14.3 | 0.74 | |
| UCHA205-14 | 7/8 | 78 | 103 | 64 | 40 | G3/4 | 19 | 0 | 24 | 34.1 | 14.3 | 0.74 | |
| UCHA205-15 | 15/16 | 78 | 103 | 64 | 40 | G3/4 | 19 | 0 | 24 | 34.1 | 14.3 | 0.74 | |
| UCHA205-16 | 1/1 | 78 | 103 | 64 | 40 | G3/4 | 19 | 0 | 24 | 34.1 | 14.3 | 0.74 | |
| UCHA206 | 30 | 78 | 103 | 64 | 40 | G3/4 | 19 | 0 | 28 | 38.1 | 15.9 | 0.91 | |
| UCHA206-17 | 1/16 | 78 | 103 | 64 | 40 | G3/4 | 19 | 0 | 28 | 38.1 | 15.9 | 0.91 | |
| UCHA206-18 | 1/8 | 78 | 103 | 64 | 40 | G3/4 | 19 | 0 | 28 | 38.1 | 15.9 | 0.91 | |
| UCHA206-19 | 3/16 | 78 | 103 | 64 | 40 | G3/4 | 19 | 0 | 28 | 38.1 | 15.9 | 0.91 | |
| UCHA206-20 | 1/4 | 78 | 103 | 64 | 40 | G3/4 | 19 | 0 | 28 | 38.1 | 15.9 | 0.91 | |
| UCHA207 | 35 | 92 | 116 | 70 | 40 | G3/4 | 19 | 0 | 30 | 42.9 | 17.5 | 1.19 | |
| UCHA207-20 | 1/4 | 92 | 116 | 70 | 40 | G3/4 | 19 | 0 | 30 | 42.9 | 17.5 | 1.19 | |
| UCHA207-21 | 5/16 | 92 | 116 | 70 | 40 | G3/4 | 19 | 0 | 30 | 42.9 | 17.5 | 1.19 | |
| UCHA207-22 | 3/8 | 92 | 116 | 70 | 40 | G3/4 | 19 | 0 | 30 | 42.9 | 17.5 | 1.19 | |
| UCHA207-23 | 7/16 | 92 | 116 | 70 | 40 | G3/4 | 19 | 0 | 30 | 42.9 | 17.5 | 1.19 | |
| UCHA208 | 40 | 100 | 123 | 73 | 40 | G3/4 | 19 | 2 | 33 | 49.2 | 19 | 1.36 | |
| UCHA208-24 | 1/2 | 100 | 123 | 73 | 40 | G3/4 | 19 | 2 | 33 | 49.2 | 19 | 1.36 | |
| UCHA208-25 | 9/16 | 100 | 123 | 73 | 40 | G3/4 | 19 | 2 | 33 | 49.2 | 19 | 1.36 | |
| UCHA209 | 45 | 108 | 136 | 82 | 48 | G1 | 21 | 5 | 35 | 49.2 | 19 | 1.78 | |
| UCHA209-26 | 5/8 | 108 | 136 | 82 | 48 | G1 | 21 | 5 | 35 | 49.2 | 19 | 1.78 | |
| UCHA209-27 | 11/16 | 108 | 136 | 82 | 48 | G1 | 21 | 5 | 35 | 49.2 | 19 | 1.78 | |
| UCHA209-28 | 3/4 | 108 | 136 | 82 | 48 | G1 | 21 | 5 | 35 | 49.2 | 19 | 1.78 | |
| UCHA210 | 50 | 119 | 142 | 83 | 48 | G1 | 21 | 5 | 37 | 51.6 | 19 | 1.93 | |
| UCHA210-30 | 7/8 | 119 | 142 | 83 | 48 | G1 | 21 | 5 | 37 | 51.6 | 19 | 1.93 | |
| UCHA210-31 | 1-15/16 | 119 | 142 | 83 | 48 | G1 | 21 | 5 | 37 | 51.6 | 19 | 1.93 | |
| UCHA210-32 | 1/2 | 119 | 142 | 83 | 48 | G1 | 21 | 5 | 37 | 51.6 | 19 | 1.93 | |
| UCHA211 | 55 | 126 | 150 | 87 | 60 | G5/4 | 25 | 7 | 38 | 55.6 | 22.2 | 3.5 | |
| UCHA211-32 | 1/2 | 126 | 150 | 87 | 60 | G5/4 | 25 | 7 | 38 | 55.6 | 22.2 | 3.5 | |
| UCHA211-34 | 1/8 | 126 | 150 | 87 | 60 | G5/4 | 25 | 7 | 38 | 55.6 | 22.2 | 3.5 | |
| UCHA211-35 | 3/16 | 126 | 150 | 87 | 60 | G5/4 | 25 | 7 | 38 | 55.6 | 22.2 | 3.5 | |
| UCHA212 | 60 | 142 | 173 | 102 | 60 | G5/4 | 28 | 9 | 42 | 65.1 | 25.4 | 3.9 | |
| UCHA212-36 | 1/4 | 142 | 173 | 102 | 60 | G5/4 | 28 | 9 | 42 | 65.1 | 25.4 | 3.9 | |
| UCHA212-38 | 3/8 | 142 | 173 | 102 | 60 | G5/4 | 28 | 9 | 42 | 65.1 | 25.4 | 3.9 | |
| UCHA212-39 | 7/16 | 142 | 173 | 102 | 60 | G5/4 | 28 | 9 | 42 | 65.1 | 25.4 | 3.9 | |
| UCHA213 | 65 | 166 | 200 | 117 | 70 | G1-1/2 | 32 | 9.5 | 44 | 65.1 | 25.4 | ||
| UCHA213-40 | 1/2 | 166 | 200 | 117 | 70 | G1-1/2 | 32 | 9.5 | 44 | 65.1 | 25.4 | ||

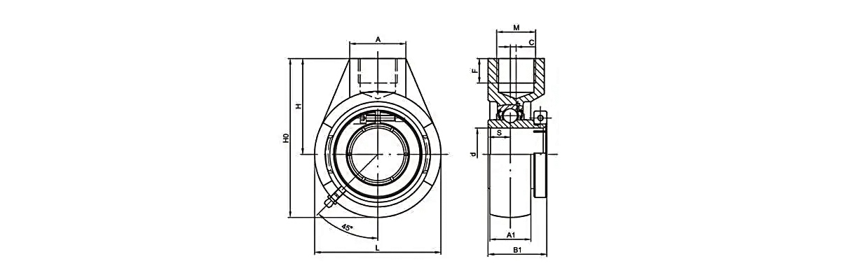
| Unit No. | Shaft Dia | Dimensions(mm) | Weight (kg) |
||||||||||
| d | L | Ho | H | A | M(in) | F | C | A1 | B | S | |||
| (in) | (mm) | ||||||||||||
| UEHA204 | 20 | 64 | 96 | 64 | 40 | G3/4 | 19 | 0 | 21 | 33 | 12.7 | 0.77 | |
| UEHA204-12 | 3/4 | 64 | 96 | 64 | 40 | G3/4 | 19 | 0 | 21 | 33 | 12.7 | 0.77 | |
| UEHA205 | 25 | 78 | 103 | 64 | 40 | G3/4 | 19 | 0 | 24 | 35.4 | 14.3 | 0.95 | |
| UEHA205-14 | 7/8 | 78 | 103 | 64 | 40 | G3/4 | 19 | 0 | 24 | 35.4 | 14.3 | 0.95 | |
| UEHA205-15 | 15/16 | 78 | 103 | 64 | 40 | G3/4 | 19 | 0 | 24 | 35.4 | 14.3 | 0.95 | |
| UEHA205-16 | 1/1 | 78 | 103 | 64 | 40 | G3/4 | 19 | 0 | 24 | 35.4 | 14.3 | 0.95 | |
| UEHA206 | 30 | 78 | 103 | 64 | 40 | G3/4 | 19 | 0 | 28 | 39.8 | 15.9 | 1.03 | |
| UEHA206-17 | 1/16 | 78 | 103 | 64 | 40 | G3/4 | 19 | 0 | 28 | 39.8 | 15.9 | 1.03 | |
| UEHA206-18 | 1/8 | 78 | 103 | 64 | 40 | G3/4 | 19 | 0 | 28 | 39.8 | 15.9 | 1.03 | |
| UEHA206-19 | 3/16 | 78 | 103 | 64 | 40 | G3/4 | 19 | 0 | 28 | 39.8 | 15.9 | 1.03 | |
| UEHA206-20 | 1/4 | 78 | 103 | 64 | 40 | G3/4 | 19 | 0 | 28 | 39.8 | 15.9 | 1.03 | |
| UEHA207 | 35 | 92 | 116 | 70 | 40 | G3/4 | 19 | 0 | 30 | 43.9 | 17.5 | 1.38 | |
| UEHA207-20 | 1/4 | 92 | 116 | 70 | 40 | G3/4 | 19 | 0 | 30 | 43.9 | 17.5 | 1.38 | |
| UEHA207-21 | 5/16 | 92 | 116 | 70 | 40 | G3/4 | 19 | 0 | 30 | 43.9 | 17.5 | 1.38 | |
| UEHA207-22 | 3/8 | 92 | 116 | 70 | 40 | G3/4 | 19 | 0 | 30 | 43.9 | 17.5 | 1.38 | |
| UEHA207-23 | 7/16 | 92 | 116 | 70 | 40 | G3/4 | 19 | 0 | 30 | 43.9 | 17.5 | 1.38 | |
| UEHA208 | 40 | 100 | 123 | 73 | 40 | G3/4 | 19 | 2 | 33 | 50.2 | 19 | 1.54 | |
| UEHA208-24 | 1/2 | 100 | 123 | 73 | 40 | G3/4 | 19 | 2 | 33 | 50.2 | 19 | 1.54 | |
| UEHA208-25 | 9/16 | 100 | 123 | 73 | 40 | G3/4 | 19 | 2 | 33 | 50.2 | 19 | 1.54 | |
| UEHA209 | 45 | 108 | 136 | 82 | 48 | G1 | 21 | 5 | 35 | 50.2 | 19 | 2.35 | |
| UEHA209-26 | 5/8 | 108 | 136 | 82 | 48 | G1 | 21 | 5 | 35 | 50.2 | 19 | 2.35 | |
| UEHA209-27 | 11/16 | 108 | 136 | 82 | 48 | G1 | 21 | 5 | 35 | 50.2 | 19 | 2.35 | |
| UEHA209-28 | 3/4 | 108 | 136 | 82 | 48 | G1 | 21 | 5 | 35 | 50.2 | 19 | 2.35 | |
| UEHA210 | 50 | 119 | 142 | 83 | 48 | G1 | 21 | 5 | 37 | 52.6 | 19 | 2.56 | |
| UEHA210-30 | 7/8 | 119 | 142 | 83 | 48 | G1 | 21 | 5 | 37 | 52.6 | 19 | 2.56 | |
| UEHA210-31 | 1-15/16 | 119 | 142 | 83 | 48 | G1 | 21 | 5 | 37 | 52.6 | 19 | 2.56 | |
| UEHA210-32 | 1/2 | 119 | 142 | 83 | 48 | G1 | 21 | 5 | 37 | 52.6 | 19 | 2.56 | |
| UEHA211 | 55 | 126 | 150 | 87 | 60 | G5/4 | 25 | 7 | 38 | 56.6 | 22.2 | 3.12 | |
| UEHA211-32 | 1/2 | 126 | 150 | 87 | 60 | G5/4 | 25 | 7 | 38 | 56.6 | 22.2 | 3.12 | |
| UEHA211-34 | 1/8 | 126 | 150 | 87 | 60 | G5/4 | 25 | 7 | 38 | 56.6 | 22.2 | 3.12 | |
| UEHA211-35 | 3/16 | 126 | 150 | 87 | 60 | G5/4 | 25 | 7 | 38 | 56.6 | 22.2 | 3.12 | |
| UEHA212 | 60 | 142 | 173 | 102 | 60 | G5/4 | 28 | 9 | 42 | 66.6 | 25.4 | 4.47 | |
| UEHA212-36 | 1/4 | 142 | 173 | 102 | 60 | G5/4 | 28 | 9 | 42 | 66.6 | 25.4 | 4.47 | |
| UEHA212-38 | 3/8 | 142 | 173 | 102 | 60 | G5/4 | 28 | 9 | 42 | 66.6 | 25.4 | 4.47 | |
| UEHA212-39 | 7/16 | 142 | 173 | 102 | 60 | G5/4 | 28 | 9 | 42 | 66.6 | 25.4 | 4.47 | |

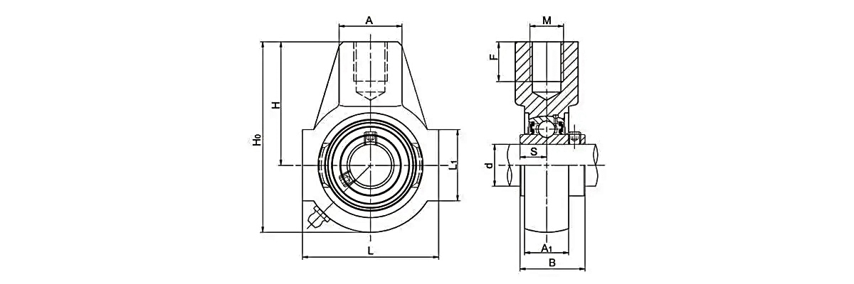
| Unit No. | Shaft Dia | Dimensions(mm) | Weight | ||||||||||
| d | L | Ho | H | A | M | F | L1 | A1 | B | S | (kg) | ||
| (in) | (mm) | ||||||||||||
| UCHE201 | 12 | 65 | 91 | 58 | 30 | M16 | 21 | 38 | 24 | 31 | 12.7 | 0.61 | |
| UCHE201-8 | 1/2 | 65 | 91 | 58 | 30 | M16 | 21 | 38 | 24 | 31 | 12.7 | 0.61 | |
| UCHE202 | 15 | 65 | 91 | 58 | 30 | M16 | 21 | 38 | 24 | 31 | 12.7 | 0.61 | |
| UCHE202-9 | 9/16 | 65 | 91 | 58 | 30 | M16 | 21 | 38 | 24 | 31 | 12.7 | 0.61 | |
| UCHE202-10 | 5/8 | 65 | 91 | 58 | 30 | M16 | 21 | 38 | 24 | 31 | 12.7 | 0.61 | |
| UCHE203 | 17 | 65 | 91 | 58 | 30 | M16 | 21 | 38 | 24 | 31 | 12.7 | 0.61 | |
| UCHE203-11 | 11/16 | 65 | 91 | 58 | 30 | M16 | 21 | 38 | 24 | 31 | 12.7 | 0.61 | |
| UCHE204 | 20 | 65 | 91 | 58 | 30 | M16 | 21 | 38 | 24 | 31 | 12.7 | 0.61 | |
| UCHE204-12 | 3/4 | 65 | 91 | 58 | 30 | M16 | 21 | 38 | 24 | 31 | 12.7 | 0.61 | |
| UCHE205 | 25 | 70 | 99 | 64 | 35 | M20 | 22 | 38 | 24 | 34.1 | 14.3 | 0.79 | |
| UCHE205-14 | 7/8 | 70 | 99 | 64 | 35 | M20 | 22 | 38 | 24 | 34.1 | 14.3 | 0.79 | |
| UCHE205-15 | 15/16 | 70 | 99 | 64 | 35 | M20 | 22 | 38 | 24 | 34.1 | 14.3 | 0.79 | |
| UCHE205-16 | 1/1 | 70 | 99 | 64 | 35 | M20 | 22 | 38 | 24 | 34.1 | 14.3 | 0.79 | |
| UCHE206 | 30 | 85 | 114 | 72 | 40 | M24 | 24 | 40 | 32 | 38.1 | 15.9 | 1.23 | |
| UCHE206-17 | 11/16 | 85 | 114 | 72 | 40 | M24 | 24 | 40 | 32 | 38.1 | 15.9 | 1.23 | |
| UCHE206-18 | 1/8 | 85 | 114 | 72 | 40 | M24 | 24 | 40 | 32 | 38.1 | 15.9 | 1.23 | |
| UCHE206-19 | 3/16 | 85 | 114 | 72 | 40 | M24 | 24 | 40 | 32 | 38.1 | 15.9 | 1.23 | |
| UCHE206-20 | 1/4 | 85 | 114 | 72 | 40 | M24 | 24 | 40 | 32 | 38.1 | 15.9 | 1.23 | |
| UCHE207 | 35 | 90 | 122 | 76 | 40 | M24 | 24 | 48 | 30 | 42.9 | 17.5 | 1.44 | |
| UCHE207-20 | 1/4 | 90 | 122 | 76 | 40 | M24 | 24 | 48 | 30 | 42.9 | 17.5 | 1.44 | |
| UCHE207-21 | 5/16 | 90 | 122 | 76 | 40 | M24 | 24 | 48 | 30 | 42.9 | 17.5 | 1.44 | |
| UCHE207-22 | 3/8 | 90 | 122 | 76 | 40 | M24 | 24 | 48 | 30 | 42.9 | 17.5 | 1.44 | |
| UCHE207-23 | 7/16 | 90 | 122 | 76 | 40 | M24 | 24 | 48 | 30 | 42.9 | 17.5 | 1.44 | |
| UCHE208 | 40 | 101 | 135 | 85 | 40 | M24 | 24 | 45 | 33 | 49.2 | 19 | 1.82 | |
| UCHE208-24 | 1/2 | 101 | 135 | 85 | 40 | M24 | 24 | 45 | 33 | 49.2 | 19 | 1.82 | |
| UCHE208-25 | 9/16 | 101 | 135 | 85 | 40 | M24 | 24 | 45 | 33 | 49.2 | 19 | 1.82 | |
| UCHE209 | 45 | 110 | 145 | 90 | 40 | M24 | 24 | 46 | 40 | 49.2 | 19 | 2.05 | |
| UCHE209-26 | 5/8 | 110 | 145 | 90 | 40 | M24 | 24 | 46 | 40 | 49.2 | 19 | 2.05 | |
| UCHE209-27 | 11/16 | 110 | 145 | 90 | 40 | M24 | 24 | 46 | 40 | 49.2 | 19 | 2.05 | |
| UCHE209-28 | 3/4 | 110 | 145 | 90 | 40 | M24 | 24 | 46 | 40 | 49.2 | 19 | 2.05 | |
| UCHE210 | 50 | 110 | 145 | 90 | 40 | M24 | 24 | 46 | 40 | 51.6 | 19 | 2.13 | |
| UCHE210-30 | 7/8 | 110 | 145 | 90 | 40 | M24 | 24 | 46 | 40 | 51.6 | 19 | 2.13 | |
| UCHE210-31 | 1-15/16 | 110 | 145 | 90 | 40 | M24 | 24 | 46 | 40 | 51.6 | 19 | 2.13 | |
| UCHE210-32 | 1/2 | 110 | 145 | 90 | 40 | M24 | 24 | 46 | 40 | 51.6 | 19 | 2.13 | |
0+
years
Industry Experience
0+
Model diversity
0+
Number of Employees
0
$
Annual export value
As quadruped robots, especially those designed to mimic wolves, continue to gain traction in robotics and artificial intelligence, the importance of choosing the right bearings cannot be overstated. B...
Introduction In the ever-evolving field of healthcare, the role of medical equipment bearings is crucial. These small yet essential components ensure that complex medical devices function smoothly, of...
Introduction When selecting bearings for rotating machinery, the performance of the bearing plays a crucial role in the overall efficiency and reliability of the system. Among various bearing types, Y...
Introduction In the world of manufacturing, precision is key. Every step of the production process must be executed with utmost accuracy to ensure high-quality end products. One essential component th...