Four-Row Tapered Roller Bearings: Heavy-Duty Applications
Four-row tapered roller bearings are a specialized design primarily used to accommodate extremely high radial loads and partial axial loads. They are commonly employed in heavy machinery such as rolling mills (e.g., four-high hot rolling mills, cold rolling mills) and blooming mills. Their design features rollers arranged on four tapered outer rings, resulting in high load capacity and extended service life. Furthermore, their clearance can be pre-adjusted by modifying the spacers (or shims) to suit various operational requirements.
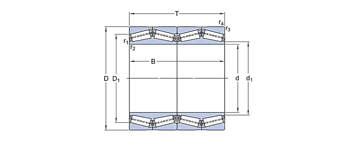
Structural Composition
·Open Type: Comprises three outer rings (cups), two inner rings (cones), four rows of rollers, two outer spacers, and one inner spacer.
·Sealed Type: Adds two sealing rings to the basic structure of the open type.
Key Features
·High Load-Carrying Capacity: The four-row roller arrangement is designed to withstand significantly greater radial loads compared to double-row bearings.
·Extended Service Life: Optimizing the surface finish of the roller and raceway contact surfaces promotes the formation of a hydrostatic/hydrodynamic lubricant film, which enhances wear resistance.
·Easy Installation: Typically designed with a loose fit for simplified installation and removal.
·Adjustable Clearance: The bearing's internal clearance is either pre-adjusted or can be set precisely through the use of adjusting spacers, which ensures rotational accuracy and prolongs service life.
·High Reliability: Optimized sealing designs effectively prevent external contamination while simultaneously reducing friction and heat generation.
Primary Applications
·Rolling Mills: Work rolls in four-high hot rolling mills and cold rolling mills, etc.
·Blooming Mills: Used in the steel industry for blooming and slabbing operations.
·Heavy Machinery: Such as mining equipment.

| Basic dimensions | Basic load rating | Speed ratings | Mass | Model | |||||
| Dynamic | Static | Reference speed | Limiting speed | Bearing No. | |||||
| d [mm] | D [mm] | B [mm] | T [mm] | C [kN] | C0 [kN] | [r/min] | [r/min] | [kg] | |
| 139.7 | 200.025 | 157.162 | 160.34 | 160.34 | 331138 AG Bearing | ||||
| 177.8 | 247.65 | 192.088 | 192.088 | 192.088 | 331480 G Bearing | ||||
| 177.8 | 247.65 | 192.088 | 192.088 | 192.088 | BT4-0010 G/HA1C400VA903 Bearing | ||||
| 198.438 | 284.162 | 225.425 | 225.425 | 225.425 | BT4-0027 AG/HA1 Bearing | ||||
| 206.375 | 282.575 | 190.5 | 190.5 | 190.5 | BT4-0013 G/HA1C400VA903 Bearing | ||||
| 206.375 | 282.575 | 190.5 | 190.5 | 190.5 | BT4-0021 G/HA1 Bearing | ||||
| 220 | 295 | 315 | 315 | 315 | BT4-0035 E8/C355 Bearing | ||||
| 220.662 | 314.325 | 239.712 | 239.712 | 239.712 | BT4-0040 E8/C355 Bearing | ||||
| 240 | 338 | 248 | 248 | 248 | BT4-0020/HA1 Bearing | ||||
| 241.478 | 349.148 | 228.6 | 228.6 | 228.6 | 330782 AG Bearing | ||||
| 244.475 | 327.025 | 193.675 | 193.675 | 193.675 | 330862 B Bearing | ||||
| 254 | 358.775 | 268.875 | 268.875 | 268.875 | BT4-0039 E8/C355 Bearing | ||||
| 266.7 | 355.6 | 230.188 | 228.6 | 228.6 | BT4-0014 G/HA1C400VA903 Bearing | ||||
| 266.7 | 355.6 | 230.188 | 228.6 | 228.6 | BT4B 328209 G/HA1C455 Bearing | ||||
| 269.875 | 381 | 282.575 | 282.575 | 282.575 | BT4B 331168 B Bearing | ||||
| 276.225 | 393.7 | 269.875 | 269.875 | 269.875 | BT4-0012 G/HA1C500VA901 Bearing | ||||
| 279.4 | 393.7 | 269.875 | 269.875 | 269.875 | BT4-0011 G/HA1C500VA901 Bearing | ||||
| 279.578 | 380.898 | 244.475 | 244.475 | 244.475 | 330540 AG Bearing | ||||
| 280 | 406.4 | 298.45 | 298.45 | 298.45 | BT4-0026 A/PEX Bearing | ||||
| 285.75 | 380.898 | 244.475 | 244.475 | 244.475 | 330337 AG Bearing | ||||
| 285.75 | 380.898 | 244.475 | 244.475 | 244.475 | BT4-0015 G/HA1C400VA903 Bearing | ||||
| 288.925 | 406.4 | 298.45 | 292.45 | 292.45 | BT4B 331452 G/HA1 Bearing | ||||
| 292.1 | 422.275 | 269.875 | 269.875 | 269.875 | BT4B 331968 BG/HA1 Bearing | ||||
| 304.648 | 438.048 | 280.99 | 279.4 | 279.4 | 331492 Bearing | ||||
| 304.8 | 501.65 | 336.55 | 336.55 | 336.55 | BT4B 328909 G/HA1VA901 Bearing | ||||
| 304.902 | 412.648 | 266.7 | 266.7 | 266.7 | 330758 BG Bearing | ||||
| 304.902 | 412.648 | 266.7 | 266.7 | 266.7 | BT4-0004 G/HA1 Bearing | ||||
| 310 | 430 | 310 | 310 | 310 | BT4-8093 G/HA1VA901 Bearing | ||||
| 317.5 | 422.275 | 269.875 | 269.875 | 269.875 | 330870 BG Bearing | ||||
| 317.5 | 447.675 | 327.025 | 327.025 | 327.025 | BT4B 331161 AG/HA4 Bearing | ||||
| Basic dimensions | Basic load rating | Speed ratings | Mass | Model | |||||
| dynamic | static | Reference speed | Limiting speed | Bearing No. | |||||
| d [mm] | D [mm] | B [mm] | T [mm] | C [kN] | C0 [kN] | [r/min] | [r/min] | [kg] | |
| 317.5 | 447.675 | 327.025 | 327.025 | 327.025 | BT4B 331161 BG/HA1 Bearing | ||||
| 317.5 | 422.275 | 269.875 | 269.875 | 269.875 | BT4B 334023 E1/C675 Bearing | ||||
| 330.2 | 444.5 | 301.625 | 301.625 | 301.625 | BT4B 332647 G/HA1 Bearing | ||||
| 330.302 | 438.023 | 247.65 | 254 | 254 | BT4-8113 E2/C500 Bearing | ||||
| 333.375 | 469.9 | 342.9 | 342.9 | 342.9 | 331381 Bearing | ||||
| 343.052 | 457.098 | 254 | 254 | 254 | BT4-8160 E8/C475 Bearing | ||||
| 343.052 | 457.098 | 254 | 254 | 254 | BT4-8160 E81/C400 Bearing | ||||
| 343.052 | 457.098 | 254 | 254 | 254 | BT4-8160 E81/C475 Bearing | ||||
| 343.052 | 457.098 | 254 | 254 | 254 | BT4B 328817 E1/C475 Bearing | ||||
| 343.052 | 457.098 | 254 | 254 | 254 | BT4B 328817 EX1/C475 Bearing | ||||
| 346.075 | 488.95 | 358.775 | 358.775 | 358.775 | BT4B 331228 G/HA1C200 Bearing | ||||
| 347.662 | 469.9 | 292.1 | 292.1 | 292.1 | 331092 A Bearing | ||||
| 347.662 | 469.9 | 292.1 | 292.1 | 292.1 | BT4-8070 G/HA1VA901 Bearing | ||||
| 355.6 | 488.95 | 317.5 | 317.5 | 317.5 | 331271 Bearing | ||||
| 355.6 | 482.6 | 265.113 | 269.875 | 269.875 | BT4-8162 E8/C480 Bearing | ||||
| 355.6 | 482.6 | 265.113 | 269.875 | 269.875 | BT4-8162 E81/C480 Bearing | ||||
| 355.6 | 482.6 | 265.113 | 269.875 | 269.875 | BT4B 328870 EX1/C300 Bearing | ||||
| 355.6 | 488.95 | 317.5 | 317.5 | 317.5 | BT4B 328912 E1/C300 Bearing | ||||
| 355.6 | 488.95 | 317.5 | 317.5 | 317.5 | BT4B 328912 E3/C675 Bearing | ||||
| 360 | 510 | 380 | 380 | 380 | 332059 Bearing | ||||
| 368.3 | 523.875 | 382.588 | 382.588 | 382.588 | 331159 A Bearing | ||||
| 380 | 560 | 390 | 360 | 360 | BT4-8033 G/HA1 Bearing | ||||
| 380 | 540 | 300 | 300 | 300 | BT4-8086 G/HA1 Bearing | ||||
| 384.175 | 546.1 | 400.05 | 400.05 | 400.05 | 331149 E/C675 Bearing | ||||
| 384.175 | 546.1 | 400.05 | 400.05 | 400.05 | BT4-8025 G/HA1C300VA903 Bearing | ||||
| 384.175 | 546.1 | 400.05 | 400.05 | 400.05 | BT4B 334128/HA1 Bearing | ||||
| 385.762 | 514.35 | 317.5 | 317.5 | 317.5 | BT4B 334042 E1/C575 Bearing | ||||
| 395 | 545 | 268 | 288.9 | 288.9 | BT4B 332824 E/C475 Bearing | ||||
| 395 | 545 | 268 | 288.9 | 288.9 | BT4B 332824/HA1 Bearing | ||||
| 400 | 600 | 308 | 308 | 308 | BT4-8147 G/HA1 Bearing | ||||
| Basic dimensions | Basic load rating | Speed ratings | Mass | Model | |||||
| dynamic | static | Reference speed | Limiting speed | Bearing No. | |||||
| d [mm] | D [mm] | B [mm] | T [mm] | C [kN] | C0 [kN] | [r/min] | [r/min] | [kg] | |
| 406.4 | 562 | 381 | 381 | 381 | BT4-8126 E1/C575 Bearing | ||||
| 406.4 | 546.1 | 288.925 | 288.925 | 288.925 | BT4-8161 E8/C500 Bearing | ||||
| 406.4 | 546.1 | 288.925 | 288.925 | 288.925 | BT4-8161 E81/C500 Bearing | ||||
| 406.4 | 546.1 | 288.925 | 288.925 | 288.925 | BT4B 328838 BG/HA1VA902 Bearing | ||||
| 406.4 | 565.15 | 381 | 381 | 381 | BT4B 331347 AG/HA1 Bearing | ||||
| 406.4 | 546.1 | 330 | 330 | 330 | BT4B 334093 BG/HA1VA902 Bearing | ||||
| 409.575 | 546.1 | 334.962 | 334.962 | 334.962 | BT4B 329004 G/HA1VA901 Bearing | ||||
| 409.575 | 546.151 | 334.962 | 334.962 | 334.962 | BT4B 331333 E/C350 Bearing | ||||
| 409.575 | 546.1 | 334.962 | 334.962 | 334.962 | BT4B 331333 E/C575 Bearing | ||||
| 431.8 | 571.5 | 400 | 400 | 400 | BT4-8067 G/HA1VA902 Bearing | ||||
| 431.8 | 571.5 | 336.55 | 336.55 | 336.55 | BT4B 331226 AG/HA1 Bearing | ||||
| 431.8 | 571.5 | 336.55 | 336.55 | 336.55 | BT4B 331226 BG/HA1 Bearing | ||||
| 431.8 | 571.5 | 336.55 | 336.55 | 336.55 | BT4B 331226/HA1 Bearing | ||||
| 431.8 | 635 | 440 | 355.6 | 355.6 | BT4B 334019 G/HA1 Bearing | ||||
| 440 | 650 | 353.5 | 353.5 | 353.5 | 332313 Bearing | ||||
| 440 | 580 | 360 | 360 | 360 | BT4-8124 E/C550 Bearing | ||||
| 440 | 650 | 353.5 | 353.5 | 353.5 | BT4B 328944 G/HA1VA901 Bearing | ||||
| 440 | 590 | 480 | 480 | 480 | BT4B 334055 ABG/HA1VA902 Bearing | ||||
| 447.675 | 635 | 463.55 | 463.55 | 463.55 | 330608 C Bearing | ||||
| 450 | 595 | 404 | 404 | 404 | BT4-8044 G/HA1VA902 Bearing | ||||
| 450 | 595 | 368 | 368 | 368 | BT4-8173 E8/C725 Bearing | ||||
| 450 | 595 | 368 | 368 | 368 | BT4-8173 E81/C725 Bearing | ||||
| 450 | 595 | 404 | 404 | 404 | BT4B 328365 EX/C725 Bearing | ||||
| 450 | 595 | 368 | 368 | 368 | BT4B 332773 E/C725 Bearing | ||||
| 457.2 | 596.9 | 276.225 | 279.4 | 279.4 | 331169 BG Bearing | ||||
| 457.2 | 596.9 | 276.225 | 279.4 | 279.4 | 331169 E/C500 Bearing | ||||
| 457.2 | 606 | 381 | 381 | 381 | BT4-8125 E1/C725 Bearing | ||||
| 457.2 | 596.9 | 276.225 | 279.4 | 279.4 | BT4B 328827 ABG/HA1VA902 Bearing | ||||
| 460 | 610 | 360 | 360 | 360 | BT4-8111 E2/C725 Bearing | ||||
| 460 | 610 | 360 | 360 | 360 | BT4B 331977 E/C725 Bearing | ||||
| Basic dimensions | Basic load rating | Speed ratings | Mass | Model | |||||
| dynamic | static | Reference speed | Limiting speed | Bearing No. | |||||
| d [mm] | D [mm] | B [mm] | T [mm] | C [kN] | C0 [kN] | [r/min] | [r/min] | [kg] | |
| 460 | 625 | 421 | 421 | 421 | BT4B 332502/HA1 Bearing | ||||
| 475 | 600 | 368 | 368 | 368 | BT4B 328913 BG/HA1C555 Bearing | ||||
| 479.425 | 679.45 | 495.3 | 495.3 | 495.3 | 330886 B Bearing | ||||
| 482.6 | 615.95 | 330.2 | 330.2 | 330.2 | 332096 E/C725 Bearing | ||||
| 482.6 | 615.95 | 330.2 | 330.2 | 330.2 | BT4-8163 E8/C725 Bearing | ||||
| 482.6 | 615.95 | 330.2 | 330.2 | 330.2 | BT4-8163 E81/C725 Bearing | ||||
| 482.6 | 615.95 | 330.2 | 330.2 | 330.2 | BT4-8163 E8A/C725 Bearing | ||||
| 482.6 | 615.95 | 330.2 | 330.2 | 330.2 | BT4B 328842 E1/C325 Bearing | ||||
| 482.6 | 647.7 | 417.512 | 417.512 | 417.512 | BT4B 331259 BG/HA1C325 Bearing | ||||
| 489.026 | 634.873 | 320.675 | 320.675 | 320.675 | 331090 E/C700 Bearing | ||||
| 490 | 625 | 385 | 385 | 385 | BT4-8135 E/C750 Bearing | ||||
| 500 | 670 | 400.05 | 387.35 | 387.35 | BT4-8056 G/HA1 Bearing | ||||
| 501.65 | 711.2 | 520.7 | 520.7 | 520.7 | 331081 A Bearing | ||||
| 510 | 655 | 377 | 379 | 379 | BT4-8167 E8/C775 Bearing | ||||
| 510 | 655 | 377 | 379 | 379 | BT4-8167 E81/C775 Bearing | ||||
| 520.7 | 736.6 | 400.05 | 400.05 | 400.05 | BT4B 331243 A/HA1 Bearing | ||||
| 530 | 680 | 440 | 440 | 440 | BT4-8043 G/HA1 Bearing | ||||
| 540 | 690 | 400 | 400 | 400 | 331978 BG Bearing | ||||
| 540 | 690 | 400 | 400 | 400 | BT4-8108 E/C625 Bearing | ||||
| 558.8 | 736.6 | 322.265 | 322.268 | 322.268 | 331165 A Bearing | ||||
| 558.8 | 736.6 | 322.265 | 322.268 | 322.268 | 331165 AG Bearing | ||||
| 558.8 | 736.6 | 455.612 | 457.2 | 457.2 | BT4-8022 G/HA1VA919 Bearing | ||||
| 558.8 | 736.6 | 409.575 | 409.575 | 409.575 | BT4B 330993 AG/HA1 Bearing | ||||
| 558.8 | 736.6 | 409.575 | 409.575 | 409.575 | BT4B 334080 G/HA1VA901 Bearing | ||||
| 560 | 700 | 405 | 405 | 405 | BT4-8153 E/C775 Bearing | ||||
| 560 | 920 | 618 | 618 | 618 | BT4B 328509/HA4 Bearing | ||||
| 571.5 | 812.8 | 593.725 | 593.725 | 593.725 | BT4B 332666/HA1 Bearing | ||||
| 584.2 | 762 | 396.875 | 401.638 | 401.638 | 331148 A Bearing | ||||
| 584.2 | 730.25 | 342.9 | 349.25 | 349.25 | BT4B 331189 E/C600 Bearing | ||||
| 585.788 | 771.525 | 479.425 | 479.425 | 479.425 | BT4B 328888 BG/HA1VA901 Bearing | ||||
| Basic dimensions | Basic load rating | Speed ratings | Mass | Model | |||||
| dynamic | static | Reference speed | Limiting speed | Bearing No. | |||||
| d [mm] | D [mm] | B [mm] | T [mm] | C [kN] | C0 [kN] | [r/min] | [r/min] | [kg] | |
| 585.788 | 771.525 | 479.425 | 479.425 | 479.425 | BT4B 331093 BG/HA1 Bearing | ||||
| 595.312 | 844.55 | 615.95 | 615.95 | 615.95 | BT4B 331300 E/C775 Bearing | ||||
| 603.25 | 857.25 | 622.3 | 622.3 | 622.3 | 331625 Bearing | ||||
| 603.25 | 857.25 | 622.3 | 622.3 | 622.3 | BT4B 331625 E/C800 Bearing | ||||
| 609.6 | 787.4 | 361.95 | 361.95 | 361.95 | 331175 A Bearing | ||||
| 609.6 | 787.4 | 361.95 | 361.95 | 361.95 | 331175 BG/C355 Bearing | ||||
| 609.6 | 813.562 | 479.425 | 479.425 | 479.425 | 331925 Bearing | ||||
| 609.6 | 787.4 | 361.95 | 361.95 | 361.95 | BT4B 328871 G/HA1VA901 Bearing | ||||
| 620 | 800 | 363.5 | 363.5 | 363.5 | BT4B 328510/HA1 Bearing | ||||
| 625 | 815 | 480 | 480 | 480 | BT4-8031 E/C800 Bearing | ||||
| 625 | 815 | 600 | 600 | 600 | BT4-8137 G/HA1 Bearing | ||||
| 650 | 1030 | 560 | 560 | 560 | BT4B 332827 AG/HA1 Bearing | ||||
| 660 | 1070 | 648.002 | 648.002 | 648.002 | BT4B 332833 G/HA4 Bearing | ||||
| 660.4 | 812.8 | 365.125 | 365.125 | 365.125 | 331190 Bearing | ||||
| 660.4 | 812.8 | 365.125 | 365.125 | 365.125 | BT4B 331190 BG/HA1 Bearing | ||||
| 676 | 910 | 620 | 620 | 620 | BT4B 332906/HA4 Bearing | ||||
| 679.45 | 901.7 | 552.45 | 552.45 | 552.45 | BT4B 334015 BG/HA1VA901 Bearing | ||||
| 679.45 | 901.7 | 635 | 542.45 | 542.45 | BT4B 334016 AG/HA1VA901 Bearing | ||||
| 680 | 930 | 700 | 700 | 700 | BT4B 328349/HA1 Bearing | ||||
| 685.8 | 876.3 | 352.425 | 355.6 | 355.6 | BT4B 328955 ABG/HA1VA902 Bearing | ||||
| 685.8 | 876 | 352.425 | 355.6 | 355.6 | BT4B 331089 CG/HA1 Bearing | ||||
| 708.025 | 930.275 | 565.15 | 565.15 | 565.15 | BT4-8109 E1/C800 Bearing | ||||
| 708.025 | 930.275 | 565.15 | 565.15 | 565.15 | BT4B 332098 A/HA4 Bearing | ||||
| 710 | 900 | 410 | 410 | 410 | 331351 Bearing | ||||
| 710 | 900 | 410 | 410 | 410 | BT4B 331351 BG/HA1 Bearing | ||||
| 710 | 900 | 410 | 410 | 410 | BT4B 331351 E/C775 Bearing | ||||
| 711.2 | 914.4 | 390 | 390 | 390 | BT4-8139 G/HA1 Bearing | ||||
| 717.55 | 946.15 | 565.15 | 565.15 | 565.15 | 332244 Bearing | ||||
| 717.55 | 946.15 | 565.15 | 565.15 | 565.15 | BT4-8069 G/HA1VA901 Bearing | ||||
| 730.25 | 1035.05 | 755.65 | 755.65 | 755.65 | 330803 A Bearing | ||||
| Basic dimensions | Basic load rating | Speed ratings | Mass | Model | |||||
| dynamic | static | Reference speed | Limiting speed | Bearing No. | |||||
| d [mm] | D [mm] | B [mm] | T [mm] | C [kN] | C0 [kN] | [r/min] | [r/min] | [kg] | |
| 750 | 950 | 410 | 410 | 410 | BT4-8048 E/C725 Bearing | ||||
| 750 | 1130 | 690 | 690 | 690 | BT4B 328376/HA4 Bearing | ||||
| 785 | 1010 | 600 | 600 | 600 | BT4-8121 E/C600 Bearing | ||||
| 825.5 | 1168.4 | 844.55 | 844.55 | 844.55 | BT4B 331066 A/HA4 Bearing | ||||
| 863.6 | 1219.1 | 876.3 | 889 | 889 | BT4B 330742 A/HA4 Bearing | ||||
| 863.6 | 1130.3 | 669.925 | 669.925 | 669.925 | BT4B 331123 DG/HA1 Bearing | ||||
| 877.888 | 1220 | 844.55 | 844.55 | 844.55 | BT4B 332981/HA4 Bearing | ||||
| 938.212 | 1270 | 825.5 | 825.5 | 825.5 | 330726 A Bearing | ||||
| 1001 | 1360 | 800 | 800 | 800 | BT4B 334031 AG/HA4 Bearing | ||||
| 1001 | 1360 | 800 | 800 | 800 | BT4B 334031/HA4C1800 Bearing | ||||
| 1070.001 | 1399.997 | 889.762 | 889.762 | 889.762 | BT4B 328100/HA4 Bearing | ||||
| 1300 | 1720 | 840 | 840 | 840 | BT4-8150 G/HA4 Bearing | ||||
| 287.5 | 440 | 330.3 | 284 | 284 | BT4B 332997 B/HA1 Bearing | ||||
| 287.5 | 440 | 330.3 | 284 | 284 | BT4B 332997/HA1 Bearing | ||||
| 368.294 | 523.875 | 411.162 | 366.712 | 366.712 | BT4B 334056 B/HA1 Bearing | ||||
| 384.175 | 546.1 | 437.96 | 384.175 | 384.175 | BT4B 334048/HA1 Bearing | ||||
| 391.071 | 550 | 428.625 | 384.175 | 384.175 | BT4B 328305/HA1 Bearing | ||||
| 400 | 540 | 330 | 295 | 295 | 332297 Bearing | ||||
| 400 | 540 | 295 | 330 | 330 | BT4-8050/HA1 Bearing | ||||
| 406.445 | 565.201 | 409.575 | 365.125 | 365.125 | BT4B 332813 B/HA1C425 Bearing | ||||
| 415.925 | 590.55 | 479.96 | 419.1 | 419.1 | BT4B 334047/HA1 Bearing | ||||
| 431.8 | 571.5 | 366.713 | 320.675 | 320.675 | 331999 Bearing | ||||
| 450 | 595 | 388 | 352 | 352 | BT4-8053/HA1 Bearing | ||||
| 482.6 | 647.7 | 436.5 | 401.638 | 401.638 | BT4-8052/HA1 Bearing | ||||
| 555.233 | 761.873 | 692.15 | 536.575 | 536.575 | BT4B 334125/HA1 Bearing | ||||
| 770 | 1040 | 800 | 650 | 650 | BT4B 334099/HA4 Bearing | ||||
| 872.769 | 1181.1 | 714.375 | 628.65 | 628.65 | BT4B 332786/HA4 Bearing | ||||
| 872.847 | 1181.1 | 714.375 | 628.65 | 628.65 | BT4B 328956/HA4 Bearing | ||||
0+
years
Industry Experience
0+
Model diversity
0+
Number of Employees
0
$
Annual export value
As quadruped robots, especially those designed to mimic wolves, continue to gain traction in robotics and artificial intelligence, the importance of choosing the right bearings cannot be overstated. B...
Introduction In the ever-evolving field of healthcare, the role of medical equipment bearings is crucial. These small yet essential components ensure that complex medical devices function smoothly, of...
Introduction When selecting bearings for rotating machinery, the performance of the bearing plays a crucial role in the overall efficiency and reliability of the system. Among various bearing types, Y...
Introduction In the world of manufacturing, precision is key. Every step of the production process must be executed with utmost accuracy to ensure high-quality end products. One essential component th...