Crossed Tapered Roller Bearings (CTRB): High-Precision Rotation
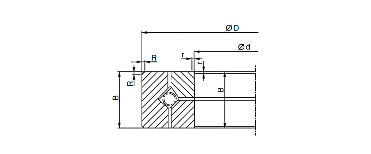
The Crossed Tapered Roller Bearing (CTRB) is a type of high-precision bearing that features a structural design where two sets of raceways and tapered rollers are arranged crosswise at right angles to each other, complemented by spacer blocks and support pads. The large taper angle design allows the effective span to reach several times the bearing's actual width. The extended lines of the rolling surfaces intersect at the center of rotation, achieving pure rolling motion.
The internal tapered rollers are arranged in an alternating V-shape configuration. The tapered geometry matches the raceway inclination angle to prevent stress concentration, enabling the bearing to withstand axial, radial, and moment loads (overturning moment). Bearing precision can reach P4/P2 classes, and they feature an adjustable preload design to optimize rigidity. Their limiting speed is higher than that of crossed cylindrical roller bearings, and they exhibit a lower friction coefficient.
Product Features
·Compact Structure: Crossed Tapered Roller Bearings incorporate two sets of raceways and rollers arranged crosswise at right angles. The bearing's cross-sectional height is similar to a single-row bearing, thus saving space and housing material.
·High Rigidity and Effective Span: The large taper angle and tapered geometric design give the bearing an overall effective span several times its own width.
·High Moment Load Capacity: The crossed roller arrangement allows the bearing to tolerate high overturning moments.
·Precision and Low Friction: They offer high precision (up to P2 grade) and, compared to crossed cylindrical roller bearings, achieve higher limiting speeds and lower friction.
Fields of Application (Applications)
·Crossed Tapered Roller Bearings are suitable for machine tools, including:
·Vertical boring and grinding machine tables
·Precision rotary indexing tables for machine tools
·Large gear hobbing machines
·Turrets
·Industrial robots
·CNC Machine Tools
·CNC Rotary Tables
·CNC Vertical Lathes
·Precision Rotary Platforms
·Testing/Measuring Instruments
·Precision Equipment

| Basic dimensions | Basic load rating | Speed ratings | Mass | Model | ||||
| Dynamic | Static | Reference speed | Limiting speed | Bearing No. | ||||
| d [mm] | D [mm] | B [mm] | C [kN] | C0 [kN] | [r/min] | [r/min] | [kg] | |
| 150 | 230 | 30 | 95.2 | 156 | 1100 | 4.9 | XRT060-NT Bearing | |
| 160 | 240 | 30 | 96.8 | 162 | 1000 | 5.15 | XRT063-NT Bearing | |
| 200 | 280 | 30 | 102 | 175 | 900 | 6.7 | XRT079-NT Bearing | |
| 203.2 | 279.4 | 31.75 | 110 | 188 | 850 | 5.59 | XRT080-NT Bearing | |
| 203.2 | 279.4 | 31.75 | 110 | 188 | 850 | 5.59 | XRT080-W Bearing | |
| 240 | 300 | 30 | 88 | 184 | 750 | 5.4 | XRT094-NT Bearing | |
| 250 | 310 | 25 | 88 | 188 | 700 | 4.5 | XRT098-NT Bearing | |
| 250 | 350 | 40 | 187 | 355 | 670 | 13 | XRT099-NT Bearing | |
| 300 | 400 | 36.492 | 183 | 355 | 560 | 12.5 | XRT110-NTL Bearing | |
| 300 | 400 | 38 | 183 | 355 | 560 | 12.5 | XRT110-NT Bearing | |
| 300 | 480 | 60 | 258 | 495 | 600 | 38 | XRT110-NF Bearing | |
| 310 | 425 | 45 | 216 | 427 | 640 | 19.5 | XRT120-NT Bearing | |
| 330.2 | 457.2 | 63.5 | 264 | 515 | 620 | 32 | XRT130-NT Bearing | |
| 350 | 470 | 50 | 308 | 635 | 560 | 27 | XRT138-NT Bearing | |
| 370 | 495 | 50 | 93.6 | 600 | 30 | XRT140-NT Bearing | ||
| 400 | 480 | 40 | 216 | 497 | 430 | 15 | XRT157-NT Bearing | |
| 400 | 550 | 60 | 429 | 920 | 400 | 46.5 | XRT158-NT Bearing | |
| 432.03 | 571.5 | 38.1 | 435 | 910 | 400 | 27.5 | XRT170-W Bearing | |
| 457.2 | 609.6 | 63.5 | 396 | 856 | 420 | 51 | XRT180-NT Bearing | |
| 424.95 | 614.924 | 65 | 470 | 960 | 380 | 62 | XRT160-NT Bearing | |
| 580 | 760 | 80 | 627 | 1380 | 300 | 100 | XRT220-NT Bearing | |
| 580 | 760 | 800 | 627 | 1380 | 300 | 100 | XRT220-W Bearing | |
| 600 | 830 | 80 | 680 | 1460 | 300 | 148 | XRT230-NF Bearing | |
| 685.8 | 914.4 | 79.375 | 693 | 1660 | 260 | 150 | XRT270-N Bearing | |
| 685.8 | 914.4 | 79.375 | 693 | 1660 | 260 | 150 | XRT270-NT Bearing | |
| 685.8 | 914.4 | 79.375 | 693 | 1660 | 260 | 150 | XRT270-W Bearing | |
| 901.7 | 1117.6 | 82.555 | 781 | 2060 | 200 | 185 | XRT350-W Bearing | |
| 901.7 | 1117.6 | 82.555 | 781 | 2060 | 200 | 185 | XRT350-NT Bearing | |
| 939.8 | 1117.6 | 82.555 | 920 | 2580 | 200 | 158 | XRT370-N Bearing | |
| 950 | 1170 | 85 | 968 | 2690 | 215 | 215 | XRT374-NF Bearing | |
| Basic dimensions | Basic load rating | Speed ratings | Mass | Model | ||||
| dynamic | static | Reference speed | Limiting speed | Bearing No. | ||||
| d [mm] | D [mm] | B [mm] | C [kN] | C0 [kN] | [r/min] | [r/min] | [kg] | |
| 1028.7 | 1327.15 | 114.3 | 1230 | 3310 | 430 | 430 | XRT400-NT Bearing | |
| 1028.7 | 1327.15 | 95.25 | 1060 | 3100 | 450 | 358 | XRT400-WT Bearing | |
| 1028.7 | 1327.15 | 114.3 | 1230 | 3310 | 430 | 430 | XRT400-NF Bearing | |
| 1270 | 1524 | 95.25 | 1300 | 3830 | 95 | 350 | XRT500-NT Bearing | |
| 1549.4 | 1828.8 | 101.6 | 1400 | 4510 | 80 | 500 | XRT610-NT Bearing | |
| 1879.6 | 2197.1 | 101.6 | 1510 | 5240 | 43 | 675 | XRT740-NT Bearing | |
| 2463.8 | 2819.4 | 114.3 | 2330 | 8740 | 19 | 1130 | XRT1040-NT Bearing | |
0+
years
Industry Experience
0+
Model diversity
0+
Number of Employees
0
$
Annual export value
As quadruped robots, especially those designed to mimic wolves, continue to gain traction in robotics and artificial intelligence, the importance of choosing the right bearings cannot be overstated. B...
Introduction In the ever-evolving field of healthcare, the role of medical equipment bearings is crucial. These small yet essential components ensure that complex medical devices function smoothly, of...
Introduction When selecting bearings for rotating machinery, the performance of the bearing plays a crucial role in the overall efficiency and reliability of the system. Among various bearing types, Y...
Introduction In the world of manufacturing, precision is key. Every step of the production process must be executed with utmost accuracy to ensure high-quality end products. One essential component th...