XU high-torque crossed roller bearings (inner and outer ring type) have pre-machined mounting holes, eliminating the need for fixed flanges and support seats. Furthermore, due to the integrated inner and outer ring structure with mounting, installation has almost no impact on performance, thus achieving stable rotational accuracy and torque. Suitable for both outer and inner ring rotation.
Product Features
1. Accuracy up to P4 and P2 grades;
2. High rigidity: All bearings in this series are preloaded;
3. High load capacity: Can withstand axial loads, radial loads, and overturning loads;
4. Compact size: This bearing is compact, saving space in the machine tool.
5. Large-size high-load, high-precision bearings with mounting holes.
Product Applications
CNC machine tools, industrial robots, CNC rotary tables, CNC vertical lathes, precision rotary tables, testing instruments, precision equipment, joints and rotating parts of industrial robots, precision rotary worktables, medical machines, calculators, IC manufacturing equipment, etc.

| Bearing NO. | Drawing Number |
Weight kg |
Dimensions(mm) | |||||||||
| Da | Dazt | di | dizr | Di | da | H | h | T | t | |||
| XU050077 | 1 | 1 | 112 | - | 40 | - | 77.5 | 74 | 22 | 21 | - | - |
| XU060094 | 1 | 2 | 140 | - | 57 | - | 94.6 | 93.4 | 26 | 25 | - | - |
| XU060111 | 2 | 1 | 145.79 | - | 76.2 | - | 11.8 | - | 15. | 87 - | - | - |
| XU080120 | 3 | 4 | 170 | - | 69 | - | 120.6 | 119.4 | 30 | - | - | - |
| XU080149 | 4 | 4 | 196.85 | - | 101.6 | - | 149.6 | - | 22. | 2222.22 | - | - |
| XU120179 | 5 | 7 | 234 | 232 | 124.5 | 126.5 | 180±0.2 | 178±0.2 | 35 | 30 | 5 | 5 |
| XU120222 | 6 | 12 | 300 | - | 140 | - | 224 | 220 | 36 | 30 | - | - |
| XU160260 | 5 | 16 | 329 | 327 | 191 | 193 | 261 | 259 | 46 | 41 | 7 | 7 |
| XU080264 | 7 | 7 | 311 | - | 216 | - | 265 | 263 | 25 | 25 | - | - |
| XU160405 | 5 | 25 | 474 | 472 | 336 | 338 | 406 | 404 | 26 | 41 | 7 | 7 |
| XU080430 | 8 | 12 | 480 | - | 380 | - | 431 | 429 | 26 | 26 | - | - |
| XU300515 | 5 | 115 | 646 | 644 | 384 | 386 | 516 | 514 | 86 | 79 | 12 | 12 |

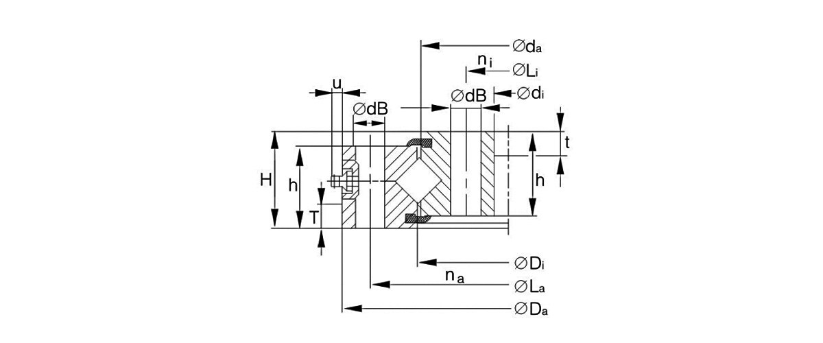
| Bearing NO. | Weight | Installation Dimensions | |||||||||
| Kg | Da | di | La | dB | na | Li | H | h | da | Di | |
| XU160220 | 16 | 302 | 138 | 270 | 18 | 10 | 170 | 46 | 41 | 219 | 221 |
| XU180380 | 45 | 485 | 275 | 453 | 18 | 16 | 307 | 55 | 50 | 379 | 381 |
| XU180412 | 40 | 501 | 324 | 469 | 18 | 18 | 356 | 55 | 50 | 411 | 413 |
| XU180433 | 42 | 522 | 344 | 490 | 18 | 20 | 376 | 55 | 50 | 432 | 434 |
| XU220460 | 64 | 568 | 356 | 524 | 22 | 18 | 396 | 64 | 59 | 459 | 461 |
| XU180475 | 46 | 562 | 388 | 530 | 18 | 20 | 420 | 55 | 50 | 474 | 476 |
| XU240545 | 94 | 655 | 435 | 615 | 22 | 24 | 475 | 79 | 72 | 544 | 546 |
| XU220574 | 82 | 680 | 468 | 640 | 22 | 20 | 508 | 68 | 61 | 573 | 575 |
| XU300586 | 115 | 704 | 468 | 664 | 22 | 36 | 508 | 86 | 79 | 585 | 587 |
| XU280680 | 120 | 795 | 565 | 755 | 22 | 30 | 605 | 79 | 72 | 679 | 681 |
| XU300785 | 155 | 900 | 670 | 860 | 22 | 36 | 710 | 86 | 79 | 784 | 786 |
| XU260823 | 140 | 933 | 713 | 893 | 22 | 36 | 753 | 79 | 72 | 822 | 824 |
| XU160897 | 67 | 976 | 818 | 944 | 18 | 36 | 850 | 50 | 43 | 896 | 898 |
0+
years
Industry Experience
0+
Model diversity
0+
Number of Employees
0
$
Annual export value
As quadruped robots, especially those designed to mimic wolves, continue to gain traction in robotics and artificial intelligence, the importance of choosing the right bearings cannot be overstated. B...
Introduction In the ever-evolving field of healthcare, the role of medical equipment bearings is crucial. These small yet essential components ensure that complex medical devices function smoothly, of...
Introduction When selecting bearings for rotating machinery, the performance of the bearing plays a crucial role in the overall efficiency and reliability of the system. Among various bearing types, Y...
Introduction In the world of manufacturing, precision is key. Every step of the production process must be executed with utmost accuracy to ensure high-quality end products. One essential component th...