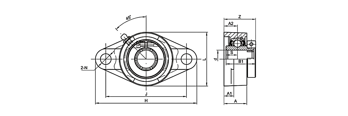
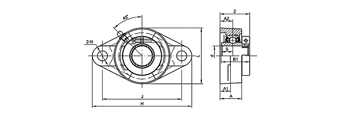
UCFL series 2-bolts flange bearing unit is one kind of design of mounted ball bearing unit, it consist of UCFL housing and UC, NA, UE, UK, SB type pillow block bearing, Setscrew and Eccentric locking. the material of the FL housing can be cast iron, cast steel, plastic and stainless Steel design, each of the housing and insert bearing can be interchange each other.

| Unit No. | Shaft Dia | Dimensions(mm) | Bolt Size (mm) | Weight (kg) | |||||||||||
| d | H | J | A2 | A1 | A | N | L | B | s | z | A3 | ||||
| (in) | (mm) | ||||||||||||||
| UCWFL201 | 12 | 97 | 76.5 | 15 | 11 | 25.5 | 11.5 | 55 | 27.4 | 11.5 | 30.9 | - | M10 | 0.52 | |
| UCWFL202 | 15 | 97 | 76.5 | 15 | 11 | 25.5 | 11.5 | 55 | 27.4 | 11.5 | 30.9 | - | M10 | 0.48 | |
| UCWFL203 | 17 | 97 | 76.5 | 15 | 11 | 25.5 | 11.5 | 55 | 27.4 | 11.5 | 30.9 | - | M10 | 0.37 | |
| UCFL201 | 12 | 113 | 90 | 15 | 11 | 25.5 | 12 | 60 | 31 | 12.7 | 33.3 | - | M10 | 0.51 | |
| UCFL201-8 | 1/2 | 113 | 90 | 15 | 11 | 25.5 | 12 | 60 | 31 | 12.7 | 33.3 | - | M10 | 0.51 | |
| UCFL202 | 15 | 113 | 90 | 15 | 11 | 25.5 | 12 | 60 | 31 | 12.7 | 33.3 | - | M10 | 0.51 | |
| UCFL202-9 | 9/16 | 113 | 90 | 15 | 11 | 25.5 | 12 | 60 | 31 | 12.7 | 33.3 | - | M10 | 0.51 | |
| UCFL202-10 | 5/8 | 113 | 90 | 15 | 11 | 25.5 | 12 | 60 | 31 | 12.7 | 33.3 | - | M10 | 0.51 | |
| UCFL203 | 17 | 113 | 90 | 15 | 11 | 25.5 | 12 | 60 | 31 | 12.7 | 33.3 | - | M10 | 0.51 | |
| UCFL203-11 | 11/16 | 113 | 90 | 15 | 11 | 25.5 | 12 | 60 | 31 | 12.7 | 33.3 | - | M10 | 0.51 | |
| UCFL204 | 20 | 113 | 90 | 15 | 11 | 25.5 | 12 | 60 | 31 | 12.7 | 33.3 | 38.2 | M10 | 0.51 | |
| UCFL204-12 | 3/4 | 113 | 90 | 15 | 11 | 25.5 | 12 | 60 | 31 | 12.7 | 33.3 | 38.2 | M10 | 0.51 | |
| UCFL205 | 25 | 130 | 99 | 16 | 13 | 27 | 16 | 68 | 34.1 | 14.3 | 35.8 | 40 | M14 | 0.6 | |
| UCFL205-14 | 7/8 | 130 | 99 | 16 | 13 | 27 | 16 | 68 | 34.1 | 14.3 | 35.8 | 40 | M14 | 0.6 | |
| UCFL205-15 | 15/16 | 130 | 99 | 16 | 13 | 27 | 16 | 68 | 34.1 | 14.3 | 35.8 | 40 | M14 | 0.6 | |
| UCFL205-16 | 1 | 130 | 99 | 16 | 13 | 27 | 16 | 68 | 34.1 | 14.3 | 35.8 | 40 | M14 | 0.6 | |
| UCFL206 | 30 | 148 | 117 | 18 | 13 | 31 | 16 | 80 | 38.1 | 15.9 | 40.2 | 44 | M14 | 0.9 | |
| UCFL206-17 | 1-1/16 | 148 | 117 | 18 | 13 | 31 | 16 | 80 | 38.1 | 15.9 | 40.2 | 44 | M14 | 0.9 | |
| UCFL206-18 | 1-1/8 | 148 | 117 | 18 | 13 | 31 | 16 | 80 | 38.1 | 15.9 | 40.2 | 44 | M14 | 0.9 | |
| UCFL206-19 | 1-3/16 | 148 | 117 | 18 | 13 | 31 | 16 | 80 | 38.1 | 15.9 | 40.2 | 44 | M14 | 0.9 | |
| UCFL206-20 | 1-1/4 | 148 | 117 | 18 | 13 | 31 | 16 | 80 | 38.1 | 15.9 | 40.2 | 44 | M14 | 0.9 | |
| UCFL207 | 35 | 160 | 130 | 19 | 15 | 34 | 16 | 90 | 42.9 | 17.5 | 44.4 | 48.5 | M14 | 1.2 | |
| UCFL207-20 | 1-1/4 | 160 | 130 | 19 | 15 | 34 | 16 | 90 | 42.9 | 17.5 | 44.4 | 48.5 | M14 | 1.2 | |
| UCFL207-21 | 1-5/16 | 160 | 130 | 19 | 15 | 34 | 16 | 90 | 42.9 | 17.5 | 44.4 | 48.5 | M14 | 1.2 | |
| UCFL207-22 | 1-3/8 | 160 | 130 | 19 | 15 | 34 | 16 | 90 | 42.9 | 17.5 | 44.4 | 48.5 | M14 | 1.2 | |
| UCFL207-23 | 1-7/16 | 160 | 130 | 19 | 15 | 34 | 16 | 90 | 42.9 | 17.5 | 44.4 | 48.5 | M14 | 1.2 | |
| UCFL208 | 40 | 175 | 144 | 21 | 15 | 36 | 16 | 100 | 49.2 | 19 | 51.2 | 55.1 | M14 | 1.5 | |
| UCFL208-24 | 1-1/2 | 175 | 144 | 21 | 15 | 36 | 16 | 100 | 49.2 | 19 | 51.2 | 55.1 | M14 | 1.5 | |
| UCFL208-25 | 1-9/16 | 175 | 144 | 21 | 15 | 36 | 16 | 100 | 49.2 | 19 | 51.2 | 55.1 | M14 | 1.5 | |
| UCFL209 | 45 | 188 | 148 | 22 | 16 | 38 | 19 | 108 | 49.2 | 19 | 52.2 | 57 | M16 | 1.9 | |
| UCFL209-26 | 1-5/8 | 188 | 148 | 22 | 16 | 38 | 19 | 108 | 49.2 | 19 | 52.2 | 57 | M16 | 1.9 | |
| UCFL209-27 | 1-11/16 | 188 | 148 | 22 | 16 | 38 | 19 | 108 | 49.2 | 19 | 52.2 | 57 | M16 | 1.9 | |
| UCFL209-28 | 1-3/4 | 188 | 148 | 22 | 16 | 38 | 19 | 108 | 49.2 | 19 | 52.2 | 57 | M16 | 1.9 | |
| UCFL210 | 50 | 197 | 157 | 22 | 16 | 40 | 19 | 115 | 51.6 | 19 | 54.6 | 60 | M16 | 2.2 | |
| UCFL210-30 | 1-7/8 | 197 | 157 | 22 | 16 | 40 | 19 | 115 | 51.6 | 19 | 54.6 | 60 | M16 | 2.2 | |
| UCFL210-31 | 1-15/16 | 197 | 157 | 22 | 16 | 40 | 19 | 115 | 51.6 | 19 | 54.6 | 60 | M16 | 2.2 | |
| UCFL210-32 | 2 | 197 | 157 | 22 | 16 | 40 | 19 | 115 | 51.6 | 19 | 54.6 | 60 | M16 | 2.2 | |
| UCFL211 | 55 | 224 | 184 | 25 | 18 | 43 | 19 | 125 | 55.6 | 22.2 | 58.4 | 63 | M16 | 3 | |
| UCFL211-32 | 2 | 224 | 184 | 25 | 18 | 43 | 19 | 125 | 55.6 | 22.2 | 58.4 | 63 | M16 | 3 | |
| UCFL211-34 | 2-1/8 | 224 | 184 | 25 | 18 | 43 | 19 | 125 | 55.6 | 22.2 | 58.4 | 63 | M16 | 3 | |
| UCFL211-35 | 2-3/16 | 224 | 184 | 25 | 18 | 43 | 19 | 125 | 55.6 | 22.2 | 58.4 | 63 | M16 | 3 | |
| UCFL212 | 60 | 250 | 202 | 29 | 18 | 48 | 23 | 140 | 65.1 | 25.4 | 68.7 | 73.5 | M20 | 4 | |
| UCFL212-36 | 2-1/4 | 250 | 202 | 29 | 18 | 48 | 23 | ||||||||

| Unit No. | Shaft Dia | Dimensions (mm) | Bolt Size | Weight | |||||||||||
| d | H | J | A2 | A1 | A | N | L | B1 | s | z | F | ||||
| (in) | (mm) | (mm) | (kg) | ||||||||||||
| NAFL201S | 12 | 97 | 76.5 | 15 | 11 | 25.5 | 11.5 | 55 | 37.3 | 13.9 | 38.2 | - | M10 | 0.48 | |
| NAFL201-8S | 1/2 | 97 | 76.5 | 15 | 11 | 25.5 | 11.5 | 55 | 37.3 | 13.9 | 38.2 | - | M10 | 0.48 | |
| NAFL202S | 15 | 97 | 76.5 | 15 | 11 | 25.5 | 11.5 | 55 | 37.3 | 13.9 | 38.2 | - | M10 | 0.48 | |
| NAFL202-10S | 5/8 | 97 | 76.5 | 15 | 11 | 25.5 | 11.5 | 55 | 37.3 | 13.9 | 38.2 | - | M10 | 0.48 | |
| NAFL203S | 17 | 97 | 76.5 | 15 | 11 | 25.5 | 11.5 | 55 | 37.3 | 13.9 | 38.2 | - | M10 | 0.48 | |
| NAFL203-11S | 11/16 | 97 | 76.5 | 15 | 11 | 25.5 | 11.5 | 55 | 37.3 | 13.9 | 38.2 | - | M10 | 0.48 | |
| NAFL201 | 12 | 113 | 90 | 15 | 11 | 25.5 | 12 | 60 | 43.7 | 17.1 | 41.6 | 32 | M10 | 0.73 | |
| NAFL201-8 | 1/2 | 113 | 90 | 15 | 11 | 25.5 | 12 | 60 | 43.7 | 17.1 | 41.6 | 32 | M10 | 0.73 | |
| NAFL202 | 15 | 113 | 90 | 15 | 11 | 25.5 | 12 | 60 | 43.7 | 17.1 | 41.6 | 32 | M10 | 0.73 | |
| NAFL202-10 | 5/8 | 113 | 90 | 15 | 11 | 25.5 | 12 | 60 | 43.7 | 17.1 | 41.6 | 32 | M10 | 0.73 | |
| NAFL203 | 17 | 113 | 90 | 15 | 11 | 25.5 | 12 | 60 | 43.7 | 17.1 | 41.6 | 32 | M10 | 0.73 | |
| NAFL203-11 | 11/16 | 113 | 90 | 15 | 11 | 25.5 | 12 | 60 | 43.7 | 17.1 | 41.6 | 32 | M10 | 0.73 | |
| NAFL204 | 20 | 113 | 90 | 15 | 11 | 25.5 | 12 | 60 | 43.7 | 17.1 | 41.6 | 32 | M10 | 0.73 | |
| NAFL204-12 | 3/4 | 113 | 90 | 15 | 11 | 25.5 | 12 | 60 | 43.7 | 17.1 | 41.6 | 32 | M10 | 0.73 | |
| NAFL205 | 25 | 130 | 99 | 16 | 13 | 27 | 16 | 68 | 44.4 | 17.5 | 42.9 | 36 | M14 | 0.8 | |
| NAFL205-14 | 7/8 | 130 | 99 | 16 | 13 | 27 | 16 | 68 | 44.4 | 17.5 | 42.9 | 36 | M14 | 0.8 | |
| NAFL205-15 | 15/16 | 130 | 99 | 16 | 13 | 27 | 16 | 68 | 44.4 | 17.5 | 42.9 | 36 | M14 | 0.8 | |
| NAFL205-16 | 1 | 130 | 99 | 16 | 13 | 27 | 16 | 68 | 44.4 | 17.5 | 42.9 | 36 | M14 | 0.8 | |
| NAFL206 | 30 | 148 | 117 | 18 | 13 | 31 | 16 | 80 | 48.4 | 18.3 | 48.1 | 42 | M14 | 1.2 | |
| NAFL206-17 | 1-1/16 | 148 | 117 | 18 | 13 | 31 | 16 | 80 | 48.4 | 18.3 | 48.1 | 42 | M14 | 1.2 | |
| NAFL206-18 | 1-1/8 | 148 | 117 | 18 | 13 | 31 | 16 | 80 | 48.4 | 18.3 | 48.1 | 42 | M14 | 1.2 | |
| NAFL206-19 | 1-3/16 | 148 | 117 | 18 | 13 | 31 | 16 | 80 | 48.4 | 18.3 | 48.1 | 42 | M14 | 1.2 | |
| NAFL206-20 | 1-1/4 | 148 | 117 | 18 | 13 | 31 | 16 | 80 | 48.4 | 18.3 | 48.1 | 42 | M14 | 1.2 | |
| NAFL207 | 35 | 160 | 130 | 19 | 15 | 34 | 16 | 90 | 51.1 | 18.8 | 51.3 | 50 | M14 | 1.6 | |
| NAFL207-20 | 1-1/4 | 160 | 130 | 19 | 15 | 34 | 16 | 90 | 51.1 | 18.8 | 51.3 | 50 | M14 | 1.6 | |
| NAFL207-21 | 1-5/16 | 160 | 130 | 19 | 15 | 34 | 16 | 90 | 51.1 | 18.8 | 51.3 | 50 | M14 | 1.6 | |
| NAFL207-22 | 1-3/8 | 160 | 130 | 19 | 15 | 34 | 16 | 90 | 51.1 | 18.8 | 51.3 | 50 | M14 | 1.6 | |
| NAFL207-23 | 1-7/16 | 160 | 130 | 19 | 15 | 34 | 16 | 90 | 51.1 | 18.8 | 51.3 | 50 | M14 | 1.6 | |
| NAFL208 | 40 | 175 | 144 | 21 | 15 | 36 | 16 | 100 | 56.3 | 21.4 | 55.9 | 55 | M14 | 1.9 | |
| NAFL208-24 | 1-1/2 | 175 | 144 | 21 | 15 | 36 | 16 | 100 | 56.3 | 21.4 | 55.9 | 55 | M14 | 1.9 | |
| NAFL208-25 | 1-9/16 | 175 | 144 | 21 | 15 | 36 | 16 | 100 | 56.3 | 21.4 | 55.9 | 55 | M14 | 1.9 | |
| NAFL209 | 45 | 188 | 148 | 22 | 16 | 38 | 19 | 108 | 56.3 | 21.4 | 56.9 | 60 | M16 | 2.3 | |
| NAFL209-26 | 1-5/8 | 188 | 148 | 22 | 16 | 38 | 19 | 108 | 56.3 | 21.4 | 56.9 | 60 | M16 | 2.3 | |
| NAFL209-27 | 1-11/16 | 188 | 148 | 22 | 16 | 38 | 19 | 108 | 56.3 | 21.4 | 56.9 | 60 | M16 | 2.3 | |
| NAFL209-28 | 1-3/4 | 188 | 148 | 22 | 16 | 38 | 19 | 108 | 56.3 | 21.4 | 56.9 | 60 | M16 | 2.3 | |
| NAFL210 | 50 | 197 | 157 | 22 | 16 | 40 | 19 | 115 | 62.7 | 24.6 | 60.1 | 64 | M16 | 2.6 | |
| NAFL210-30 | 1-7/8 | 197 | 157 | 22 | 16 | 40 | 19 | 115 | 62.7 | 24.6 | 60.1 | 64 | M16 | 2.6 | |
| NAFL210-31 | 1-15/16 | 197 | 157 | 22 | 16 | 40 | 19 | 115 | 62.7 | 24.6 | 60.1 | 64 | M16 | 2.6 | |
| NAFL211 | 55 | 224 | 184 | 25 | 18 | 43 | 19 | 125 | 71.4 | 27.8 | 68.6 | 71 | M16 | 3.8 | |
| NAFL211-32 | 2 | 224 | 184 | 25 | 18 | 43 | 19 | 125 | 71.4 | 27.8 | 68.6 | 71 | M16 | 3.8 | |
| NAFL211-34 | 2-1/8 | 224 | 184 | 25 | 18 | 43 | 19 | 125 | 71.4 | 27.8 | 68.6 | 71 | M16 | 3.8 | |
| NAFL211-35 | 2-3/16 | 224 | 184 | 25 | 18 | 43 | 19 | 125 | 71.4 | 27.8 | 68.6 | 71 | M16 | 3.8 | |
| NAFL212 | 60 | 250 | 202 | 29 | 18 | 48 | 23 | 140 | 77.8 | 31 | 75.8 | 78 | M20 | 4.8 | |
| NAFL212-36 | 2-1/4 | 250 | 202 | 29 | 18 | 48 | 23 | 140 | 77.8 | 31 | 75.8 | 78 | M20 | 4.8 | |
| NAFL212-38 | 2-3/8 | 250 | 202 | 29 | 18 | 48 | 23 | 140 | 77.8 | 31 | 75.8 | 78 | M20 | 4.8 | |
| NAFL212-39 | 2-7/16 | 250 | 202 | 29 | 18 | 48 | 23 | 140 | 77.8 | 31 | 75.8 | 78 | M20 | 4.8 | |
| NAFL213 | 65 | 258 | 210 | 30 | 22 | 50 | 23 | 153 | 85.7 | 34.1 | 81.6 | 85 | M20 | 6 | |
| NAFL213-40 | 2-1/2 | 258 | 210 | 30 | 22 | 50 | 23 | 153 | 85.7 | 34.1 | 81.6 | 85 | M20 | 6 | |
| NAFL214 | 70 | 265 | 216 | 31 | 22 | 54 | 23 | 160 | 85.7 | 34.1 | 82.6 | 91 | M20 | 6.3 | |
| NAFL214-44 | 2-3/4 | 265 | 216 | 31 | 22 | 54 | 23 | 160 | 85.7 | 34.1 | 82.6 | 91 | M20 | 6.3 | |
| NAFL215 | 75 | 275 | 225 | 34 | 22 | 56 | 23 | 165 | 92.1 | 37.3 | 88.8 | 96 | M20 | 7.2 | |
| NAFL215-48 | 3 | 275 | 225 | 34 | 22 | 56 | 23 | 165 | 92.1 | 37.3 | 88.8 | 96 | M20 | 7.2 | |

| Unit No. | Shaft Dia | Dimensions(mm) | Bolt Size (mm) | Weight (kg) | ||||||||||
| d | H | J | A2 | A1 | A | N | L | B1 | S | Z | ||||
| (in) | (mm) | |||||||||||||
| UEFL204 | 20 | 113 | 90 | 15 | 11 | 25.5 | 12 | 60 | 33 | 12.7 | 35.3 | M10 | 0.47 | |
| UEFL204-12 | 3/4 | 113 | 90 | 15 | 11 | 25.5 | 12 | 60 | 33 | 12.7 | 35.3 | M10 | 0.47 | |
| UEFL205 | 25 | 130 | 99 | 16 | 13 | 27 | 16 | 68 | 35.4 | 14.3 | 37.1 | M14 | 0.64 | |
| UEFL205-14 | 7/8 | 130 | 99 | 16 | 13 | 27 | 16 | 68 | 35.4 | 14.3 | 37.1 | M14 | 0.64 | |
| UEFL205-15 | 15/16 | 130 | 99 | 16 | 13 | 27 | 16 | 68 | 35.4 | 14.3 | 37.1 | M14 | 0.64 | |
| UEFL205-16 | 1 | 130 | 99 | 16 | 13 | 27 | 16 | 68 | 35.4 | 14.3 | 37.1 | M14 | 0.64 | |
| UEFL206 | 30 | 148 | 117 | 18 | 13 | 31 | 16 | 80 | 39.8 | 15.9 | 41.9 | M14 | 0.95 | |
| UEFL206-17 | 1-1/16 | 148 | 117 | 18 | 13 | 31 | 16 | 80 | 39.8 | 15.9 | 41.9 | M14 | 0.95 | |
| UEFL206-18 | 1-1/8 | 148 | 117 | 18 | 13 | 31 | 16 | 80 | 39.8 | 15.9 | 41.9 | M14 | 0.95 | |
| UEFL206-19 | 1-3/16 | 148 | 117 | 18 | 13 | 31 | 16 | 80 | 39.8 | 15.9 | 41.9 | M14 | 0.95 | |
| UEFL206-20 | 1-1/4 | 148 | 117 | 18 | 13 | 31 | 16 | 80 | 39.8 | 15.9 | 41.9 | M14 | 0.95 | |
| UEFL207 | 35 | 160 | 130 | 19 | 15 | 34 | 16 | 90 | 43.9 | 17.5 | 45.4 | M14 | 1.27 | |
| UEFL207-20 | 1-1/4 | 160 | 130 | 19 | 15 | 34 | 16 | 90 | 43.9 | 17.5 | 45.4 | M14 | 1.27 | |
| UEFL207-21 | 1-5/16 | 160 | 130 | 19 | 15 | 34 | 16 | 90 | 43.9 | 17.5 | 45.4 | M14 | 1.27 | |
| UEFL207-22 | 1-3/8 | 160 | 130 | 19 | 15 | 34 | 16 | 90 | 43.9 | 17.5 | 45.4 | M14 | 1.27 | |
| UEFL207-23 | 1-7/16 | 160 | 130 | 19 | 15 | 34 | 16 | 90 | 43.9 | 17.5 | 45.4 | M14 | 1.27 | |
| UEFL208 | 40 | 175 | 144 | 21 | 15 | 36 | 16 | 100 | 50.2 | 19 | 52.2 | M14 | 1.62 | |
| UEFL208-24 | 1-1/2 | 175 | 144 | 21 | 15 | 36 | 16 | 100 | 50.2 | 19 | 52.2 | M14 | 1.62 | |
| UEFL208-25 | 1-9/16 | 175 | 144 | 21 | 15 | 36 | 16 | 100 | 50.2 | 19 | 52.2 | M14 | 1.62 | |
| UEFL209 | 45 | 188 | 148 | 22 | 16 | 38 | 19 | 108 | 50.2 | 19 | 53.2 | M16 | 2.02 | |
| UEFL209-26 | 1-5/8 | 188 | 148 | 22 | 16 | 38 | 19 | 108 | 50.2 | 19 | 53.2 | M16 | 2.02 | |
| UEFL209-27 | 1-11/16 | 188 | 148 | 22 | 16 | 38 | 19 | 108 | 50.2 | 19 | 53.2 | M16 | 2.02 | |
| UEFL209-28 | 1-3/4 | 188 | 148 | 22 | 16 | 38 | 19 | 108 | 50.2 | 19 | 53.2 | M16 | 2.02 | |
| UEFL210 | 50 | 197 | 157 | 22 | 16 | 40 | 19 | 115 | 52.6 | 19 | 55.6 | M16 | 2.27 | |
| UEFL210-30 | 1-7/8 | 197 | 157 | 22 | 16 | 40 | 19 | 115 | 52.6 | 19 | 55.6 | M16 | 2.27 | |
| UEFL210-31 | 1-15/16 | 197 | 157 | 22 | 16 | 40 | 19 | 115 | 52.6 | 19 | 55.6 | M16 | 2.27 | |
| UEFL210-32 | 2 | 197 | 157 | 22 | 16 | 40 | 19 | 115 | 52.6 | 19 | 55.6 | M16 | 2.27 | |
| UEFL211 | 55 | 224 | 184 | 25 | 18 | 43 | 19 | 125 | 56.6 | 22.2 | 59.4 | M16 | 3.34 | |
| UEFL211-32 | 2 | 224 | 184 | 25 | 18 | 43 | 19 | 125 | 56.6 | 22.2 | 59.4 | M16 | 3.34 | |
| UEFL211-34 | 2-1/8 | 224 | 184 | 25 | 18 | 43 | 19 | 125 | 56.6 | 22.2 | 59.4 | M16 | 3.34 | |
| UEFL211-35 | 2-3/16 | 224 | 184 | 25 | 18 | 43 | 19 | 125 | 56.6 | 22.2 | 59.4 | M16 | 3.34 | |
| UEFL212 | 60 | 250 | 202 | 29 | 18 | 48 | 23 | 140 | 66.6 | 25.4 | 70.2 | M20 | 4.3 | |
| UEFL212-36 | 2-1/4 | 250 | 202 | 29 | 18 | 48 | 23 | 140 | 66.6 | 25.4 | 70.2 | M20 | 4.3 | |
| UEFL212-38 | 2-3/8 | 250 | 202 | 29 | 18 | 48 | 23 | 140 | 66.6 | 25.4 | 70.2 | M20 | 4.3 | |
| UEFL212-39 | 2-7/16 | 250 | 202 | 29 | 18 | 48 | 23 | 140 | 66.6 | 25.4 | 70.2 | M20 | 4.3 | |

| Unit No. | Shaft Dia | Dimensions (mm) | Bolt Size (mm) | Weight | |||||||||
| d | H | J | A2 | A1 | A | N | L | S1 | z | (kg) | |||
| (in) | (mm) | ||||||||||||
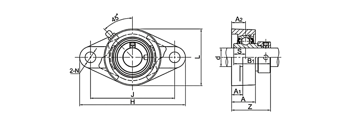
| UKFL205+H2305 | 20 | 130 | 99 | 16 | 13 | 27 | 16 | 68 | 18.5 | 34.5 | M14 | 0.6 | |
| UKFL205+HE2305 | 3/4 | 130 | 99 | 16 | 13 | 27 | 16 | 68 | 18.5 | 34.5 | M14 | 0.6 | |
| UKFL206+H2306 | 25 | 148 | 117 | 18 | 13 | 31 | 16 | 80 | 20.5 | 38.5 | M14 | 0.96 | |
| UKFL206+HS2306 | 7/8 | 148 | 117 | 18 | 13 | 31 | 16 | 80 | 20.5 | 38.5 | M14 | 0.96 | |
| UKFL206+HA2306 | 15/16 | 148 | 117 | 18 | 13 | 31 | 16 | 80 | 20.5 | 38.5 | M14 | 0.96 | |
| UKFL206+HE2306 | 1 | 148 | 117 | 18 | 13 | 31 | 16 | 80 | 20.5 | 38.5 | M14 | 0.96 | |
| UKFL207+H2307 | 30 | 160 | 130 | 19 | 15 | 34 | 16 | 90 | 22.5 | 41.5 | M14 | 1.3 | |
| UKFL207+HS2307 | 1-1/8 | 160 | 130 | 19 | 15 | 34 | 16 | 90 | 22.5 | 41.5 | M14 | 1.3 | |
| UKFL207+HA2307 | 1-3/16 | 160 | 130 | 19 | 15 | 34 | 16 | 90 | 22.5 | 41.5 | M14 | 1.3 | |
| UKFL208+H2308 | 35 | 175 | 144 | 21 | 15 | 36 | 16 | 100 | 24.5 | 45.5 | M14 | 1.6 | |
| UKFL208+HE2308 | 1-1/4 | 175 | 144 | 21 | 15 | 36 | 16 | 100 | 24.5 | 45.5 | M14 | 1.6 | |
| UKFL208+HS2308 | 1-3/8 | 175 | 144 | 21 | 15 | 36 | 16 | 100 | 24.5 | 45.5 | M14 | 1.6 | |
| UKFL209+H2309 | 40 | 188 | 148 | 22 | 16 | 38 | 19 | 108 | 26 | 48 | M16 | 2 | |
| UKFL209+HA2309 | 1-7/16 | 188 | 148 | 22 | 16 | 38 | 19 | 108 | 26 | 48 | M16 | 2 | |
| UKFL209+HE2309 | 1-1/2 | 188 | 148 | 22 | 16 | 38 | 19 | 108 | 26 | 48 | M16 | 2 | |
| UKFL210+H2310 | 45 | 197 | 157 | 22 | 16 | 40 | 19 | 115 | 27.5 | 49.5 | M16 | 2.3 | |
| UKFL210+HS2310 | 1-5/8 | 197 | 157 | 22 | 16 | 40 | 19 | 115 | 27.5 | 49.5 | M16 | 2.3 | |
| UKFL210+HA2310 | 1-11/16 | 197 | 157 | 22 | 16 | 40 | 19 | 115 | 27.5 | 49.5 | M16 | 2.3 | |
| UKFL210+HE2310 | 1-3/4 | 197 | 157 | 22 | 16 | 40 | 19 | 115 | 27.5 | 49.5 | M16 | 2.3 | |
| UKFL211+H2311 | 50 | 224 | 184 | 25 | 18 | 43 | 19 | 125 | 28.5 | 53.5 | M16 | 3.3 | |
| UKFL211+HS2311 | 1-7/8 | 224 | 184 | 25 | 18 | 43 | 19 | 125 | 28.5 | 53.5 | M16 | 3.3 | |
| UKFL211+HA2311 | 1-15/16 | 224 | 184 | 25 | 18 | 43 | 19 | 125 | 28.5 | 53.5 | M16 | 3.3 | |
| UKFL211+HE2311 | 2 | 224 | 184 | 25 | 18 | 43 | 19 | 125 | 28.5 | 53.5 | M16 | 3.3 | |
| UKFL212+H2312 | 55 | 250 | 202 | 29 | 18 | 48 | 23 | 140 | 31 | 60 | M20 | 4 | |
| UKFL212+HS2312 | 2-1/8 | 250 | 202 | 29 | 18 | 48 | 23 | 140 | 31 | 60 | M20 | 4 | |
| UKFL213+H2313 | 60 | 258 | 210 | 30 | 22 | 50 | 23 | 155 | 32 | 62 | M20 | 5.1 | |
| UKFL213+HA2313 | 2-3/16 | 258 | 210 | 30 | 22 | 50 | 23 | 155 | 32 | 62 | M20 | 5.1 | |
| UKFL213+HE2313 | 2-1/4 | 258 | 210 | 30 | 22 | 50 | 23 | 155 | 32 | 62 | M20 | 5.1 | |
| UKFL213+HS2313 | 2-3/8 | 258 | 210 | 30 | 22 | 50 | 23 | 155 | 32 | 62 | M20 | 5.1 | |
| UKFL215+H2315 | 65 | 275 | 225 | 34 | 22 | 56 | 23 | 165 | 35.5 | 69.5 | M20 | 6.4 | |
| UKFL215+HA2315 | 2-7/16 | 275 | 225 | 34 | 22 | 56 | 23 | 165 | 35.5 | 69.5 | M20 | 6.4 | |
| UKFL215+HE2315 | 2-1/2 | 275 | 225 | 34 | 22 | 56 | 23 | 165 | 35.5 | 69.5 | M20 | 6.4 | |
| UKFL216+H2316 | 70 | 290 | 233 | 34 | 22 | 58 | 25 | 180 | 39 | 73 | M22 | 8 | |
| UKFL216+HA2316 | 2-11/16 | 290 | 233 | 34 | 22 | 58 | 25 | 180 | 39 | 73 | M22 | 8 | |
| UKFL216+HE2316 | 2-3/4 | 290 | 233 | 34 | 22 | 58 | 25 | 180 | 39 | 73 | M22 | 8 | |

| Unit No. | Shaft Dia | Dimensions (mm) | Bolt Size | Weight | |||||||||||
| d | H | J | A2 | A1 | A | N | L | B | s | z | (mm) | (in) | (kg) | ||
| (in) | (mm) | ||||||||||||||
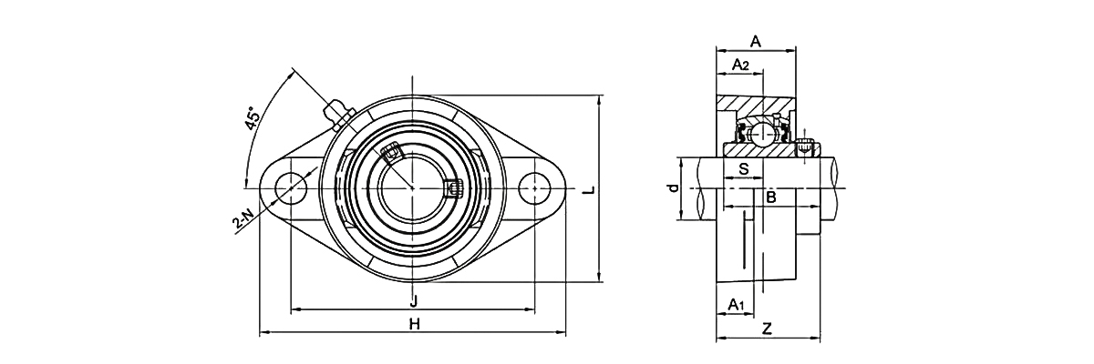
| UCFLX05 | 25 | 141 | 117 | 18 | 13 | 30 | 12 | 83 | 38.1 | 15.9 | 40.2 | M14 | 3/8 | 1 | |
| UCFLX05-13 | 13/16 | 141 | 117 | 18 | 13 | 30 | 12 | 83 | 38.1 | 15.9 | 40.2 | M14 | 3/8 | 1 | |
| UCFLX05-14 | 7/8 | 141 | 117 | 18 | 13 | 30 | 12 | 83 | 38.1 | 15.9 | 40.2 | M14 | 3/8 | 1 | |
| UCFLX05-15 | 15/16 | 141 | 117 | 18 | 13 | 30 | 12 | 83 | 38.1 | 15.9 | 40.2 | M14 | 3/8 | 1 | |
| UCFLX05-16 | 1 | 141 | 117 | 18 | 13 | 30 | 12 | 83 | 38.1 | 15.9 | 40.2 | M14 | 3/8 | 1 | |
| UCFLX06 | 30 | 156 | 130 | 19 | 15 | 34 | 16 | 95 | 42.9 | 17.5 | 44.4 | M14 | 1/2 | 1.5 | |
| UCFLX06-17 | 1-1/16 | 156 | 130 | 19 | 15 | 34 | 16 | 95 | 42.9 | 17.5 | 44.4 | M14 | 1/2 | 1.5 | |
| UCFLX06-18 | 1-1/8 | 156 | 130 | 19 | 15 | 34 | 16 | 95 | 42.9 | 17.5 | 44.4 | M14 | 1/2 | 1.5 | |
| UCFLX06-19 | 1-3/16 | 156 | 130 | 19 | 15 | 34 | 16 | 95 | 42.9 | 17.5 | 44.4 | M14 | 1/2 | 1.5 | |
| UCFLX06-20 | 1-1/4 | 156 | 130 | 19 | 15 | 34 | 16 | 95 | 42.9 | 17.5 | 44.4 | M14 | 1/2 | 1.5 | |
| UCFLX07 | 35 | 171 | 144 | 21 | 16 | 38 | 16 | 105 | 49.2 | 19 | 51.2 | M14 | 1/2 | 2 | |
| UCFLX07-21 | 1-5/16 | 171 | 144 | 21 | 16 | 38 | 16 | 105 | 49.2 | 19 | 51.2 | M14 | 1/2 | 2 | |
| UCFLX07-22 | 1-3/8 | 171 | 144 | 21 | 16 | 38 | 16 | 105 | 49.2 | 19 | 51.2 | M14 | 1/2 | 2 | |
| UCFLX07-23 | 1-7/16 | 171 | 144 | 21 | 16 | 38 | 16 | 105 | 49.2 | 19 | 51.2 | M14 | 1/2 | 2 | |
| UCFLX08 | 40 | 179 | 148 | 22 | 16 | 40 | 16 | 111 | 49.2 | 19 | 52.2 | M14 | 1/2 | 2.2 | |
| UCFLX08-24 | 1-1/2 | 179 | 148 | 22 | 16 | 40 | 16 | 111 | 49.2 | 19 | 52.2 | M14 | 1/2 | 2.2 | |
| UCFLX08-25 | 1-9/16 | 179 | 148 | 22 | 16 | 40 | 16 | 111 | 49.2 | 19 | 52.2 | M14 | 1/2 | 2.2 | |
| UCFLX09 | 45 | 189 | 157 | 23 | 16 | 40 | 16 | 116 | 51.6 | 19 | 55.6 | M16 | 1/2 | 2.4 | |
| UCFLX09-26 | 1-5/8 | 189 | 157 | 23 | 16 | 40 | 16 | 116 | 51.6 | 19 | 55.6 | M16 | 1/2 | 2.4 | |
| UCFLX09-27 | 1-11/16 | 189 | 157 | 23 | 16 | 40 | 16 | 116 | 51.6 | 19 | 55.6 | M16 | 1/2 | 2.4 | |
| UCFLX09-28 | 1-3/4 | 189 | 157 | 23 | 16 | 40 | 16 | 116 | 51.6 | 19 | 55.6 | M16 | 1/2 | 2.4 | |
| UCFLX09-29 | 1-13/16 | 189 | 157 | 23 | 16 | 40 | 16 | 116 | 51.6 | 19 | 55.6 | M16 | 1/2 | 2.4 | |
| UCFLX10 | 50 | 216 | 184 | 26 | 18 | 44 | 19 | 133 | 55.6 | 22.2 | 59.4 | M16 | 5/8 | 3.4 | |
| UCFLX10-30 | 1-7/8 | 216 | 184 | 26 | 18 | 44 | 19 | 133 | 55.6 | 22.2 | 59.4 | M16 | 5/8 | 3.4 | |
| UCFLX10-31 | 1-15/16 | 216 | 184 | 26 | 18 | 44 | 19 | 133 | 55.6 | 22.2 | 59.4 | M16 | 5/8 | 3.4 | |
| UCFLX10-32 | 2 | 216 | 184 | 26 | 18 | 44 | 19 | 133 | 55.6 | 22.2 | 59.4 | M16 | 5/8 | 3.4 | |

| Unit No. | Shaft Dia | Dimensions(mm) | Bolt size (mm) | Weight (kg) | |||||||||
| H | J | A2 | A1 | A | N | L | B | s | Z | ||||
| UCFL305 | 25 | 150 | 113 | 16 | 13 | 29 | 19 | 80 | 38 | 15 | 39 | M16 | 1.1 |
| UCFL306 | 30 | 180 | 134 | 18 | 15 | 32 | 23 | 90 | 43 | 17 | 44 | M20 | 1.6 |
| UCFL307 | 35 | 185 | 141 | 20 | 16 | 36 | 23 | 100 | 48 | 19 | 49 | M20 | 2 |
| UCFL308 | 40 | 200 | 158 | 23 | 17 | 40 | 23 | 112 | 52 | 19 | 56 | M20 | 2.6 |
| UCFL309 | 45 | 230 | 177 | 25 | 18 | 44 | 25 | 125 | 57 | 22 | 60 | M22 | 3.63 |
| UCFL310 | 50 | 240 | 187 | 28 | 19 | 48 | 25 | 140 | 61 | 22 | 67 | M22 | 4.6 |
| UCFL311 | 55 | 250 | 198 | 30 | 20 | 52 | 25 | 150 | 66 | 25 | 71 | M22 | 5.3 |
| UCFL312 | 60 | 270 | 212 | 33 | 22 | 56 | 31 | 160 | 71 | 26 | 78 | M27 | 6.4 |
| UCFL313 | 65 | 295 | 240 | 33 | 25 | 58 | 31 | 175 | 75 | 30 | 78 | M27 | 8.2 |
| UCFL314 | 70 | 315 | 250 | 36 | 28 | 61 | 35 | 185 | 78 | 33 | 81 | M30 | 10 |
| UCFL315 | 75 | 320 | 260 | 39 | 30 | 66 | 35 | 195 | 82 | 32 | 89 | M30 | 11 |
| UCFL316 | 80 | 355 | 285 | 38 | 32 | 68 | 38 | 210 | 86 | 34 | 90 | M33 | 14.3 |
| UCFL317 | 85 | 370 | 300 | 44 | 32 | 74 | 38 | 220 | 96 | 40 | 100 | M33 | 16.2 |
| UCFL318 | 90 | 385 | 315 | 44 | 36 | 76 | 38 | 235 | 96 | 40 | 100 | M33 | 19.2 |
| UCFL319 | 95 | 405 | 330 | 59 | 40 | 94 | 41 | 250 | 103 | 41 | 121 | M36 | 21.8 |
| UCFL320 | 100 | 440 | 360 | 59 | 40 | 94 | 44 | 270 | 108 | 42 | 125 | M39 | 26.5 |
| UCFL321 | 105 | 440 | 360 | 59 | 40 | 94 | 44 | 270 | 112 | 44 | 127 | M39 | 28.2 |
| UCFL322 | 110 | 470 | 390 | 60 | 42 | 96 | 44 | 300 | 117 | 46 | 131 | M39 | 33.1 |
| UCFL324 | 120 | 520 | 430 | 65 | 48 | 110 | 47 | 330 | 126 | 51 | 140 | M42 | 45.7 |
| UCFL326 | 130 | 550 | 460 | 65 | 50 | 115 | 47 | 360 | 135 | 54 | 146 | M42 | 57.5 |
| UCFL328 | 140 | 600 | 500 | 75 | 60 | 125 | 51 | 400 | 145 | 59 | 161 | M45 | 79.7 |

| Unit No. | Shaft Dia | Dimensions (mm) | Bolt Size (mm) | Weight | ||||||||||
| d | H | J | L | A2 | A1 | A | N | B1 | S | Z | (kg) | |||
| (in) | (mm) | |||||||||||||
| NAFLU201S | 12 | 99 | 76.5 | 57 | 15 | 11 | 24.5 | 11.5 | 37.3 | 13.9 | 38.4 | M10 | 0.66 | |
| NAFLU201-8S | 1/2 | 99 | 76.5 | 57 | 15 | 11 | 24.5 | 11.5 | 37.3 | 13.9 | 38.4 | M10 | 0.66 | |
| NAFLU202S | 15 | 99 | 76.5 | 57 | 15 | 11 | 24.5 | 11.5 | 37.3 | 13.9 | 38.4 | M10 | 0.66 | |
| NAFLU202-10S | 5/8 | 99 | 76.5 | 57 | 15 | 11 | 24.5 | 11.5 | 37.3 | 13.9 | 38.4 | M10 | 0.66 | |
| NAFLU203S | 17 | 99 | 76.5 | 57 | 15 | 11 | 24.5 | 11.5 | 37.3 | 13.9 | 38.4 | M10 | 0.66 | |
| NAFLU203-11S | 11/16 | 99 | 76.5 | 57 | 15 | 11 | 24.5 | 11.5 | 37.3 | 13.9 | 38.4 | M10 | 0.66 | |
| NAFLU201 | 12 | 112.5 | 90 | 61 | 19 | 15 | 29.5 | 11.5 | 43.7 | 17 | 45.5 | M10 | 0.73 | |
| NAFLU201-8 | 1/2 | 112.5 | 90 | 61 | 19 | 15 | 29.5 | 11.5 | 43.7 | 17 | 45.5 | M10 | 0.73 | |
| NAFLU202 | 15 | 112.5 | 90 | 61 | 19 | 15 | 29.5 | 11.5 | 43.7 | 17 | 45.5 | M10 | 0.73 | |
| NAFLU202-10 | 5/8 | 112.5 | 90 | 61 | 19 | 15 | 29.5 | 11.5 | 43.7 | 17 | 45.5 | M10 | 0.73 | |
| NAFLU203 | 17 | 112.5 | 90 | 61 | 19 | 15 | 29.5 | 11.5 | 43.7 | 17 | 45.5 | M10 | 0.73 | |
| NAFLU203-11 | 11/16 | 112.5 | 90 | 61 | 19 | 15 | 29.5 | 11.5 | 43.7 | 17 | 45.5 | M10 | 0.73 | |
| NAFLU204 | 20 | 112.5 | 90 | 61 | 19 | 15 | 29.5 | 11.5 | 43.7 | 17 | 45.5 | M10 | 0.73 | |
| NAFLU204-12 | 3/4 | 112.5 | 90 | 61 | 19 | 15 | 29.5 | 11.5 | 43.7 | 17 | 45.5 | M10 | 0.73 | |
| NAFLU205 | 25 | 123 | 99 | 70 | 19 | 15 | 30 | 11.5 | 44.4 | 17.4 | 45.9 | M10 | 0.8 | |
| NAFLU205-14 | 7/8 | 123 | 99 | 70 | 19 | 15 | 30 | 11.5 | 44.4 | 17.4 | 45.9 | M10 | 0.8 | |
| NAFLU205-15 | 15/16 | 123 | 99 | 70 | 19 | 15 | 30 | 11.5 | 44.4 | 17.4 | 45.9 | M10 | 0.8 | |
| NAFLU205-16 | 1 | 123 | 99 | 70 | 19 | 15 | 30 | 11.5 | 44.4 | 17.4 | 45.9 | M10 | 0.8 | |
| NAFLU206 | 30 | 142 | 116.5 | 82 | 20 | 13 | 32.5 | 11.5 | 48.4 | 18.2 | 50.1 | M10 | 1.2 | |
| NAFLU206-18 | 1-1/8 | 142 | 116.5 | 82 | 20 | 13 | 32.5 | 11.5 | 48.4 | 18.2 | 50.1 | M10 | 1.2 | |
| NAFLU206-19 | 1-3/16 | 142 | 116.5 | 82 | 20 | 13 | 32.5 | 11.5 | 48.4 | 18.2 | 50.1 | M10 | 1.2 | |
| NAFLU206-20 | 1-1/4 | 142 | 116.5 | 82 | 20 | 13 | 32.5 | 11.5 | 48.4 | 18.2 | 50.1 | M10 | 1.2 | |
| NAFLU207 | 35 | 158 | 130 | 94 | 21 | 17 | 36 | 14 | 51.1 | 18.8 | 53.3 | M12 | 1.6 | |
| NAFLU207-20 | 1-1/4 | 158 | 130 | 94 | 21 | 17 | 36 | 14 | 51.1 | 18.8 | 53.3 | M12 | 1.6 | |
| NAFLU207-21 | 1-5/16 | 158 | 130 | 94 | 21 | 17 | 36 | 14 | 51.1 | 18.8 | 53.3 | M12 | 1.6 | |
| NAFLU207-22 | 1-3/16 | 158 | 130 | 94 | 21 | 17 | 36 | 14 | 51.1 | 18.8 | 53.3 | M12 | 1.6 | |
| NAFLU207-23 | 1-7/16 | 158 | 130 | 94 | 21 | 17 | 36 | 14 | 51.1 | 18.8 | 53.3 | M12 | 1.6 | |
| NAFLU208 | 40 | 172 | 143.5 | 103 | 24 | 17 | 39 | 14 | 56.3 | 21.4 | 58.9 | M12 | 1.9 | |
| NAFLU208-24 | 1-1/2 | 172 | 143.5 | 103 | 24 | 17 | 39 | 14 | 56.3 | 21.4 | 58.9 | M12 | 1.9 | |
| NAFLU208-25 | 1-9/16 | 172 | 143.5 | 103 | 24 | 17 | 39 | 14 | 56.3 | 21.4 | 58.9 | M12 | 1.9 | |
| NAFLU209 | 45 | 180 | 148.5 | 108 | 24 | 18 | 40 | 16 | 56.3 | 21.4 | 58.9 | M14 | 2.3 | |
| NAFLU209-26 | 1-5/8 | 180 | 148.5 | 108 | 24 | 18 | 40 | 16 | 56.3 | 21.4 | 58.9 | M14 | 2.3 | |
| NAFLU209-27 | 1-11/16 | 180 | 148.5 | 108 | 24 | 18 | 40 | 16 | 56.3 | 21.4 | 58.9 | M14 | 2.3 | |
| NAFLU209-28 | 1-3/4 | 180 | 148.5 | 108 | 24 | 18 | 40 | 16 | 56.3 | 21.4 | 58.9 | M14 | 2.3 | |
| NAFLU210 | 50 | 190 | 157 | 114 | 28 | 20 | 45 | 18 | 62.7 | 24.6 | 66.1 | M16 | 2.6 | |
| NAFLU210-30 | 1-7/8 | 190 | 157 | 114 | 28 | 20 | 45 | 18 | 62.7 | 24.6 | 66.1 | M16 | 2.6 | |
| NAFLU210-31 | 1-15/16 | 190 | 157 | 114 | 28 | 20 | 45 | 18 | 62.7 | 24.6 | 66.1 | M16 | 2.6 | |
| NAFLU210-32 | 2 | 190 | 157 | 114 | 28 | 20 | 45 | 18 | 62.7 | 24.6 | 66.1 | M16 | 2.6 | |
| NAFLU211 | 55 | 217 | 184 | 128 | 31 | 21 | 48 | 18 | 71.4 | 27.7 | 74.6 | M16 | 3.8 | |
| NAFLU211-32 | 2 | 217 | 184 | 128 | 31 | 21 | 48 | 18 | 71.4 | 27.7 | 74.6 | M16 | 3.8 | |
| NAFLU211-34 | 2-1/8 | 217 | 184 | 128 | 31 | 21 | 48 | 18 | 71.4 | 27.7 | 74.6 | M16 | 3.8 | |
| NAFLU211-35 | 2-3/16 | 217 | 184 | 128 | 31 | 21 | 48 | 18 | 71.4 | 27.7 | 74.6 | M16 | 3.8 | |
| NAFLU212 | 60 | 237 | 202 | 138 | 34 | 21 | 53 | 18 | 77.8 | 30.9 | 80.8 | M16 | 4.8 | |
| NAFLU212-36 | 2-1/4 | 237 | 202 | 138 | 34 | 21 | 53 | 18 | 77.8 | 30.9 | 80.8 | M16 | 4.8 | |
| NAFLU212-38 | 2-3/8 | 237 | 202 | 138 | 34 | 21 | 53 | 18 | 77.8 | 30.9 | 80.8 | M16 | 4.8 | |
| NAFLU212-39 | 2-7/16 | 237 | 202 | 138 | 34 | 21 | 53 | 18 | 77.8 | 30.9 | 80.8 | M16 | 4.8 | |
| NAFLU213 | 65 | 256 | 210 | 152 | 38 | 22 | 56 | 21 | 85.7 | 34.1 | 89.6 | M18 | 6 | |
| NAFLU213-40 | 2-1/2 | 256 | 210 | 152 | 38 | 22 | 56 | 21 | 85.7 | 34.1 | 89.6 | M18 | 6 | |
| NAFLU214 | 70 | 264 | 216 | 157 | 38 | 23 | 58 | 21 | 85.7 | 34.1 | 89.6 | M18 | 6.3 | |
| NAFLU214-44 | 2-3/4 | 264 | 216 | 157 | 38 | 23 | 58 | 21 | 85.7 | 34.1 | 89.6 | M18 | 6.3 | |
| NAFLU215 | 75 | 275 | 225 | 164 | 41 | 24 | 62 | 21 | 92.1 | 37.3 | 95.8 | M18 | 7.2 | |
| NAFLU215-47 | 2-15/16 | 275 | 225 | 164 | 41 | 24 | 62 | 21 | 92.1 | 37.3 | 95.8 | M18 | 7.2 | |
| NAFLU215-48 | 3 | 275 | 225 | 164 | 41 | 24 | 62 | 21 | 92.1 | 37.3 | 95.8 | M18 | 7.2 | |

| Unit No. | Shaft Dia | Dimensions (mm) | Boit Size (mm) | Weight (kg) | ||||||||||
| d | H | J | A2 | A1 | A | N | L | B | s | z | ||||
| (in) | (mm) | |||||||||||||
| UCFT201 | 12 | 99 | 76.2 | 15.1 | 11 | 25 | 10.5 | 54 | 27.4 | 11.5 | 31 | M8 | 0.4 | |
| UCFT201-8 | 1/2 | 99 | 76.2 | 15.1 | 11 | 25 | 10.5 | 54 | 27.4 | 11.5 | 31 | M8 | 0.4 | |
| UCFT202 | 15 | 99 | 76.2 | 15.1 | 11 | 25 | 10.5 | 54 | 27.4 | 11.5 | 31 | M8 | 0.4 | |
| UCFT202-9 | 9/16 | 99 | 76.2 | 15.1 | 11 | 25 | 10.5 | 54 | 27.4 | 11.5 | 31 | M8 | 0.4 | |
| UCFT202-10 | 5/8 | 99 | 76.2 | 15.1 | 11 | 25 | 10.5 | 54 | 27.4 | 11.5 | 31 | M8 | 0.4 | |
| UCFT203 | 17 | 99 | 76.2 | 15.1 | 11 | 25 | 10.5 | 54 | 27.4 | 11.5 | 31 | M8 | 0.4 | |
| UCFT203-11 | 11/16 | 99 | 76.2 | 15.1 | 11 | 25 | 10.5 | 54 | 27.4 | 11.5 | 31 | M8 | 0.4 | |
| UCFT204 | 20 | 112 | 89.7 | 14.3 | 11 | 25 | 10.5 | 60 | 31 | 12.7 | 32.6 | M8 | 0.45 | |
| UCFT204-12 | 3/4 | 112 | 89.7 | 14.3 | 11 | 25 | 10.5 | 60 | 31 | 12.7 | 32.6 | M8 | 0.45 | |
| UCFT205 | 25 | 124 | 98.8 | 15.9 | 13 | 27 | 12.5 | 70 | 34.1 | 14.3 | 35.6 | M10 | 0.66 | |
| UCFT205-13 | 13/16 | 124 | 98.8 | 15.9 | 13 | 27 | 12.5 | 70 | 34.1 | 14.3 | 35.6 | M10 | 0.66 | |
| UCFT205-14 | 7/8 | 124 | 98.8 | 15.9 | 13 | 27 | 12.5 | 70 | 34.1 | 14.3 | 35.6 | M10 | 0.66 | |
| UCFT205-15 | 15/16 | 124 | 98.8 | 15.9 | 13 | 27 | 12.5 | 70 | 34.1 | 14.3 | 35.6 | M10 | 0.66 | |
| UCFT205-16 | 1 | 124 | 98.8 | 15.9 | 13 | 27 | 12.5 | 70 | 34.1 | 14.3 | 35.6 | M10 | 0.66 | |
| UCFT206 | 30 | 141 | 116.7 | 17.9 | 13 | 30 | 12.5 | 83 | 38.1 | 15.9 | 40.1 | M10 | 0.86 | |
| UCFT206-17 | 1-1/16 | 141 | 116.7 | 17.9 | 13 | 30 | 12.5 | 83 | 38.1 | 15.9 | 40.1 | M10 | 0.86 | |
| UCFT206-18 | 1-1/8 | 141 | 116.7 | 17.9 | 13 | 30 | 12.5 | 83 | 38.1 | 15.9 | 40.1 | M10 | 0.86 | |
| UCFT206-19 | 1-3/16 | 141 | 116.7 | 17.9 | 13 | 30 | 12.5 | 83 | 38.1 | 15.9 | 40.1 | M10 | 0.86 | |
| UCFT206-20 | 1-1/4 | 141 | 116.7 | 17.9 | 13 | 30 | 12.5 | 83 | 38.1 | 15.9 | 40.1 | M10 | 0.86 | |
| UCFT207 | 35 | 156 | 130.2 | 19.1 | 14 | 34 | 14 | 95 | 42.9 | 17.5 | 44.5 | M12 | 1.31 | |
| UCFT207-20 | 1-1/4 | 156 | 130.2 | 19.1 | 14 | 34 | 14 | 95 | 42.9 | 17.5 | 44.5 | M12 | 1.31 | |
| UCFT207-21 | 1-5/6 | 156 | 130.2 | 19.1 | 14 | 34 | 14 | 95 | 42.9 | 17.5 | 44.5 | M12 | 1.31 | |
| UCFT207-22 | 1-3/8 | 156 | 130.2 | 19.1 | 14 | 34 | 14 | 95 | 42.9 | 17.5 | 44.5 | M12 | 1.31 | |
| UCFT207-23 | 1-7/16 | 156 | 130.2 | 19.1 | 14 | 34 | 14 | 95 | 42.9 | 17.5 | 44.5 | M12 | 1.31 | |
| UCFT208 | 40 | 171 | 143.7 | 21 | 14 | 38 | 14 | 105 | 49.2 | 19 | 51.2 | M12 | 1.53 | |
| UCFT208-24 | 1-1/2 | 171 | 143.7 | 21 | 14 | 38 | 14 | 105 | 49.2 | 19 | 51.2 | M12 | 1.53 | |
| UCFT208-25 | 1-9/16 | 171 | 143.7 | 21 | 14 | 38 | 14 | 105 | 49.2 | 19 | 51.2 | M12 | 1.53 | |
| UCFT209 | 45 | 179 | 148.4 | 21.8 | 14 | 40 | 16 | 111 | 49.2 | 19 | 52 | M14 | 1.73 | |
| UCFT209-26 | 1-5/8 | 179 | 148.4 | 21.8 | 14 | 40 | 16 | 111 | 49.2 | 19 | 52 | M14 | 1.73 | |
| UCFT209-27 | 1-11/16 | 179 | 148.4 | 21.8 | 14 | 40 | 16 | 111 | 49.2 | 19 | 52 | M14 | 1.73 | |
| UCFT209-28 | 1-3/4 | 179 | 148.4 | 21.8 | 14 | 40 | 16 | 111 | 49.2 | 19 | 52 | M14 | 1.73 | |
| UCFT210 | 50 | 189 | 157.2 | 22.2 | 14 | 40 | 16 | 116 | 51.6 | 19 | 54.8 | M14 | 2.28 | |
| UCFT210-29 | 1-13/16 | 189 | 157.2 | 22.2 | 14 | 40 | 16 | 116 | 51.6 | 19 | 54.8 | M14 | 2.28 | |
| UCFT210-30 | 1-7/8 | 189 | 157.2 | 22.2 | 14 | 40 | 16 | 116 | 51.6 | 19 | 54.8 | M14 | 2.28 | |
| UCFT210-31 | 1-15/16 | 189 | 157.2 | 22.2 | 14 | 40 | 16 | 116 | 51.6 | 19 | 54.8 | M14 | 2.28 | |
| UCFT210-32 | 2 | 189 | 157.2 | 22.2 | 14 | 40 | 16 | 116 | 51.6 | 19 | 54.8 | M14 | 2.28 | |
| UCFT211 | 55 | 216 | 184.2 | 25.4 | 21 | 44 | 18 | 133 | 55.6 | 22.2 | 58.8 | M16 | 2.72 | |
| UCFT211-32 | 2 | 216 | 184.2 | 25.4 | 21 | 44 | 18 | 133 | 55.6 | 22.2 | 58.8 | M16 | 2.72 | |
| UCFT211-33 | 2-1/16 | 216 | 184.2 | 25.4 | 21 | 44 | 18 | 133 | 55.6 | 22.2 | 58.8 | M16 | 2.72 | |
| UCFT211-34 | 2-1/8 | 216 | 184.2 | 25.4 | 21 | 44 | 18 | 133 | 55.6 | 22.2 | 58.8 | M16 | 2.72 | |
| UCFT211-35 | 2-3/16 | 216 | 184.2 | 25.4 | 21 | 44 | 18 | 133 | 55.6 | 22.2 | 58.8 | M16 | 2.72 | |

| Unit No. | Shaft Dia | Dimensions (mm) | Boit Size (mm) | Weight (kg) | ||||||||||
| d | H | J | A2 | A1 | A | N | L | B1 | S | Z | ||||
| (in) | (mm) | |||||||||||||
| UEFT204 | 20 | 112 | 89.7 | 14.3 | 11 | 25 | 10.5 | 60 | 33 | 12.7 | 34.6 | M8 | 0.51 | |
| UEFT204-12 | 3/4 | 112 | 89.7 | 14.3 | 11 | 25 | 10.5 | 60 | 33 | 12.7 | 34.6 | M8 | 0.51 | |
| UEFT205 | 25 | 124 | 98.8 | 15.9 | 13 | 27 | 12.5 | 70 | 35.4 | 14.3 | 36.9 | M10 | 0.72 | |
| UEFT205-13 | 13/16 | 124 | 98.8 | 15.9 | 13 | 27 | 12.5 | 70 | 35.4 | 14.3 | 36.9 | M10 | 0.72 | |
| UEFT205-14 | 7/8 | 124 | 98.8 | 15.9 | 13 | 27 | 12.5 | 70 | 35.4 | 14.3 | 36.9 | M10 | 0.72 | |
| UEFT205-15 | 15/16 | 124 | 98.8 | 15.9 | 13 | 27 | 12.5 | 70 | 35.4 | 14.3 | 36.9 | M10 | 0.72 | |
| UEFT205-16 | 1 | 124 | 98.8 | 15.9 | 13 | 27 | 12.5 | 70 | 35.4 | 14.3 | 36.9 | M10 | 0.72 | |
| UEFT206 | 30 | 141 | 116.7 | 17.9 | 13 | 30 | 12.5 | 83 | 39.8 | 15.9 | 41.8 | M10 | 1.04 | |
| UEFT206-17 | 1-1/16 | 141 | 116.7 | 17.9 | 13 | 30 | 12.5 | 83 | 39.8 | 15.9 | 41.8 | M10 | 1.04 | |
| UEFT206-18 | 1-1/8 | 141 | 116.7 | 17.9 | 13 | 30 | 12.5 | 83 | 39.8 | 15.9 | 41.8 | M10 | 1.04 | |
| UEFT206-19 | 1-3/16 | 141 | 116.7 | 17.9 | 13 | 30 | 12.5 | 83 | 39.8 | 15.9 | 41.8 | M10 | 1.04 | |
| UEFT206-20 | 1-1/4 | 141 | 116.7 | 17.9 | 13 | 30 | 12.5 | 83 | 39.8 | 15.9 | 41.8 | M10 | 1.04 | |
| UEFT207 | 35 | 156 | 130.2 | 19.1 | 14 | 34 | 14 | 95 | 43.9 | 17.5 | 45.5 | M12 | 1.48 | |
| UEFT207-20 | 1-1/4 | 156 | 130.2 | 19.1 | 14 | 34 | 14 | 95 | 43.9 | 17.5 | 45.5 | M12 | 1.48 | |
| UEFT207-21 | 1-5/6 | 156 | 130.2 | 19.1 | 14 | 34 | 14 | 95 | 43.9 | 17.5 | 45.5 | M12 | 1.48 | |
| UEFT207-22 | 1-3/8 | 156 | 130.2 | 19.1 | 14 | 34 | 14 | 95 | 43.9 | 17.5 | 45.5 | M12 | 1.48 | |
| UEFT207-23 | 1-7/16 | 156 | 130.2 | 19.1 | 14 | 34 | 14 | 95 | 43.9 | 17.5 | 45.5 | M12 | 1.48 | |
| UEFT208 | 40 | 171 | 143.7 | 21 | 14 | 38 | 14 | 105 | 50.2 | 19 | 52.2 | M12 | 1.86 | |
| UEFT208-24 | 1-1/2 | 171 | 143.7 | 21 | 14 | 38 | 14 | 105 | 50.2 | 19 | 52.2 | M12 | 1.86 | |
| UEFT208-25 | 1-9/16 | 171 | 143.7 | 21 | 14 | 38 | 14 | 105 | 50.2 | 19 | 52.2 | M12 | 1.86 | |
| UEFT209 | 45 | 179 | 148.4 | 21.8 | 14 | 40 | 16 | 111 | 50.2 | 19 | 53 | M14 | 2.14 | |
| UEFT209-26 | 1-5/8 | 179 | 148.4 | 21.8 | 14 | 40 | 16 | 111 | 50.2 | 19 | 53 | M14 | 2.14 | |
| UEFT209-27 | 1-11/16 | 179 | 148.4 | 21.8 | 14 | 40 | 16 | 111 | 50.2 | 19 | 53 | M14 | 2.14 | |
| UEFT209-28 | 1-3/4 | 179 | 148.4 | 21.8 | 14 | 40 | 16 | 111 | 50.2 | 19 | 53 | M14 | 2.14 | |
| UEFT210 | 50 | 189 | 157.2 | 22.2 | 14 | 40 | 16 | 116 | 52.6 | 19 | 55.8 | M14 | 2.26 | |
| UEFT210-29 | 1-13/16 | 189 | 157.2 | 22.2 | 14 | 40 | 16 | 116 | 52.6 | 19 | 55.8 | M14 | 2.26 | |
| UEFT210-30 | 1-7/8 | 189 | 157.2 | 22.2 | 14 | 40 | 16 | 116 | 52.6 | 19 | 55.8 | M14 | 2.26 | |
| UEFT210-31 | 1-15/16 | 189 | 157.2 | 22.2 | 14 | 40 | 16 | 116 | 52.6 | 19 | 55.8 | M14 | 2.26 | |
| UEFT210-32 | 2 | 189 | 157.2 | 22.2 | 14 | 40 | 16 | 116 | 52.6 | 19 | 55.8 | M14 | 2.26 | |
| UEFT211 | 55 | 216 | 184.2 | 25.4 | 21 | 44 | 18 | 133 | 56.6 | 22.2 | 59.8 | M16 | 3.31 | |
| UEFT211-32 | 2 | 216 | 184.2 | 25.4 | 21 | 44 | 18 | 133 | 56.6 | 22.2 | 59.8 | M16 | 3.31 | |
| UEFT211-33 | 2-1/16 | 216 | 184.2 | 25.4 | 21 | 44 | 18 | 133 | 56.6 | 22.2 | 59.8 | M16 | 3.31 | |
| UEFT211-34 | 2-1/8 | 216 | 184.2 | 25.4 | 21 | 44 | 18 | 133 | 56.6 | 22.2 | 59.8 | M16 | 3.31 | |
| UEFT211-35 | 2-3/16 | 216 | 184.2 | 25.4 | 21 | 44 | 18 | 133 | 56.6 | 22.2 | 59.8 | M16 | 3.31 | |

| Unit No. | Shaft Dia | Dimensions(mm) | Bolt Size (mm) | Weight | ||||||||||
| d | H | J | A2 | A1 | A | N | L | B | s | z | (kg) | |||
| (in) | (mm) | |||||||||||||
| SBLF201 | 12 | 81 | 63.5 | 9.5 | 9.5 | 18 | 8 | 56 | 22 | 6 | 25.5 | M6 | 0.27 | |
| SBLF201-8 | 1/2 | 81 | 63.5 | 9.5 | 9.5 | 18 | 8 | 56 | 22 | 6 | 25.5 | M6 | 0.27 | |
| SBLF202 | 15 | 81 | 63.5 | 9.5 | 9.5 | 18 | 8 | 56 | 22 | 6 | 25.5 | M6 | 0.25 | |
| SBLF202-9 | 9/16 | 81 | 63.5 | 9.5 | 9.5 | 18 | 8 | 56 | 22 | 6 | 25.5 | M6 | 0.25 | |
| SBLF202-10 | 5/8 | 81 | 63.5 | 9.5 | 9.5 | 18 | 8 | 56 | 22 | 6 | 25.5 | M6 | 0.25 | |
| SBLF203 | 17 | 81 | 63.5 | 9.5 | 9.5 | 18 | 8 | 56 | 22 | 6 | 25.5 | M6 | 0.25 | |
| SBLF203-11 | 11/16 | 81 | 63.5 | 9.5 | 9.5 | 18 | 8 | 56 | 22 | 6 | 25.5 | M6 | 0.25 | |
| SBLF204 | 20 | 90 | 71.5 | 11 | 11 | 20 | 10 | 61 | 25 | 7 | 29 | M8 | 0.33 | |
| SBLF204-12 | 3/4 | 90 | 71.5 | 11 | 11 | 20 | 10 | 61 | 25 | 7 | 29 | M8 | 0.33 | |
| SBLF205 | 25 | 95 | 76 | 11 | 11 | 20 | 10 | 64 | 27 | 7.5 | 30.5 | M8 | 0.38 | |
| SBLF205-14 | 7/8 | 95 | 76 | 11 | 11 | 20 | 10 | 64 | 27 | 7.5 | 30.5 | M8 | 0.38 | |
| SBLF205-15 | 15/16 | 95 | 76 | 11 | 11 | 20 | 10 | 64 | 27 | 7.5 | 30.5 | M8 | 0.38 | |
| SBLF205-16 | 1 | 95 | 76 | 11 | 11 | 20 | 10 | 64 | 27 | 7.5 | 30.5 | M8 | 0.38 | |
| SBLF206 | 30 | 113 | 90.5 | 12 | 12 | 22.5 | 12 | 76 | 30 | 8 | 34 | M10 | 0.56 | |
| SBLF206-17 | 1-11/16 | 113 | 90.5 | 12 | 12 | 22.5 | 12 | 76 | 30 | 8 | 34 | M10 | 0.56 | |
| SBLF206-18 | 1-1/8 | 113 | 90.5 | 12 | 12 | 22.5 | 12 | 76 | 30 | 8 | 34 | M10 | 0.56 | |
| SBLF206-19 | 1-3/16 | 113 | 90.5 | 12 | 12 | 22.5 | 12 | 76 | 30 | 8 | 34 | M10 | 0.56 | |
| SBLF206-20 | 1-1/4 | 113 | 90.5 | 12 | 12 | 22.5 | 12 | 76 | 30 | 8 | 34 | M10 | 0.56 | |
| SBLF207 | 35 | 122 | 100 | 13 | 13 | 24 | 12 | 89 | 32 | 8.5 | 36.5 | M10 | 0.8 | |
| SBLF207-20 | 1-1/4 | 122 | 100 | 13 | 13 | 24 | 12 | 89 | 32 | 8.5 | 36.5 | M10 | 0.8 | |
| SBLF207-21 | 1-5/16 | 122 | 100 | 13 | 13 | 24 | 12 | 89 | 32 | 8.5 | 36.5 | M10 | 0.8 | |
| SBLF207-22 | 1-3/8 | 122 | 100 | 13 | 13 | 24 | 12 | 89 | 32 | 8.5 | 36.5 | M10 | 0.8 | |
| SBLF207-23 | 1-7/16 | 122 | 100 | 13 | 13 | 24 | 12 | 89 | 32 | 8.5 | 36.5 | M10 | 0.8 | |
| SBLF208 | 40 | 150 | 119 | 13.5 | 13 | 25 | 14 | 106 | 34 | 9 | 38.5 | M12 | 1.48 | |
| SBLF208-24 | 1-1/2 | 150 | 119 | 13.5 | 13 | 25 | 14 | 106 | 34 | 9 | 38.5 | M12 | 1.48 | |
| SBLF208-25 | 1-9/16 | 150 | 119 | 13.5 | 13 | 25 | 14 | 106 | 34 | 9 | 38.5 | M12 | 1.48 | |
| Unit No. | Shaft Dia | Dimensions(mm) | Bolt Size (mm) | Weight (kg) | ||||||||||||
| d | H | J | A2 | A1 | A | N | L | B1 | B | s | Z | d1 | ||||
| (in) | (mm) | |||||||||||||||
| SALF201 | 12 | 81 | 63.5 | 9.5 | 9.5 | 18 | 8 | 56 | 28.6 | 19.1 | 6 | 32.1 | 28.6 | M6 | 0.28 | |
| SALF201-8 | 1/2 | 81 | 63.5 | 9.5 | 9.5 | 18 | 8 | 56 | 28.6 | 19.1 | 6 | 32.1 | 28.6 | M6 | 0.28 | |
| SALF202 | 15 | 81 | 63.5 | 9.5 | 9.5 | 18 | 8 | 56 | 28.6 | 19.1 | 6 | 32.1 | 28.6 | MS | 0.28 | |
| SALF202-9 | 9/16 | 81 | 63.5 | 9.5 | 9.5 | 18 | 8 | 56 | 28.6 | 19.1 | 6 | 32.1 | 28.6 | MS | 0.28 | |
| SALF202-10 | 5/8 | 81 | 63.5 | 9.5 | 9.5 | 18 | 8 | 56 | 28.6 | 19.1 | 6 | 32.1 | 28.6 | MS | 0.28 | |
| SALF203 | 17 | 81 | 63.5 | 9.5 | 9.5 | 18 | 8 | 56 | 28.6 | 19.1 | 6 | 32.1 | 28.6 | M6 | 0.28 | |
| SALF203-11 | 11/16 | 81 | 63.5 | 9.5 | 9.5 | 18 | 8 | 56 | 28.6 | 19.1 | 6 | 32.1 | 28.6 | M6 | 0.28 | |
| SALF204 | 20 | 90 | 71.5 | 11 | 11 | 20 | 10 | 61 | 31 | 21.5 | 7 | 35 | 33.3 | M8 | 0.33 | |
| SALF204-12 | 3/4 | 90 | 71.5 | 11 | 11 | 20 | 10 | 61 | 31 | 21.5 | 7 | 35 | 33.3 | M8 | 0.33 | |
| SALF205 | 25 | 95 | 76 | 11 | 11 | 20 | 10 | 64 | 31.5 | 22 | 7.5 | 35 | 38.1 | M8 | 0.42 | |
| SALF205-14 | 7/8 | 95 | 76 | 11 | 11 | 20 | 10 | 64 | 31.5 | 22 | 7.5 | 35 | 38.1 | M8 | 0.42 | |
| SALF205-15 | 15/16 | 95 | 76 | 11 | 11 | 20 | 10 | 64 | 31.5 | 22 | 7.5 | 35 | 38.1 | M8 | 0.42 | |
| SALF205-16 | 1 | 95 | 76 | 11 | 11 | 20 | 10 | 64 | 31.5 | 22 | 7.5 | 35 | 38.1 | M8 | 0.42 | |
| SALF206 | 30 | 113 | 90.5 | 12 | 12 | 22.5 | 12 | 76 | 35.7 | 23.8 | 8 | 39.7 | 44.5 | M10 | 0.6 | |
| SALF206-17 | 1-11/16 | 113 | 90.5 | 12 | 12 | 22.5 | 12 | 76 | 35.7 | 23.8 | 8 | 39.7 | 44.5 | M10 | 0.6 | |
| SALF206-18 | 1-1/8 | 113 | 90.5 | 12 | 12 | 22.5 | 12 | 76 | 35.7 | 23.8 | 8 | 39.7 | 44.5 | M10 | 0.6 | |
| SALF206-19 | 1-3/16 | 113 | 90.5 | 12 | 12 | 22.5 | 12 | 76 | 35.7 | 23.8 | 8 | 39.7 | 44.5 | M10 | 0.6 | |
| SALF206-20 | 1-1/4 | 113 | 90.5 | 12 | 12 | 22.5 | 12 | 76 | 35.7 | 23.8 | 8 | 39.7 | 44.5 | M10 | 0.6 | |
| SALF207 | 35 | 122 | 100 | 13 | 13 | 24 | 12 | 89 | 38.9 | 25.4 | 8.5 | 43.4 | 55.6 | M10 | 0.85 | |
| SALF207-20 | 1-1/4 | 122 | 100 | 13 | 13 | 24 | 12 | 89 | 38.9 | 25.4 | 8.5 | 43.4 | 55.6 | M10 | 0.85 | |
| SALF207-21 | 1-5/16 | 122 | 100 | 13 | 13 | 24 | 12 | 89 | 38.9 | 25.4 | 8.5 | 43.4 | 55.6 | M10 | 0.85 | |
| SALF207-22 | 1-3/8 | 122 | 100 | 13 | 13 | 24 | 12 | 89 | 38.9 | 25.4 | 8.5 | 43.4 | 55.6 | M10 | 0.85 | |
| SALF207-23 | 1-7/16 | 122 | 100 | 13 | 13 | 24 | 12 | 89 | 38.9 | 25.4 | 8.5 | 43.4 | 55.6 | M10 | 0.85 | |
| SALF208 | 40 | 150 | 119 | 13.5 | 13 | 25 | 14 | 106 | 43.7 | 30.2 | 9 | 48.2 | 60.3 | M12 | 1.48 | |
| SALF208-24 | 1-1/2 | 150 | 119 | 13.5 | 13 | 25 | 14 | 106 | 43.7 | 30.2 | 9 | 48.2 | 60.3 | M12 | 1.48 | |
| SALF208-25 | 1-9/16 | 150 | 119 | 13.5 | 13 | 25 | 14 | 106 | 43.7 | 30.2 | 9 | 48.2 | 60.3 | M12 | 1.48 | |

| Unit No. | Shaft Dia | Dimensions) mm) | Bolt Size (mm) | Weight (kg) | |||||||||
| d | H | J | A2 | A | N | L | B | S | z | ||||
| (in) | (mm) | ||||||||||||
| SBFW201 | 12 | 81 | 63.5 | 8.5 | 15 | 7 | 59 | 22 | 6 | 24.5 | M6 | 0.28 | |
| SBFW201-8 | 1/2 | 81 | 63.5 | 8.5 | 15 | 7 | 59 | 22 | 6 | 24.5 | M6 | 0.28 | |
| SBFW202 | 15 | 81 | 63.5 | 8.5 | 15 | 7 | 59 | 22 | 6 | 24.5 | M6 | 0.27 | |
| SBFW202-9 | 9/16 | 81 | 63.5 | 8.5 | 15 | 7 | 59 | 22 | 6 | 24.5 | M6 | 0.27 | |
| SBFW202-10 | 5/8 | 81 | 63.5 | 8.5 | 15 | 7 | 59 | 22 | 6 | 24.5 | M6 | 0.27 | |
| SBFW203 | 17 | 81 | 63.5 | 8.5 | 15 | 7 | 59 | 22 | 6 | 24.5 | M6 | 0.26 | |
| SBFW203-11 | 11/16 | 81 | 63.5 | 8.5 | 15 | 7 | 59 | 22 | 6 | 24.5 | M6 | 0.26 | |
| SBFW204 | 20 | 90 | 71 | 9.5 | 17 | 9 | 67 | 25 | 7 | 27.5 | M8 | 0.37 | |
| SBFW204-12 | 3/4 | 90 | 71 | 9.5 | 17 | 9 | 67 | 25 | 7 | 27.5 | M8 | 0.37 | |
| SBFW205 | 25 | 95 | 76 | 9.5 | 17.5 | 9 | 71 | 27 | 7.5 | 29 | M8 | 0.44 | |
| SBFW205-14 | 7/8 | 95 | 76 | 9.5 | 17.5 | 9 | 71 | 27 | 7.5 | 29 | M8 | 0.44 | |
| SBFW205-15 | 15/16 | 95 | 76 | 9.5 | 17.5 | 9 | 71 | 27 | 7.5 | 29 | M8 | 0.44 | |
| SBFW205-16 | 1 | 95 | 76 | 9.5 | 17.5 | 9 | 71 | 27 | 7.5 | 29 | M8 | 0.44 | |
| SBFW206 | 30 | 113 | 90 | 12 | 20.5 | 12 | 84 | 30 | 8 | 34 | M10 | 0.7 | |
| SBFW206-17 | 1-1/16 | 113 | 90 | 12 | 20.5 | 12 | 84 | 30 | 8 | 34 | M10 | 0.7 | |
| SBFW206-18 | 1-1/8 | 113 | 90 | 12 | 20.5 | 12 | 84 | 30 | 8 | 34 | M10 | 0.7 | |
| SBFW206-19 | 1-3/16 | 113 | 90 | 12 | 20.5 | 12 | 84 | 30 | 8 | 34 | M10 | 0.7 | |
| SBFW206-20 | 1-1/4 | 113 | 90 | 12 | 20.5 | 12 | 84 | 30 | 8 | 34 | M10 | 0.7 | |
| SBFW207 | 35 | 125 | 100 | 12.5 | 22 | 12 | 93 | 32 | 8.5 | 36 | M10 | 0.91 | |
| SBFW207-20 | 1-1/4 | 125 | 100 | 12.5 | 22 | 12 | 93 | 32 | 8.5 | 36 | M10 | 0.91 | |
| SBFW207-21 | 1-5/16 | 125 | 100 | 12.5 | 22 | 12 | 93 | 32 | 8.5 | 36 | M10 | 0.91 | |
| SBFW207-22 | 1-3/8 | 125 | 100 | 12.5 | 22 | 12 | 93 | 32 | 8.5 | 36 | M10 | 0.91 | |
| SBFW207-23 | 1-7/16 | 125 | 100 | 12.5 | 22 | 12 | 93 | 32 | 8.5 | 36 | M10 | 0.91 | |
| SBFW208 | 40 | 148 | 119 | 14.5 | 25 | 13.5 | 104 | 34 | 9 | 39.9 | M12 | 1.2 | |
| SBFW208-24 | 1-1/2 | 148 | 119 | 14.5 | 25 | 13.5 | 104 | 34 | 9 | 39.9 | M12 | 1.2 | |
| SBFW208-25 | 1-9/16 | 148 | 119 | 14.5 | 25 | 13.5 | 104 | 34 | 9 | 39.9 | M12 | 1.2 | |
| Unit No. | Shaft Dia | Dimensions(mm) | Bolt Size (mm) | Weight (kg) | ||||||||||
| d | H | J | A2 | A | N | L | B1 | B | S | Z | ||||
| (in) | (mm) | |||||||||||||
| SAFW201 | 12 | 81 | 63.5 | 8.5 | 15 | 7 | 59 | 28.6 | 19.1 | 6 | 31.1 | M6 | 0.28 | |
| SAFW201-8 | 1/2 | 81 | 63.5 | 8.5 | 15 | 7 | 59 | 28.6 | 19.1 | 6 | 31.1 | M6 | 0.28 | |
| SAFW202 | 15 | 81 | 63.5 | 8.5 | 15 | 7 | 59 | 28.6 | 19.1 | 6 | 31.1 | M6 | 0.27 | |
| SAFW202-9 | 9/16 | 81 | 63.5 | 8.5 | 15 | 7 | 59 | 28.6 | 19.1 | 6 | 31.1 | M6 | 0.27 | |
| SAFW202-10 | 5/8 | 81 | 63.5 | 8.5 | 15 | 7 | 59 | 28.6 | 19.1 | 6 | 31.1 | M6 | 0.27 | |
| SAFW203 | 17 | 81 | 63.5 | 8.5 | 15 | 7 | 59 | 28.6 | 22 | 6 | 31.1 | M6 | 0.26 | |
| SAFW203-11 | 11/16 | 81 | 63.5 | 8.5 | 15 | 7 | 59 | 28.6 | 22 | 6 | 31.1 | M6 | 0.26 | |
| SAFW204 | 20 | 90 | 71 | 9.5 | 17 | 9 | 67 | 31 | 21.5 | 7 | 33.5 | M8 | 0.37 | |
| SAFW204-12 | 3/4 | 90 | 71 | 9.5 | 17 | 9 | 67 | 31 | 21.5 | 7 | 33.5 | M8 | 0.37 | |
| SAFW205 | 25 | 95 | 76 | 9.5 | 17.5 | 9 | 71 | 31.5 | 22 | 7.5 | 33.5 | M8 | 0.44 | |
| SAFW205-14 | 7/8 | 95 | 76 | 9.5 | 17.5 | 9 | 71 | 31.5 | 22 | 7.5 | 33.5 | M8 | 0.44 | |
| SAFW205-15 | 15/16 | 95 | 76 | 9.5 | 17.5 | 9 | 71 | 31.5 | 22 | 7.5 | 33.5 | M8 | 0.44 | |
| SAFW205-16 | 1 | 95 | 76 | 9.5 | 17.5 | 9 | 71 | 31.5 | 22 | 7.5 | 33.5 | M8 | 0.44 | |
| SAFW206 | 30 | 113 | 90 | 12 | 20.5 | 12 | 84 | 35.7 | 23.8 | 8 | 39.7 | M10 | 0.7 | |
| SAFW206-17 | 1-1/16 | 113 | 90 | 12 | 20.5 | 12 | 84 | 35.7 | 23.8 | 8 | 39.7 | M10 | 0.7 | |
| SAFW206-18 | 1-1/8 | 113 | 90 | 12 | 20.5 | 12 | 84 | 35.7 | 23.8 | 8 | 39.7 | M10 | 0.7 | |
| SAFW206-19 | 1-3/16 | 113 | 90 | 12 | 20.5 | 12 | 84 | 35.7 | 23.8 | 8 | 39.7 | M10 | 0.7 | |
| SAFW206-20 | 1-1/4 | 113 | 90 | 12 | 20.5 | 12 | 84 | 35.7 | 23.8 | 8 | 39.7 | M10 | 0.7 | |
| SAFW207 | 35 | 125 | 100 | 12.5 | 22 | 12 | 93 | 38.9 | 25.4 | 8.5 | 42.9 | M10 | 0.91 | |
| SAFW207-20 | 1-1/4 | 125 | 100 | 12.5 | 22 | 12 | 93 | 38.9 | 25.4 | 8.5 | 42.9 | M10 | 0.91 | |
| SAFW207-21 | 1-5/16 | 125 | 100 | 12.5 | 22 | 12 | 93 | 38.9 | 25.4 | 8.5 | 42.9 | M10 | 0.91 | |
| SAFW207-22 | 1-3/8 | 125 | 100 | 12.5 | 22 | 12 | 93 | 38.9 | 25.4 | 8.5 | 42.9 | M10 | 0.91 | |
| SAFW207-23 | 1-7/16 | 125 | 100 | 12.5 | 22 | 12 | 93 | 38.9 | 25.4 | 8.5 | 42.9 | M10 | 0.91 | |
| SAFW208 | 40 | 148 | 119 | 14.5 | 25 | 13.5 | 104 | 43.7 | 30.2 | 9 | 49.2 | M12 | 1.2 | |
| SAFW208-24 | 1-1/2 | 148 | 119 | 14.5 | 25 | 13.5 | 104 | 43.7 | 30.2 | 9 | 49.2 | M12 | 1.2 | |
| SAFW208-25 | 1-9/16 | 148 | 119 | 14.5 | 25 | 13.5 | 104 | 43.7 | 30.2 | 9 | 49.2 | M12 | 1.2 | |

| Unit No. | Shaft Dia | Dimensions(mm) | Bolt Size (mm) | Weight (kg) | |||||||||
| d | H | J | A2 | A | N | L | B | S | z | ||||
| (in) | (mm) | ||||||||||||
| SBFD201 | 12 | 81 | 63.5 | 8.5 | 15 | 7 | 59 | 22 | 6 | 24.5 | M6 | 0.28 | |
| SBFD201-8 | 1/2 | 81 | 63.5 | 8.5 | 15 | 7 | 59 | 22 | 6 | 24.5 | M6 | 0.28 | |
| SBFD202 | 15 | 81 | 63.5 | 8.5 | 15 | 7 | 59 | 22 | 6 | 24.5 | M6 | 0.27 | |
| SBFD202-9 | 9/16 | 81 | 63.5 | 8.5 | 15 | 7 | 59 | 22 | 6 | 24.5 | M6 | 0.27 | |
| SBFD202-10 | 5/8 | 81 | 63.5 | 8.5 | 15 | 7 | 59 | 22 | 6 | 24.5 | M6 | 0.27 | |
| SBFD203 | 17 | 81 | 63.5 | 8.5 | 15 | 7 | 59 | 22 | 6 | 24.5 | M6 | 0.26 | |
| SBFD203-11 | 11/16 | 81 | 63.5 | 8.5 | 15 | 7 | 59 | 22 | 6 | 24.5 | M6 | 0.26 | |
| SBFD204 | 20 | 90 | 71 | 9.5 | 17 | 9 | 67 | 25 | 7 | 27.5 | M8 | 0.37 | |
| SBFD204-12 | 3/4 | 90 | 71 | 9.5 | 17 | 9 | 67 | 25 | 7 | 27.5 | M8 | 0.37 | |
| SBFD205 | 25 | 95 | 76 | 9.5 | 17.5 | 9 | 71 | 27 | 7.5 | 29 | M8 | 0.44 | |
| SBFD205-14 | 7/8 | 95 | 76 | 9.5 | 17.5 | 9 | 71 | 27 | 7.5 | 29 | M8 | 0.44 | |
| SBFD205-15 | 15/16 | 95 | 76 | 9.5 | 17.5 | 9 | 71 | 27 | 7.5 | 29 | M8 | 0.44 | |
| SBFD205-16 | 1 | 95 | 76 | 9.5 | 17.5 | 9 | 71 | 27 | 7.5 | 29 | M8 | 0.44 | |
| SBFD206 | 30 | 113 | 90 | 12 | 20.5 | 12 | 84 | 30 | 8 | 34 | M10 | 0.7 | |
| SBFD206-17 | 1-1/16 | 113 | 90 | 12 | 20.5 | 12 | 84 | 30 | 8 | 34 | M10 | 0.7 | |
| SBFD206-18 | 1-1/8 | 113 | 90 | 12 | 20.5 | 12 | 84 | 30 | 8 | 34 | M10 | 0.7 | |
| SBFD206-19 | 1-3/16 | 113 | 90 | 12 | 20.5 | 12 | 84 | 30 | 8 | 34 | M10 | 0.7 | |
| SBFD206-20 | 1-1/4 | 113 | 90 | 12 | 20.5 | 12 | 84 | 30 | 8 | 34 | M10 | 0.7 | |
| SBFD207 | 35 | 125 | 100 | 12.5 | 22 | 12 | 93 | 32 | 8.5 | 36 | M10 | 0.91 | |
| SBFD207-20 | 1-1/4 | 125 | 100 | 12.5 | 22 | 12 | 93 | 32 | 8.5 | 36 | M10 | 0.91 | |
| SBFD207-21 | 1-5/16 | 125 | 100 | 12.5 | 22 | 12 | 93 | 32 | 8.5 | 36 | M10 | 0.91 | |
| SBFD207-22 | 1-3/8 | 125 | 100 | 12.5 | 22 | 12 | 93 | 32 | 8.5 | 36 | M10 | 0.91 | |
| SBFD207-23 | 1-7/16 | 125 | 100 | 12.5 | 22 | 12 | 93 | 32 | 8.5 | 36 | M10 | 0.91 | |
| SBFD208 | 40 | 148 | 119 | 14.5 | 25 | 13.5 | 104 | 34 | 9 | 39.5 | M12 | 1.2 | |
| SBFD208-24 | 1-1/2 | 148 | 119 | 14.5 | 25 | 13.5 | 104 | 34 | 9 | 39.5 | M12 | 1.2 | |
| SBFD208-25 | 1-9/16 | 148 | 119 | 14.5 | 25 | 13.5 | 104 | 34 | 9 | 39.5 | M12 | 1.2 | |
| Unit No. | Shaft Dia | Dimensions(mm) | Bolt Size (mm) | Weight (kg) | ||||||||||
| d | H | J | A2 | A | N | L | B1 | B | S | Z | ||||
| (in) | (mm) | |||||||||||||
| SAFD201 | 12 | 81 | 63.5 | 8.5 | 15 | 7 | 59 | 28.6 | 19.1 | 6 | 31.1 | M6 | 0.28 | |
| SAFD201-8 | 1/2 | 81 | 63.5 | 8.5 | 15 | 7 | 59 | 28.6 | 19.1 | 6 | 31.1 | M6 | 0.28 | |
| SAFD202 | 15 | 81 | 63.5 | 8.5 | 15 | 7 | 59 | 28.6 | 19.1 | 6 | 31.1 | M6 | 0.27 | |
| SAFD202-9 | 9/16 | 81 | 63.5 | 8.5 | 15 | 7 | 59 | 28.6 | 19.1 | 6 | 31.1 | M6 | 0.27 | |
| SAFD202-10 | 5/8 | 81 | 63.5 | 8.5 | 15 | 7 | 59 | 28.6 | 19.1 | 6 | 31.1 | M6 | 0.27 | |
| SAFD203 | 17 | 81 | 63.5 | 8.5 | 15 | 7 | 59 | 28.6 | 19.1 | 6 | 31.1 | M6 | 0.26 | |
| SAFD203-11 | 11/16 | 81 | 63.5 | 8.5 | 15 | 7 | 59 | 28.6 | 19.1 | 6 | 31.1 | M6 | 0.26 | |
| SAFD204 | 20 | 90 | 71 | 9.5 | 17 | 9 | 67 | 31 | 21.5 | 7 | 33.5 | M8 | 0.37 | |
| SAFD204-12 | 3/4 | 90 | 71 | 9.5 | 17 | 9 | 67 | 31 | 21.5 | 7 | 33.5 | M8 | 0.37 | |
| SAFD205 | 25 | 95 | 76 | 9.5 | 17.5 | 9 | 71 | 31.5 | 22 | 7.5 | 33.5 | M8 | 0.44 | |
| SAFD205-14 | 7/8 | 95 | 76 | 9.5 | 17.5 | 9 | 71 | 31.5 | 22 | 7.5 | 33.5 | M8 | 0.44 | |
| SAFD205-15 | 15/16 | 95 | 76 | 9.5 | 17.5 | 9 | 71 | 31.5 | 22 | 7.5 | 33.5 | M8 | 0.44 | |
| SAFD205-16 | 1 | 95 | 76 | 9.5 | 17.5 | 9 | 71 | 31.5 | 22 | 7.5 | 33.5 | M8 | 0.44 | |
| SAFD206 | 30 | 113 | 90 | 12 | 20.5 | 12 | 84 | 35.7 | 23.8 | 8 | 39.7 | M10 | 0.7 | |
| SAFD206-17 | 1-1/16 | 113 | 90 | 12 | 20.5 | 12 | 84 | 35.7 | 23.8 | 8 | 39.7 | M10 | 0.7 | |
| SAFD206-18 | 1-1/8 | 113 | 90 | 12 | 20.5 | 12 | 84 | 35.7 | 23.8 | 8 | 39.7 | M10 | 0.7 | |
| SAFD206-19 | 1-3/16 | 113 | 90 | 12 | 20.5 | 12 | 84 | 35.7 | 23.8 | 8 | 39.7 | M10 | 0.7 | |
| SAFD206-20 | 1-1/4 | 113 | 90 | 12 | 20.5 | 12 | 84 | 35.7 | 23.8 | 8 | 39.7 | M10 | 0.7 | |
| SAFD207 | 35 | 125 | 100 | 12.5 | 22 | 12 | 93 | 38.9 | 25.4 | 8.5 | 42.9 | M10 | 0.91 | |
| SAFD207-20 | 1-1/4 | 125 | 100 | 12.5 | 22 | 12 | 93 | 38.9 | 25.4 | 8.5 | 42.9 | M10 | 0.91 | |
| SAFD207-21 | 1-5/16 | 125 | 100 | 12.5 | 22 | 12 | 93 | 38.9 | 25.4 | 8.5 | 42.9 | M10 | 0.91 | |
| SAFD207-22 | 1-3/8 | 125 | 100 | 12.5 | 22 | 12 | 93 | 38.9 | 25.4 | 8.5 | 42.9 | M10 | 0.91 | |
| SAFD207-23 | 1-7/16 | 125 | 100 | 12.5 | 22 | 12 | 93 | 38.9 | 25.4 | 8.5 | 42.9 | M10 | 0.91 | |
| SAFD208 | 40 | 148 | 119 | 14.5 | 25 | 13.5 | 104 | 43.7 | 30.2 | 9 | 49.2 | M12 | 1.2 | |
| SAFD208-24 | 1-1/2 | 148 | 119 | 14.5 | 25 | 13.5 | 104 | 43.7 | 30.2 | 9 | 49.2 | M12 | 1.2 | |
| SAFD208-25 | 1-9/16 | 148 | 119 | 14.5 | 25 | 13.5 | 104 | 43.7 | 30.2 | 9 | 49.2 | M12 | 1.2 | |

| Unit No. | Shaft Dia | Dimensions (mm) | Bolt Size | Weight | |||||||||||
| d | H | J | L | A2 | A | A1 | N | s | B | z | (mm) | (in) | (kg) | ||
| (in) | (mm) | ||||||||||||||
| SBPFTD201 | 12 | 81 | 63.5 | 56 | 9 | 18 | 9 | 8.7 | 6 | 22 | 25 | M8 | 5/16 | 0.23 | |
| SBPFTD201-8 | 1/2 | 81 | 63.5 | 56 | 9 | 18 | 9 | 8.7 | 6 | 22 | 25 | M8 | 5/16 | 0.23 | |
| SBPFTD202 | 15 | 81 | 63.5 | 56 | 9 | 18 | 9 | 8.7 | 6 | 22 | 25 | M8 | 5/16 | 0.23 | |
| SBPFTD202-10 | 5/8 | 81 | 63.5 | 56 | 9 | 18 | 9 | 8.7 | 6 | 22 | 25 | M8 | 5/16 | 0.23 | |
| SBPFTD203 | 17 | 81 | 63.5 | 56 | 9 | 18 | 9 | 8.7 | 6 | 22 | 25 | M8 | 5/16 | 0.23 | |
| SBPFTD203-11 | 11/16 | 81 | 63.5 | 56 | 9 | 18 | 9 | 8.7 | 6 | 22 | 25 | M8 | 5/16 | 0.23 | |
| SBPFTD204-12 | 20 | 91 | 71.5 | 63 | 10.2 | 20 | 10.2 | 8.7 | 7 | 25 | 28.2 | M8 | 5/16 | 0.27 | |
| SBPFTD204 | 3/4 | 91 | 71.5 | 63 | 10.2 | 20 | 10.2 | 8.7 | 7 | 25 | 28.2 | M8 | 5/16 | 0.27 | |
| SBPFTD205-14 | 7/8 | 96 | 76.2 | 69 | 10.5 | 19 | 8.7 | 8.7 | 7.5 | 27 | 28.2 | M8 | 5/16 | 0.38 | |
| SBPFTD205-15 | 15/16 | 96 | 76.2 | 69 | 10.5 | 19 | 8.7 | 8.7 | 7.5 | 27 | 28.2 | M8 | 5/16 | 0.38 | |
| SBPFTD205 | 25 | 96 | 76.2 | 69 | 10.5 | 19 | 8.7 | 8.7 | 7.5 | 27 | 28.2 | M8 | 5/16 | 0.38 | |
| SBPFTD205-16 | 1 | 96 | 76.2 | 69 | 10.5 | 19 | 8.7 | 8.7 | 7.5 | 27 | 28.2 | M8 | 5/16 | 0.38 | |
| SBPFTD206-18 | 1-1/8 | 113 | 90.5 | 79 | 11.5 | 22 | 11.5 | 10.3 | 8 | 30 | 33.5 | M10 | 3/8 | 0.54 | |
| SBPFTD206 | 30 | 113 | 90.5 | 79 | 11.5 | 22 | 11.5 | 10.3 | 8 | 30 | 33.5 | M10 | 3/8 | 0.54 | |
| SBPFTD206-19 | 1-3/16 | 113 | 90.5 | 79 | 11.5 | 22 | 11.5 | 10.3 | 8 | 30 | 33.5 | M10 | 3/8 | 0.54 | |
| SBPFTD206-20 | 1-1/4 | 113 | 90.5 | 79 | 11.5 | 22 | 11.5 | 10.3 | 8 | 30 | 33.5 | M10 | 3/8 | 0.54 | |
| SBPFTD207-20 | 1-1/4 | 122.5 | 100 | 89 | 12.7 | 23.8 | 11.8 | 10.3 | 8.5 | 32 | 35.3 | M10 | 3/8 | 0.71 | |
| SBPFTD207-21 | 1-5/16 | 122.5 | 100 | 89 | 12.7 | 23.8 | 11.8 | 10.3 | 8.5 | 32 | 35.3 | M10 | 3/8 | 0.71 | |
| SBPFTD207-22 | 1-3/8 | 122.5 | 100 | 89 | 12.7 | 23.8 | 11.8 | 10.3 | 8.5 | 32 | 35.3 | M10 | 3/8 | 0.71 | |
| SBPFTD207 | 35 | 122.5 | 100 | 89 | 12.7 | 23.8 | 11.8 | 10.3 | 8.5 | 32 | 35.3 | M10 | 3/8 | 0.71 | |
| SBPFTD207-23 | 1-7/16 | 122.5 | 100 | 89 | 12.7 | 23.8 | 11.8 | 10.3 | 8.5 | 32 | 35.3 | M10 | 3/8 | 0.71 | |
| Unit No. | Shaft Dia | Dimensions (mm) | Bolt Size | Weight (kg) | ||||||||||||
| d | H | J | L | A2 | A | A1 | N | s | B | B1 | Z | (mm) | (in) | |||
| (in) | (mm) | |||||||||||||||
| SAPFTD201 | 12 | 81 | 63.5 | 56 | 9 | 18 | 9 | 8.7 | 6.5 | 19.1 | 28.6 | 31.1 | M8 | 5/16 | 0.26 | |
| SAPFTD201-8 | 1/2 | 81 | 63.5 | 56 | 9 | 18 | 9 | 8.7 | 6.5 | 19.1 | 28.6 | 31.1 | M8 | 5/16 | 0.26 | |
| SAPFTD202 | 15 | 81 | 63.5 | 56 | 9 | 18 | 9 | 8.7 | 6.5 | 19.1 | 28.6 | 31.1 | M8 | 5/16 | 0.26 | |
| SAPFTD202-10 | 5/8 | 81 | 63.5 | 56 | 9 | 18 | 9 | 8.7 | 6.5 | 19.1 | 28.6 | 31.1 | M8 | 5/16 | 0.26 | |
| SAPFTD203 | 17 | 81 | 63.5 | 56 | 9 | 18 | 9 | 8.7 | 6.5 | 19.1 | 28.6 | 31.1 | M8 | 5/16 | 0.26 | |
| SAPFTD203-11 | 11/16 | 81 | 63.5 | 56 | 9 | 18 | 9 | 8.7 | 6.5 | 19.1 | 28.6 | 31.1 | M8 | 5/16 | 0.26 | |
| SAPFTD204-12 | 3/4 | 91 | 71.5 | 63 | 10.2 | 20 | 10.2 | 8.7 | 7.5 | 21.5 | 31 | 33.6 | M8 | 5/16 | 0.29 | |
| SAPFTD204 | 20 | 91 | 71.5 | 63 | 10.2 | 20 | 10.2 | 8.7 | 7.5 | 21.5 | 31 | 33.6 | M8 | 5/16 | 0.29 | |
| SAPFTD205-14 | 7/8 | 96 | 76.2 | 69 | 10.5 | 19 | 8.7 | 8.7 | 7.5 | 22 | 31.5 | 32.1 | M8 | 5/16 | 0.4 | |
| SAPFTD205-15 | 15/16 | 96 | 76.2 | 69 | 10.5 | 19 | 8.7 | 8.7 | 7.5 | 22 | 31.5 | 32.1 | M8 | 5/16 | 0.4 | |
| SAPFTD205 | 25 | 96 | 76.2 | 69 | 10.5 | 19 | 8.7 | 8.7 | 7.5 | 22 | 31.5 | 32.1 | M8 | 5/16 | 0.4 | |
| SAPFTD205-16 | 1 | 96 | 76.2 | 69 | 10.5 | 19 | 8.7 | 8.7 | 7.5 | 22 | 31.5 | 32.1 | M8 | 5/16 | 0.4 | |
| SAPFTD206-18 | 1-1/8 | 113 | 90.5 | 79 | 11.5 | 22 | 11.5 | 10.3 | 9 | 23.8 | 35.7 | 38.2 | M10 | 3/8 | 0.6 | |
| SAPFTD206 | 30 | 113 | 90.5 | 79 | 11.5 | 22 | 11.5 | 10.3 | 9 | 23.8 | 35.7 | 38.2 | M10 | 3/8 | 0.6 | |
| SAPFTD206-19 | 1-3/16 | 113 | 90.5 | 79 | 11.5 | 22 | 11.5 | 10.3 | 9 | 23.8 | 35.7 | 38.2 | M10 | 3/8 | 0.6 | |
| SAPFTD206-20 | 1-1/4 | 113 | 90.5 | 79 | 11.5 | 22 | 11.5 | 10.3 | 9 | 23.8 | 35.7 | 38.2 | M10 | 3/8 | 0.6 | |
| SAPFTD207-20 | 1-1/4 | 122.5 | 100 | 89 | 12.7 | 23.8 | 11.8 | 10.3 | 9.5 | 25.4 | 38.9 | 41.2 | M10 | 3/8 | 0.84 | |
| SAPFTD207-21 | 1-5/16 | 122.5 | 100 | 89 | 12.7 | 23.8 | 11.8 | 10.3 | 9.5 | 25.4 | 38.9 | 41.2 | M10 | 3/8 | 0.84 | |
| SAPFTD207-22 | 1-3/8 | 122.5 | 100 | 89 | 12.7 | 23.8 | 11.8 | 10.3 | 9.5 | 25.4 | 38.9 | 41.2 | M10 | 3/8 | 0.84 | |
| SAPFTD207 | 35 | 122.5 | 100 | 89 | 12.7 | 23.8 | 11.8 | 10.3 | 9.5 | 25.4 | 38.9 | 41.2 | M10 | 3/8 | 0.84 | |
| SAPFTD207-23 | 1-7/16 | 122.5 | 100 | 89 | 12.7 | 23.8 | 11.8 | 10.3 | 9.5 | 25.4 | 38.9 | 41.2 | M10 | 3/8 | 0.84 | |
0+
years
Industry Experience
0+
Model diversity
0+
Number of Employees
0
$
Annual export value
As quadruped robots, especially those designed to mimic wolves, continue to gain traction in robotics and artificial intelligence, the importance of choosing the right bearings cannot be overstated. B...
Introduction In the ever-evolving field of healthcare, the role of medical equipment bearings is crucial. These small yet essential components ensure that complex medical devices function smoothly, of...
Introduction When selecting bearings for rotating machinery, the performance of the bearing plays a crucial role in the overall efficiency and reliability of the system. Among various bearing types, Y...
Introduction In the world of manufacturing, precision is key. Every step of the production process must be executed with utmost accuracy to ensure high-quality end products. One essential component th...