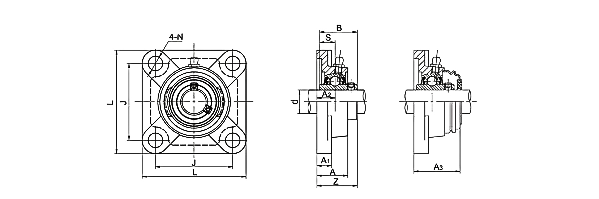
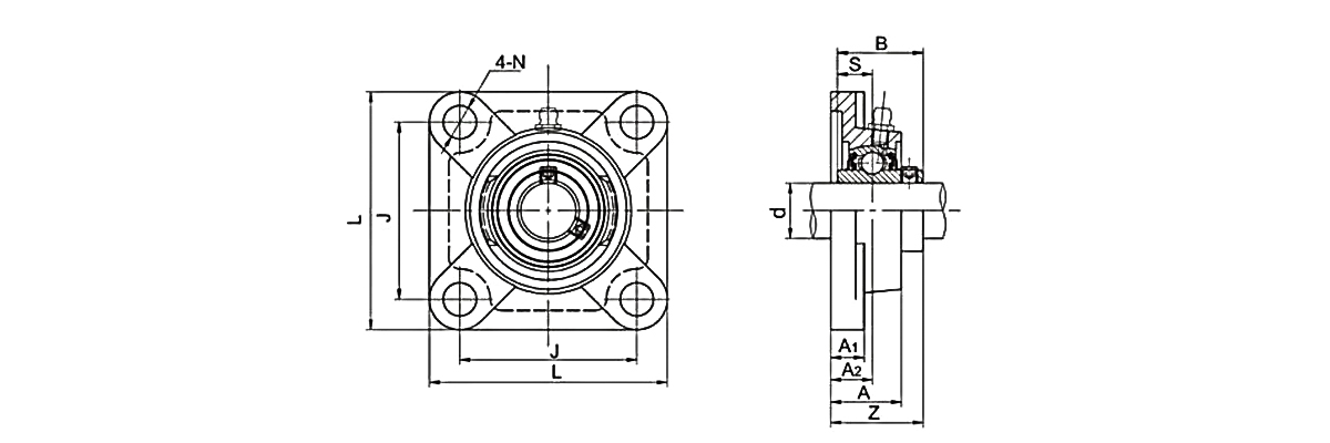
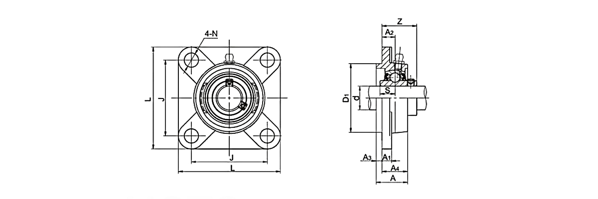
4-bolt flange bearing units is one kind of mounted ball bearing units, this design have 4 bolt in the housing and its suffix is UCF series, The UCF Ball bearing unit are also the most widely used on the market.
flange bearing units have the special ability to self-align inside the housing because of the spherical shape of the outer diameter of the bearing insert and the concave shape of the inner diameter of the housing into which it fits.
The housings are made primarily of gray cast iron, and stamped steel. Plastic and cast steel, Gray cast iron is the most popular choice for bearing units because of its optimal characteristics of vibration absorption, high strength, and excellent heat dissipation.

| Unit No. | Shaft Dia | Dimensions (mm) | Bolt Size | Weight | ||||||||||
| d | L | J | A2 | A1 | A | N | B | S | BZ | A3 | (mm) | (kg) | ||
| (in) | (mm) | |||||||||||||
| UCWF201 | 12 | 76 | 54 | 15 | 11 | 25.5 | 12 | 27.4 | 11.5 | 30.9 | M10 | 0.72 | ||
| UCWF202 | 15 | 76 | 54 | 15 | 11 | 25.5 | 12 | 27.4 | 11.5 | 30.9 | M10 | 0.62 | ||
| UCWF203 | 17 | 76 | 54 | 15 | 11 | 25.5 | 12 | 27.4 | 11.5 | 30.9 | M10 | 0.61 | ||
| UCF201 | 12 | 86 | 64 | 15 | 12 | 25.5 | 12 | 31 | 12.7 | 33.3 | M10 | 0.61 | ||
| UCF201-8 | 1/2 | 86 | 64 | 15 | 12 | 25.5 | 12 | 31 | 12.7 | 33.3 | M10 | 0.61 | ||
| UCF202 | 15 | 86 | 64 | 15 | 12 | 25.5 | 12 | 31 | 12.7 | 33.3 | M10 | 0.61 | ||
| UCF202-9 | 9/16 | 86 | 64 | 15 | 12 | 25.5 | 12 | 31 | 12.7 | 33.3 | M10 | 0.61 | ||
| UCF202-10 | 5/8 | 86 | 64 | 15 | 12 | 25.5 | 12 | 31 | 12.7 | 33.3 | M10 | 0.61 | ||
| UCF203 | 17 | 86 | 64 | 15 | 12 | 25.5 | 12 | 31 | 12.7 | 33.3 | M10 | 0.61 | ||
| UCF203-11 | 11/16 | 86 | 64 | 15 | 12 | 25.5 | 12 | 31 | 12.7 | 33.3 | M10 | 0.61 | ||
| UCF204 | 20 | 86 | 64 | 15 | 12 | 25.5 | 12 | 31 | 12.7 | 33.3 | 38.2 | M10 | 0.61 | |
| UCF204-12 | 3/4 | 86 | 64 | 15 | 12 | 25.5 | 12 | 31 | 12.7 | 33.3 | 38.2 | M10 | 0.61 | |
| UCF205 | 25 | 95 | 70 | 16 | 14 | 27 | 12 | 34.1 | 14.3 | 35.8 | 40 | M10 | 0.8 | |
| UCF205-14 | 7/8 | 95 | 70 | 16 | 14 | 27 | 12 | 34.1 | 14.3 | 35.8 | 40 | M10 | 0.8 | |
| UCF205-15 | 15/16 | 95 | 70 | 16 | 14 | 27 | 12 | 34.1 | 14.3 | 35.8 | 40 | M10 | 0.8 | |
| UCF205-16 | 1 | 95 | 70 | 16 | 14 | 27 | 12 | 34.1 | 14.3 | 35.8 | 40 | M10 | 0.8 | |
| UCF206 | 30 | 108 | 83 | 18 | 14 | 31 | 12 | 38 | 15.9 | 40.2 | 44 | M10 | 1 | |
| UCF206-17 | 1-1/16 | 108 | 83 | 18 | 14 | 31 | 12 | 38 | 15.9 | 40.2 | 44 | M10 | 1 | |
| UCF206-18 | 1-1/8 | 108 | 83 | 18 | 14 | 31 | 12 | 38 | 15.9 | 40.2 | 44 | M10 | 1 | |
| UCF206-19 | 1-3/16 | 108 | 83 | 18 | 14 | 31 | 12 | 38 | 15.9 | 40.2 | 44 | M10 | 1 | |
| UCF206-20 | 1-1/4 | 108 | 83 | 18 | 14 | 31 | 12 | 38 | 15.9 | 40.2 | 44 | M10 | 1 | |
| UCF207 | 35 | 117 | 92 | 19 | 16 | 34 | 14 | 42.9 | 17.5 | 44.4 | 48.5 | M12 | 1.4 | |
| UCF207-20 | 1-1/4 | 117 | 92 | 19 | 16 | 34 | 14 | 42.9 | 17.5 | 44.4 | 48.5 | M12 | 1.4 | |
| UCF207-21 | 1-5/16 | 117 | 92 | 19 | 16 | 34 | 14 | 42.9 | 17.5 | 44.4 | 48.5 | M12 | 1.4 | |
| UCF207-22 | 1-3/8 | 117 | 92 | 19 | 16 | 34 | 14 | 42.9 | 17.5 | 44.4 | 48.5 | M12 | 1.4 | |
| UCF207-23 | 1-7/16 | 117 | 92 | 19 | 16 | 34 | 14 | 42.9 | 17.5 | 44.4 | 48.5 | M12 | 1.4 | |
| UCF208 | 40 | 130 | 102 | 21 | 16 | 36 | 16 | 49.2 | 19 | 51.2 | 55.1 | M14 | 1.8 | |
| UCF208-24 | 1-1/2 | 130 | 102 | 21 | 16 | 36 | 16 | 49.2 | 19 | 51.2 | 55.1 | M14 | 1.8 | |
| UCF208-25 | 1-9/16 | 130 | 102 | 21 | 16 | 36 | 16 | 49.2 | 19 | 51.2 | 55.1 | M14 | 1.8 | |
| UCF209 | 45 | 137 | 105 | 22 | 18 | 38 | 16 | 49.2 | 19 | 52.2 | 57 | M14 | 2.2 | |
| UCF209-26 | 1-5/8 | 137 | 105 | 22 | 18 | 38 | 16 | 49.2 | 19 | 52.2 | 57 | M14 | 2.2 | |
| UCF209-27 | 1-11/16 | 137 | 105 | 22 | 18 | 38 | 16 | 49.2 | 19 | 52.2 | 57 | M14 | 2.2 | |
| UCF209-28 | 1-3/4 | 137 | 105 | 22 | 18 | 38 | 16 | 49.2 | 19 | 52.2 | 57 | M14 | 2.2 | |
| UCF210 | 50 | 143 | 111 | 22 | 18 | 40 | 16 | 51.6 | 19 | 54.6 | 60 | M14 | 2.4 | |
| UCF210-30 | 1-7/8 | 143 | 111 | 22 | 18 | 40 | 16 | 51.6 | 19 | 54.6 | 60 | M14 | 2.4 | |
| UCF210-31 | 1-15/16 | 143 | 111 | 22 | 18 | 40 | 16 | 51.6 | 19 | 54.6 | 60 | M14 | 2.4 | |
| UCF210-32 | 2 | 143 | 111 | 22 | 18 | 40 | 16 | 51.6 | 19 | 54.6 | 60 | M14 | 2.4 | |
| UCF211 | 55 | 162 | 130 | 25 | 20 | 43 | 19 | 55.6 | 22.2 | 58.4 | 63 | M16 | 3.5 | |
| UCF211-32 | 2 | 162 | 130 | 25 | 20 | 43 | 19 | 55.6 | 22.2 | 58.4 | 63 | M16 | 3.5 | |
| UCF211-34 | 2-1/8 | 162 | 130 | 25 | 20 | 43 | 19 | 55.6 | 22.2 | 58.4 | 63 | M16 | 3.5 | |
| UCF211-35 | 2-3/16 | 162 | 130 | 25 | 20 | 43 | 19 | 55.6 | 22.2 | 58.4 | 63 | M16 | 3.5 | |
| UCF212 | 60 | 175 | 143 | 29 | 20 | 48 | 19 | 65.1 | 25.4 | 68.7 | 73.5 | M16 | 4.2 | |
| UCF212-36 | 2-1/4 | 175 | 143 | 29 | 20 | 48 | 19 | 65.1 | 25.4 | 68.7 | 73.5 | M16 | 4.2 | |
| UCF212-38 | 2-3/8 | 175 | 143 | 29 | 20 | 48 | 19 | 65.1 | 25.4 | 68.7 | 73.5 | M16 | 4.2 | |
| UCF212-39 | 2-7/16 | 175 | 143 | 29 | 20 | 48 | 19 | 65.1 | 25.4 | 68.7 | 73.5 | M16 | 4.2 | |
| UCF213 | 65 | 187 | 149 | 30 | 22 | 50 | 19 | 65.1 | 25.4 | 69.7 | 74.5 | M16 | 5.3 | |
| UCF213-40 | 2-1/2 | 187 | 149 | 30 | 22 | 50 | 19 | 65.1 | 25.4 | 69.7 | 74.5 | M16 | 5.3 | |
| UCF214 | 70 | 193 | 152 | 31 | 22 | 54 | 19 | 74.6 | 30.2 | 75.4 | 80 | M16 | 5.9 | |
| UCF214-44 | 2-3/4 | 193 | 152 | 31 | 22 | 54 | 19 | 74.6 | 30.2 | 75.4 | 80 | M16 | 5.9 | |
| UCF215 | 75 | 200 | 159 | 34 | 22 | 56 | 19 | 77.8 | 33.3 | 78.5 | 82.5 | M16 | 6.3 | |
| UCF215-47 | 2-15/16 | 200 | 159 | 34 | 22 | 56 | 19 | 77.8 | 33.3 | 78.5 | 82.5 | M16 | 6.3 | |
| UCF215-48 | 3 | 200 | 159 | 34 | 22 | 56 | 19 | 77.8 | 33.3 | 78.5 | 82.5 | M16 | 6.3 | |
| UCF216 | 80 | 208 | 165 | 34 | 22 | 58 | 23 | 82.6 | 33.3 | 83.3 | 89 | M20 | 7.3 | |
| UCF217 | 85 | 220 | 175 | 36 | 24 | 63 | 23 | 85.7 | 34.1 | 87.6 | 92.1 | M20 | 8.9 | |
| UCF217-52 | 3-1/4 | 220 | 175 | 36 | 24 | 63 | 23 | 85.7 | 34.1 | 87.6 | 92.1 | M20 | 8.9 | |
| UCF218 | 90 | 235 | 187 | 40 | 25 | 68 | 23 | 96 | 39.7 | 96.3 | 102 | M20 | 11.6 | |
| UCF218-56 | 3-1/2 | 235 | 187 | 40 | 25 | 68 | 23 | 96 | 39.7 | 96.3 | 102 | M20 | 11.6 | |

| Unit No. | Shaft Dia | Dimensions (mm) | Bolt Size (mm) | Weight (kg) | |||||||||
| d | L | J | kz | A1 | A | N | S | Z | F | ||||
| (in) | (mm) | ||||||||||||
| NAF201S | 12 | 76 | 54 | 15 | 11 | 25.5 | 12 | 13.9 | 38.4 | — | M10 | 0.5 | |
| NAF201-8S | 1/2 | 76 | 54 | 15 | 11 | 25.5 | 12 | 13.9 | 38.4 | — | M10 | 0.5 | |
| NAF202S | 15 | 76 | 54 | 15 | 11 | 25.5 | 12 | 13.9 | 38.4 | — | M10 | 0.5 | |
| NAF202-10S | 5/8 | 76 | 54 | 15 | 11 | 25.5 | 12 | 13.9 | 38.4 | — | M10 | 0.5 | |
| NAF203S | 17 | 76 | 54 | 15 | 11 | 25.5 | 12 | 13.9 | 38.4 | — | M10 | 0.5 | |
| NAF203-11S | 11/16 | 76 | 54 | 15 | 11 | 25.5 | 12 | 13.9 | 38.4 | — | M10 | 0.5 | |
| NAF201 | 12 | 86 | 64 | 15 | 12 | 25.5 | 12 | 17.1 | 41.6 | 32 | M10 | 0.66 | |
| NAF201-8 | 1/2 | 86 | 64 | 15 | 12 | 25.5 | 12 | 17.1 | 41.6 | 32 | M10 | 0.66 | |
| NAF202 | 15 | 86 | 64 | 15 | 12 | 25.5 | 12 | 17.1 | 41.6 | 32 | M10 | 0.66 | |
| NAF202-10 | 5/8 | 86 | 64 | 15 | 12 | 25.5 | 12 | 17.1 | 41.6 | 32 | M10 | 0.66 | |
| NAF203 | 17 | 86 | 64 | 15 | 12 | 25.5 | 12 | 17.1 | 41.6 | 32 | M10 | 0.66 | |
| NAF203-11 | 11/16 | 86 | 64 | 15 | 12 | 25.5 | 12 | 17.1 | 41.6 | 32 | M10 | 0.66 | |
| NAF204 | 20 | 86 | 64 | 15 | 12 | 25.5 | 12 | 17.1 | 41.6 | 32 | M10 | 0.66 | |
| NAF204-12 | 3/4 | 86 | 64 | 15 | 12 | 25.5 | 12 | 17.1 | 41.6 | 32 | M10 | 0.66 | |
| NAF205 | 25 | 95 | 70 | 16 | 14 | 27 | 12 | 17.5 | 42.9 | 36 | M10 | 0.8 | |
| NAF205-14 | 7/8 | 95 | 70 | 16 | 14 | 27 | 12 | 17.5 | 42.9 | 36 | M10 | 0.8 | |
| NAF205-15 | 15/16 | 95 | 70 | 16 | 14 | 27 | 12 | 17.5 | 42.9 | 36 | M10 | 0.8 | |
| NAF205-16 | 1 | 95 | 70 | 16 | 14 | 27 | 12 | 17.5 | 42.9 | 36 | M10 | 0.8 | |
| NAF206 | 30 | 108 | 83 | 18 | 14 | 31 | 12 | 18.3 | 48.1 | 42 | M10 | 1.2 | |
| NAF206-18 | 1-1/8 | 108 | 83 | 18 | 14 | 31 | 12 | 18.3 | 48.1 | 42 | M10 | 1.2 | |
| NAF206-19 | 1-3/16 | 108 | 83 | 18 | 14 | 31 | 12 | 18.3 | 48.1 | 42 | M10 | 1.2 | |
| NAF206-20 | 1-1/4 | 108 | 83 | 18 | 14 | 31 | 12 | 18.3 | 48.1 | 42 | M10 | 1.2 | |
| NAF207 | 35 | 117 | 92 | 19 | 16 | 34 | 14 | 18.8 | 51.3 | 49 | M12 | 1.6 | |
| NAF207-20 | 1-1/4 | 117 | 92 | 19 | 16 | 34 | 14 | 18.8 | 51.3 | 49 | M12 | 1.6 | |
| NAF207-21 | 1-5/16 | 117 | 92 | 19 | 16 | 34 | 14 | 18.8 | 51.3 | 49 | M12 | 1.6 | |
| NAF207-22 | 1-3/8 | 117 | 92 | 19 | 16 | 34 | 14 | 18.8 | 51.3 | 49 | M12 | 1.6 | |
| NAF207-23 | 1-7/16 | 117 | 92 | 19 | 16 | 34 | 14 | 18.8 | 51.3 | 49 | M12 | 1.6 | |
| NAF208 | 40 | 130 | 102 | 21 | 16 | 36 | 16 | 21.4 | 55.9 | 55 | M14 | 1.9 | |
| NAF208-24 | 1-1/2 | 130 | 102 | 21 | 16 | 36 | 16 | 21.4 | 55.9 | 55 | M14 | 1.9 | |
| NAF208-25 | 1-9/16 | 130 | 102 | 21 | 16 | 36 | 16 | 21.4 | 55.9 | 55 | M14 | 1.9 | |
| NAF209 | 45 | 137 | 105 | 22 | 18 | 38 | 16 | 21.4 | 56.9 | — | M14 | 2.3 | |
| NAF209-26 | 1-5/8 | 137 | 105 | 22 | 18 | 38 | 16 | 21.4 | 56.9 | — | M14 | 2.3 | |
| NAF209-27 | 1-11/16 | 137 | 105 | 22 | 18 | 38 | 16 | 21.4 | 56.9 | — | M14 | 2.3 | |
| NAF209-28 | 1-3/4 | 137 | 105 | 22 | 18 | 38 | 16 | 21.4 | 56.9 | — | M14 | 2.3 | |
| NAF210 | 50 | 143 | 111 | 22 | 18 | 40 | 16 | 24.6 | 60.1 | 64 | M14 | 2.6 | |
| NAF210-30 | 1-7/8 | 143 | 111 | 22 | 18 | 40 | 16 | 24.6 | 60.1 | 64 | M14 | 2.6 | |
| NAF210-31 | 1-15/16 | 143 | 111 | 22 | 18 | 40 | 16 | 24.6 | 60.1 | 64 | M14 | 2.6 | |
| NAF211 | 55 | 162 | 130 | 25 | 20 | 43 | 19 | 27.8 | 68.6 | 71 | M16 | 3.8 | |
| NAF211-32 | 2 | 162 | 130 | 25 | 20 | 43 | 19 | 27.8 | 68.6 | 71 | M16 | 3.8 | |
| NAF211-34 | 2-1/8 | 162 | 130 | 25 | 20 | 43 | 19 | 27.8 | 68.6 | 71 | M16 | 3.8 | |
| NAF211-35 | 2-3/16 | 162 | 130 | 25 | 20 | 43 | 19 | 27.8 | 68.6 | 71 | M16 | 3.8 | |
| NAF212 | 60 | 175 | 143 | 29 | 20 | 48 | 19 | 31 | 75.8 | 78 | M16 | 4.8 | |
| NAF212-36 | 2-1/4 | 175 | 143 | 29 | 20 | 48 | 19 | 31 | 75.8 | 78 | M16 | 4.8 | |
| NAF212-38 | 2-3/8 | 175 | 143 | 29 | 20 | 48 | 19 | 31 | 75.8 | 78 | M16 | 4.8 | |
| NAF212-39 | 2-7/16 | 175 | 143 | 29 | 20 | 48 | 19 | 31 | 75.8 | 78 | M16 | 4.8 | |
| NAF213 | 65 | 187 | 149 | 30 | 22 | 50 | 19 | 34.3 | 81.4 | 85 | M16 | 6 | |
| NAF213-40 | 2-1/2 | 187 | 149 | 30 | 22 | 50 | 19 | 34.3 | 81.4 | 85 | M16 | 6 | |
| NAF214 | 70 | 193 | 152 | 31 | 22 | 54 | 19 | 34.3 | 82.4 | 91 | M16 | 6.3 | |
| NAF214-44 | 2-3/4 | 193 | 152 | 31 | 22 | 54 | 19 | 34.3 | 82.4 | 91 | M16 | 6.3 | |
| NAF215 | 75 | 200 | 159 | 34 | 22 | 56 | 19 | 37.3 | 88.8 | 96 | M16 | 7.2 | |
| NAF215-48 | 3 | 200 | 159 | 34 | 22 | 56 | 19 | 37.3 | 88.8 | 96 | M16 | 7.2 | |

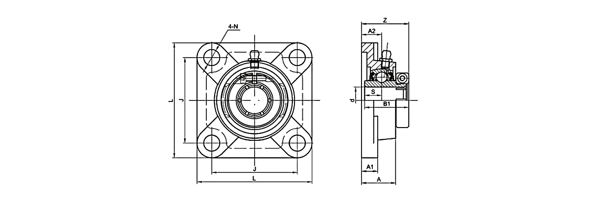
| Unit No. | Shaft Dia | Dimensions(mm) | Bolt Size (mm) | Weight (kg) | |||||||||
| d | L | J | A2 | A1 | A | N | B1 | S | Z | ||||
| (in) | (mm) | ||||||||||||
| UEF204 | 20 | 86 | 64 | 15 | 12 | 25.5 | 12 | 33 | 12.7 | 35.3 | M10 | 0.63 | |
| UEF204-12 | 3/4 | 86 | 64 | 15 | 12 | 25.5 | 12 | 33 | 12.7 | 35.3 | M10 | 0.63 | |
| UEF205 | 25 | 95 | 70 | 16 | 14 | 27 | 12 | 35.4 | 14.3 | 37.1 | M10 | 0.83 | |
| UEF205-14 | 7/8 | 95 | 70 | 16 | 14 | 27 | 12 | 35.4 | 14.3 | 37.1 | M10 | 0.83 | |
| UEF205-15 | 15/16 | 95 | 70 | 16 | 14 | 27 | 12 | 35.4 | 14.3 | 37.1 | M10 | 0.83 | |
| UEF205-16 | 1 | 95 | 70 | 16 | 14 | 27 | 12 | 35.4 | 14.3 | 37.1 | M10 | 0.83 | |
| UEF206 | 30 | 108 | 83 | 18 | 14 | 31 | 12 | 39.8 | 15.9 | 41.9 | M10 | 1.18 | |
| UEF206-17 | 1-1/16 | 108 | 83 | 18 | 14 | 31 | 12 | 39.8 | 15.9 | 41.9 | M10 | 1.18 | |
| UEF206-18 | 1-1/8 | 108 | 83 | 18 | 14 | 31 | 12 | 39.8 | 15.9 | 41.9 | M10 | 1.18 | |
| UEF206-19 | 1-3/16 | 108 | 83 | 18 | 14 | 31 | 12 | 39.8 | 15.9 | 41.9 | M10 | 1.18 | |
| UEF206-20 | 1-1/4 | 108 | 83 | 18 | 14 | 31 | 12 | 39.8 | 15.9 | 41.9 | M10 | 1.18 | |
| UEF207 | 35 | 117 | 92 | 19 | 16 | 34 | 14 | 43.9 | 17.5 | 45.4 | M12 | 1.52 | |
| UEF207-20 | 1-1/4 | 117 | 92 | 19 | 16 | 34 | 14 | 43.9 | 17.5 | 45.4 | M12 | 1.52 | |
| UEF207-21 | 1-5/16 | 117 | 92 | 19 | 16 | 34 | 14 | 43.9 | 17.5 | 45.4 | M12 | 1.52 | |
| UEF207-22 | 1-3/8 | 117 | 92 | 19 | 16 | 34 | 14 | 43.9 | 17.5 | 45.4 | M12 | 1.52 | |
| UEF207-23 | 1-7/16 | 117 | 92 | 19 | 16 | 34 | 14 | 43.9 | 17.5 | 45.4 | M12 | 1.52 | |
| UEF208 | 40 | 130 | 102 | 21 | 16 | 36 | 16 | 50.2 | 19 | 52.2 | M14 | 1.94 | |
| UEF208-24 | 1-1/2 | 130 | 102 | 21 | 16 | 36 | 16 | 50.2 | 19 | 52.2 | M14 | 1.94 | |
| UEF208-25 | 1-9/16 | 130 | 102 | 21 | 16 | 36 | 16 | 50.2 | 19 | 52.2 | M14 | 1.94 | |
| UEF209 | 45 | 137 | 105 | 22 | 18 | 38 | 16 | 50.2 | 19 | 53.2 | M14 | 2.41 | |
| UEF209-26 | 1-5/8 | 137 | 105 | 22 | 18 | 38 | 16 | 50.2 | 19 | 53.2 | M14 | 2.41 | |
| UEF209-27 | 1-11/16 | 137 | 105 | 22 | 18 | 38 | 16 | 50.2 | 19 | 53.2 | M14 | 2.41 | |
| UEF209-28 | 1-3/4 | 137 | 105 | 22 | 18 | 38 | 16 | 50.2 | 19 | 53.2 | M14 | 2.41 | |
| UEF210 | 50 | 143 | 111 | 22 | 18 | 40 | 16 | 52.6 | 19 | 55.6 | M14 | 2.66 | |
| UEF210-30 | 1-7/8 | 143 | 111 | 22 | 18 | 40 | 16 | 52.6 | 19 | 55.6 | M14 | 2.66 | |
| UEF210-31 | 1-15/16 | 143 | 111 | 22 | 18 | 40 | 16 | 52.6 | 19 | 55.6 | M14 | 2.66 | |
| UEF210-32 | 2 | 143 | 111 | 22 | 18 | 40 | 16 | 52.6 | 19 | 55.6 | M14 | 2.66 | |
| UEF211 | 55 | 162 | 130 | 25 | 20 | 43 | 19 | 56.6 | 22.2 | 59.4 | M16 | 3.73 | |
| UEF211-32 | 2 | 162 | 130 | 25 | 20 | 43 | 19 | 56.6 | 22.2 | 59.4 | M16 | 3.73 | |
| UEF211-34 | 2-1/8 | 162 | 130 | 25 | 20 | 43 | 19 | 56.6 | 22.2 | 59.4 | M16 | 3.73 | |
| UEF211-35 | 2-3/16 | 162 | 130 | 25 | 20 | 43 | 19 | 56.6 | 22.2 | 59.4 | M16 | 3.73 | |
| UEF212 | 60 | 175 | 143 | 29 | 20 | 48 | 19 | 66.6 | 25.4 | 70.2 | M16 | 4.69 | |
| UEF212-36 | 2-1/4 | 175 | 143 | 29 | 20 | 48 | 19 | 66.6 | 25.4 | 70.2 | M16 | 4.69 | |
| UEF212-38 | 2-3/8 | 175 | 143 | 29 | 20 | 48 | 19 | 66.6 | 25.4 | 70.2 | M16 | 4.69 | |
| UEF212-39 | 2-7/16 | 175 | 143 | 29 | 20 | 48 | 19 | 66.6 | 25.4 | 70.2 | M16 | 4.69 | |

| Unit No. | Shaft Dia | Dimensions (mm) | Bolt Size (mm) | Weight | ||||||||
| d | L | J | A2 | A1 | A | N | S1 | z | (kg) | |||
| (in) | (mm) | |||||||||||
| UKF205+H2305 | 20 | 95 | 70 | 16 | 14 | 27 | 12 | 18.5 | 34.5 | M10 | 0.84 | |
| UKF205+HE2305 | 3/4 | 95 | 70 | 16 | 14 | 27 | 12 | 18.5 | 34.5 | M10 | 0.84 | |
| UKF206+H2306 | 25 | 108 | 83 | 18 | 14 | 31 | 12 | 20.5 | 38.5 | M10 | 1.1 | |
| UKF206+HS2306 | 7/8 | 108 | 83 | 18 | 14 | 31 | 12 | 20.5 | 38.5 | M10 | 1.1 | |
| UKF206+HA2306 | 15/16 | 108 | 83 | 18 | 14 | 31 | 12 | 20.5 | 38.5 | M10 | 1.1 | |
| UKF206+HE2306 | 1 | 108 | 83 | 18 | 14 | 31 | 12 | 20.5 | 38.5 | M10 | 1.1 | |
| UKF207+H2307 | 30 | 117 | 92 | 19 | 16 | 34 | 14 | 22.5 | 41.5 | M12 | 1.6 | |
| UKF207+HS2307 | 1-1/8 | 117 | 92 | 19 | 16 | 34 | 14 | 22.5 | 41.5 | M12 | 1.6 | |
| UKF207+HA2307 | 1-3/16 | 117 | 92 | 19 | 16 | 34 | 14 | 22.5 | 41.5 | M12 | 1.6 | |
| UKF208+H2308 | 35 | 130 | 102 | 21 | 16 | 36 | 16 | 24.5 | 45.5 | M14 | 1.9 | |
| UKF208+HE2308 | 1-1/4 | 130 | 102 | 21 | 16 | 36 | 16 | 24.5 | 45.5 | M14 | 1.9 | |
| UKF208+HS2308 | 1-3/8 | 130 | 102 | 21 | 16 | 36 | 16 | 24.5 | 45.5 | M14 | 1.9 | |
| UKF209+H2309 | 40 | 137 | 105 | 22 | 18 | 38 | 16 | 26 | 48 | M14 | 2.3 | |
| UKF209+HA2309 | 1-7/16 | 137 | 105 | 22 | 18 | 38 | 16 | 26 | 48 | M14 | 2.3 | |
| UKF209+HE2309 | 1-1/2 | 137 | 105 | 22 | 18 | 38 | 16 | 26 | 48 | M14 | 2.3 | |
| UKF210+H2310 | 45 | 143 | 111 | 22 | 18 | 40 | 16 | 27.5 | 49.5 | M14 | 2.6 | |
| UKF210+HS2310 | 1-5/8 | 143 | 111 | 22 | 18 | 40 | 16 | 27.5 | 49.5 | M14 | 2.6 | |
| UKF210+HA2310 | 1-11/16 | 143 | 111 | 22 | 18 | 40 | 16 | 27.5 | 49.5 | M14 | 2.6 | |
| UKF210+HE2310 | 1-3/4 | 143 | 111 | 22 | 18 | 40 | 16 | 27.5 | 49.5 | M14 | 2.6 | |
| UKF211+H2311 | 50 | 162 | 130 | 25 | 20 | 43 | 19 | 28.5 | 53.5 | M16 | 3.4 | |
| UKF211+HS2311 | 1-7/8 | 162 | 130 | 25 | 20 | 43 | 19 | 28.5 | 53.5 | M16 | 3.4 | |
| UKF211+HA2311 | 1-15/16 | 162 | 130 | 25 | 20 | 43 | 19 | 28.5 | 53.5 | M16 | 3.4 | |
| UKF211+HE2311 | 2 | 162 | 130 | 25 | 20 | 43 | 19 | 28.5 | 53.5 | M16 | 3.4 | |
| UKF212+H2312 | 55 | 175 | 143 | 29 | 20 | 48 | 19 | 31 | 60 | M16 | 4.1 | |
| UKF212+HS2312 | 2-1/8 | 175 | 143 | 29 | 20 | 48 | 19 | 31 | 60 | M16 | 4.1 | |
| UKF213+H2313 | 60 | 187 | 149 | 30 | 22 | 50 | 19 | 32 | 62 | M16 | 5.5 | |
| UKF213+HA2313 | 2-3/16 | 187 | 149 | 30 | 22 | 50 | 19 | 32 | 62 | M16 | 5.5 | |
| UKF213+HE2313 | 2-1/4 | 187 | 149 | 30 | 22 | 50 | 19 | 32 | 62 | M16 | 5.5 | |
| UKF213+HS2313 | 2-3/8 | 187 | 149 | 30 | 22 | 50 | 19 | 32 | 62 | M16 | 5.5 | |
| UKF215+H2315 | 65 | 200 | 159 | 34 | 22 | 56 | 19 | 35.5 | 69.5 | M16 | 6.7 | |
| UKF215+HA2315 | 2-7/16 | 200 | 159 | 34 | 22 | 56 | 19 | 35.5 | 69.5 | M16 | 6.7 | |
| UKF215+HE2315 | 2-1/2 | 200 | 159 | 34 | 22 | 56 | 19 | 35.5 | 69.5 | M16 | 6.7 | |
| UKF216+H2316 | 70 | 208 | 165 | 34 | 22 | 58 | 23 | 39 | 73 | M20 | 7.5 | |
| UKF216+HA2316 | 2-11/16 | 208 | 165 | 34 | 22 | 58 | 23 | 39 | 73 | M20 | 7.5 | |
| UKF216+HE2316 | 2-3/4 | 208 | 165 | 34 | 22 | 58 | 23 | 39 | 73 | M20 | 7.5 | |
| UKF217+H2317 | 75 | 220 | 175 | 36 | 24 | 63 | 23 | 40 | 76 | M20 | 9.1 | |
| UKF217+HA2317 | 2-15/16 | 220 | 175 | 36 | 24 | 63 | 23 | 40 | 76 | M20 | 9.1 | |
| UKF217+HE2317 | 3 | 220 | 175 | 36 | 24 | 63 | 23 | 40 | 76 | M20 | 9.1 | |
| UKF218+H2318 | 80 | 235 | 187 | 40 | 25 | 68 | 23 | 42 | 82 | M20 | 11.8 | |

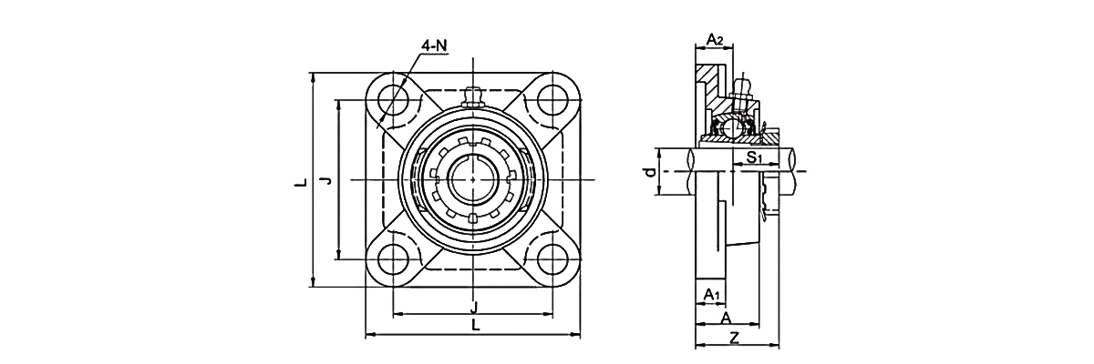
| Unit No. | Shaft Dia | Dimensions (mm) | Bolt Size (mm) | Weight (kg) | |||||||||
| d | L | J | A2 | A1 | A | N | B | s | z | ||||
| (in) | (mm) | ||||||||||||
| UCFX05 | 25 | 108 | 83 | 18 | 13 | 30 | 12 | 38.1 | 15.9 | 40.2 | M10 | 1 | |
| UCFX05-13 | 13/16 | 108 | 83 | 18 | 13 | 30 | 12 | 38.1 | 15.9 | 40.2 | M10 | 1 | |
| UCFX05-14 | 7/8 | 108 | 83 | 18 | 13 | 30 | 12 | 38.1 | 15.9 | 40.2 | M10 | 1 | |
| UCFX05-15 | 15/16 | 108 | 83 | 18 | 13 | 30 | 12 | 38.1 | 15.9 | 40.2 | M10 | 1 | |
| UCFX05-16 | 1 | 108 | 83 | 18 | 13 | 30 | 12 | 38.1 | 15.9 | 40.2 | M10 | 1 | |
| UCFX06 | 30 | 117 | 92 | 19 | 14 | 34 | 16 | 42.9 | 17.5 | 44.4 | M14 | 1.7 | |
| UCFX06-17 | 1-1/16 | 117 | 92 | 19 | 14 | 34 | 16 | 42.9 | 17.5 | 44.4 | M14 | 1.7 | |
| UCFX06-18 | 1-1/8 | 117 | 92 | 19 | 14 | 34 | 16 | 42.9 | 17.5 | 44.4 | M14 | 1.7 | |
| UCFX06-19 | 1-3/16 | 117 | 92 | 19 | 14 | 34 | 16 | 42.9 | 17.5 | 44.4 | M14 | 1.7 | |
| UCFX06-20 | 1-1/4 | 117 | 92 | 19 | 14 | 34 | 16 | 42.9 | 17.5 | 44.4 | M14 | 1.7 | |
| UCFX07 | 35 | 130 | 101.5 | 21 | 14 | 38 | 16 | 49.2 | 19 | 51.2 | M14 | 2.1 | |
| UCFX07-21 | 1-5/16 | 130 | 101.5 | 21 | 14 | 38 | 16 | 49.2 | 19 | 51.2 | M14 | 2.1 | |
| UCFX07-22 | 1-3/8 | 130 | 101.5 | 21 | 14 | 38 | 16 | 49.2 | 19 | 51.2 | M14 | 2.1 | |
| UCFX07-23 | 1-7/16 | 130 | 101.5 | 21 | 14 | 38 | 16 | 49.2 | 19 | 51.2 | M14 | 2.1 | |
| UCFX08 | 40 | 137 | 105 | 22 | 14 | 40 | 19 | 49.2 | 19 | 52.2 | M16 | 2.4 | |
| UCFX08-24 | 1-1/2 | 137 | 105 | 22 | 14 | 40 | 19 | 49.2 | 19 | 52.2 | M16 | 2.4 | |
| UCFX08-25 | 1-9/16 | 137 | 105 | 22 | 14 | 40 | 19 | 49.2 | 19 | 52.2 | M16 | 2.4 | |
| UCFX09 | 45 | 143 | 111 | 23 | 14 | 40 | 19 | 51.6 | 19 | 55.6 | M16 | 2.5 | |
| UCFX09-26 | 1-5/8 | 143 | 111 | 23 | 14 | 40 | 19 | 51.6 | 19 | 55.6 | M16 | 2.5 | |
| UCFX09-27 | 1-11/16 | 143 | 111 | 23 | 14 | 40 | 19 | 51.6 | 19 | 55.6 | M16 | 2.5 | |
| UCFX09-28 | 1-3/4 | 143 | 111 | 23 | 14 | 40 | 19 | 51.6 | 19 | 55.6 | M16 | 2.5 | |
| UCFX09-29 | 1-13/16 | 143 | 111 | 23 | 14 | 40 | 19 | 51.6 | 19 | 55.6 | M16 | 2.5 | |
| UCFX10 | 50 | 162 | 130 | 26 | 20 | 44 | 19 | 55.6 | 22.2 | 59.4 | M16 | 3.9 | |
| UCFX10-30 | 1-7/8 | 162 | 130 | 26 | 20 | 44 | 19 | 55.6 | 22.2 | 59.4 | M16 | 3.9 | |
| UCFX10-31 | 1-15/16 | 162 | 130 | 26 | 20 | 44 | 19 | 55.6 | 22.2 | 59.4 | M16 | 3.9 | |
| UCFX10-32 | 2 | 162 | 130 | 26 | 20 | 44 | 19 | 55.6 | 22.2 | 59.4 | M16 | 3.9 | |
| UCFX11 | 55 | 175 | 143 | 29 | 20 | 49 | 19 | 65.1 | 25.4 | 68.7 | M16 | 4.9 | |
| UCFX11-33 | 2-1/16 | 175 | 143 | 29 | 20 | 49 | 19 | 65.1 | 25.4 | 68.7 | M16 | 4.9 | |
| UCFX11-34 | 2-1/8 | 175 | 143 | 29 | 20 | 49 | 19 | 65.1 | 25.4 | 68.7 | M16 | 4.9 | |
| UCFX11-35 | 2-3/16 | 175 | 143 | 29 | 20 | 49 | 19 | 65.1 | 25.4 | 68.7 | M16 | 4.9 | |
| UCFX11-36 | 2-1/4 | 175 | 143 | 29 | 20 | 49 | 19 | 65.1 | 25.4 | 68.7 | M16 | 4.9 | |
| UCFX11-37 | 2-5/16 | 175 | 143 | 29 | 20 | 49 | 19 | 65.1 | 25.4 | 68.7 | M16 | 4.9 | |
| UCFX12 | 60 | 187 | 149 | 34 | 21 | 59 | 19 | 65.1 | 25.4 | 73.7 | M16 | 5.2 | |
| UCFX12-38 | 2-3/8 | 187 | 149 | 34 | 21 | 59 | 19 | 65.1 | 25.4 | 73.7 | M16 | 5.2 | |
| UCFX12-39 | 2-7/16 | 187 | 149 | 34 | 21 | 59 | 19 | 65.1 | 25.4 | 73.7 | M16 | 5.2 | |
| UCFX13 | 65 | 187 | 149 | 34 | 21 | 59 | 19 | 74.6 | 30.2 | 78.4 | M16 | 5.3 | |
| UCFX13-40 | 2-1/2 | 187 | 149 | 34 | 21 | 59 | 19 | 74.6 | 30.2 | 78.4 | M16 | 5.3 | |
| UCFX13-41 | 2-9/16 | 187 | 149 | 34 | 21 | 59 | 19 | 74.6 | 30.2 | 78.4 | M16 | 5.3 | |
| UCFX14 | 70 | 197 | 152 | 37 | 24 | 60 | 23 | 77.8 | 33.3 | 81.5 | M20 | 7.3 | |
| UCFX14-42 | 2-5/8 | 197 | 152 | 37 | 24 | 60 | 23 | 77.8 | 33.3 | 81.5 | M20 | 7.3 | |
| UCFX14-43 | 2-11/16 | 197 | 152 | 37 | 24 | 60 | 23 | 77.8 | 33.3 | 81.5 | M20 | 7.3 | |
| UCFX14-44 | 2-3/4 | 197 | 152 | 37 | 24 | 60 | 23 | 77.8 | 33.3 | 81.5 | M20 | 7.3 | |
| UCFX15 | 75 | 197 | 152 | 40 | 24 | 68 | 23 | 82.6 | 33.3 | 89,3 | M20 | 8,1 | |
| UCFX15-45 | 2-13/16 | 197 | 152 | 40 | 24 | 68 | 23 | 82.6 | 33.3 | 89,3 | M20 | 8,1 | |
| UCFX15-46 | 2-7/8 | 197 | 152 | 40 | 24 | 68 | 23 | 82.6 | 33.3 | 89,3 | M20 | 8,1 | |
| UCFX15-47 | 2-15/16 | 197 | 152 | 40 | 24 | 68 | 23 | 82.6 | 33.3 | 89,3 | M20 | 8,1 | |
| UCFX15-48 | 3 | 197 | 152 | 40 | 24 | 68 | 23 | 82.6 | 33.3 | 89,3 | M20 | 8,1 | |
| UCFX16 | 80 | 214 | 171 | 40 | 24 | 70 | 23 | 85.7 | 34.1 | 91.6 | M20 | 9.9 | |
| UCFX16-49 | 3-1/16 | 214 | 171 | 40 | 24 | 70 | 23 | 85.7 | 34.1 | 91.6 | M20 | 9.9 | |
| UCFX16-50 | 3-1/8 | 214 | 171 | 40 | 24 | 70 | 23 | 85.7 | 34.1 | 91.6 | M20 | 9.9 | |
| UCFX16-51 | 3-3/16 | 214 | 171 | 40 | 24 | 70 | 23 | 85.7 | 34.1 | 91.6 | M20 | 9.9 | |
| UCFX16-52 | 3-1/4 | 214 | 171 | 40 | 24 | 70 | 23 | 85.7 | 34.1 | 91.6 | M20 | 9.9 | |
| UCFX17 | 85 | 214 | 171 | 40 | 24 | 70 | 23 | 96 | 39.7 | 96.3 | M20 | 11 | |
| UCFX17-53 | 3-5/16 | 214 | 171 | 40 | 24 | 70 | 23 | 96 | 39.7 | 96.3 | M20 | 11 | |
| UCFX17-55 | 3-7/16 | 214 | 171 | 40 | 24 | 70 | 23 | 96 | 39.7 | 96.3 | M20 | 11 | |

| Unit No. | Shaft Dia | Dimensions(mm) | Bolt size (mm) | Weight (kg) | ||||||||
| d (mm) | L | J | A2 | A1 | A | N | B | s | z | |||
| UCF305 | 25 | 110 | 80 | 16 | 13 | 29 | 16 | 38 | 15 | 39 | M14 | 1.2 |
| UCF306 | 30 | 125 | 95 | 18 | 15 | 32 | 16 | 43 | 17 | 44 | M14 | 1.8 |
| UCF307 | 35 | 135 | 100 | 20 | 16 | 36 | 19 | 48 | 19 | 49 | M16 | 2.2 |
| UCF308 | 40 | 150 | 112 | 23 | 17 | 40 | 19 | 52 | 19 | 56 | M16 | 2.9 |
| UCF309 | 45 | 160 | 125 | 25 | 18 | 44 | 19 | 57 | 22 | 61 | M16 | 3.5 |
| UCF310 | 50 | 175 | 132 | 28 | 19 | 48 | 23 | 61 | 22 | 67 | M20 | 4.8 |
| UCF311 | 55 | 185 | 140 | 30 | 20 | 52 | 23 | 66 | 25 | 71 | M20 | 5.6 |
| UCF312 | 60 | 193 | 150 | 33 | 22 | 56 | 23 | 71 | 26 | 78 | M20 | 6.7 |
| UCF313 | 65 | 208 | 166 | 33 | 22 | 58 | 23 | 75 | 30 | 78 | M20 | 7.8 |
| UCF314 | 70 | 226 | 178 | 36 | 25 | 61 | 25 | 78 | 33 | 81 | M22 | 10.1 |
| UCF315 | 75 | 236 | 184 | 39 | 25 | 66 | 25 | 82 | 32 | 89 | M22 | 11.1 |
| UCF316 | 80 | 250 | 196 | 38 | 27 | 68 | 31 | 86 | 34 | 90 | M27 | 12.8 |
| UCF317 | 85 | 260 | 204 | 44 | 27 | 74 | 31 | 96 | 40 | 100 | M27 | 15.4 |
| UCF318 | 90 | 280 | 216 | 44 | 30 | 76 | 35 | 96 | 40 | 100 | M30 | 19 |
| UCF319 | 95 | 290 | 228 | 59 | 30 | 94 | 35 | 103 | 41 | 121 | M30 | 20.6 |
| UCF320 | 100 | 310 | 242 | 59 | 32 | 94 | 38 | 108 | 42 | 125 | M33 | 25.7 |
| UCF321 | 105 | 310 | 242 | 59 | 32 | 94 | 38 | 112 | 44 | 128 | M33 | 25.6 |
| UCF322 | 110 | 340 | 266 | 60 | 35 | 96 | 41 | 117 | 46 | 131 | M36 | 38 |
| UCF324 | 120 | 370 | 290 | 65 | 40 | 110 | 41 | 126 | 51 | 140 | M36 | 50 |
| UCF326 | 130 | 410 | 320 | 65 | 45 | 115 | 41 | 135 | 54 | 146 | M36 | 66 |
| UCF328 | 140 | 450 | 350 | 75 | 55 | 125 | 41 | 145 | 59 | 141 | M36 | 90 |

| Unit No. | Shaft Dia | Dimensions (mm) | Bolt Size (mm) | Weight (kg) | |||||||||||
| d | L | J | A2 | A1 | A | H | H1 | N | D1 | S | Z | ||||
| (in) | (mm) | ||||||||||||||
| UCFS305 | 25 | 110 | 80 | 9 | 22 | 29 | 7 | 13 | 16 | 80 | 15 | 32 | M14 | 1.3 | |
| UCFS305-14 | 7/8 | 110 | 80 | 9 | 22 | 29 | 7 | 13 | 16 | 80 | 15 | 32 | M14 | 1.3 | |
| UCFS305-15 | 15/16 | 110 | 80 | 9 | 22 | 29 | 7 | 13 | 16 | 80 | 15 | 32 | M14 | 1.3 | |
| UCFS305-16 | 1 | 110 | 80 | 9 | 22 | 29 | 7 | 13 | 16 | 80 | 15 | 32 | M14 | 1.3 | |
| UCFS306 | 30 | 125 | 95 | 10 | 24 | 32 | 8 | 15 | 16 | 90 | 17 | 36 | M14 | 1.9 | |
| UCFS306-18 | 1-1/8 | 125 | 95 | 10 | 24 | 32 | 8 | 15 | 16 | 90 | 17 | 36 | M14 | 1.9 | |
| UCFS306-19 | 1-3/16 | 125 | 95 | 10 | 24 | 32 | 8 | 15 | 16 | 90 | 17 | 36 | M14 | 1.9 | |
| UCFS307 | 35 | 135 | 100 | 11 | 27 | 36 | 9 | 16 | 19 | 100 | 19 | 40 | M16 | 2.4 | |
| UCFS307-20 | 1-1/4 | 135 | 100 | 11 | 27 | 36 | 9 | 16 | 19 | 100 | 19 | 40 | M16 | 2.4 | |
| UCFS307-21 | 1-5/16 | 135 | 100 | 11 | 27 | 36 | 9 | 16 | 19 | 100 | 19 | 40 | M16 | 2.4 | |
| UCFS307-22 | 1-3/8 | 135 | 100 | 11 | 27 | 36 | 9 | 16 | 19 | 100 | 19 | 40 | M16 | 2.4 | |
| UCFS308 | 40 | 150 | 112 | 13 | 30 | 40 | 10 | 17 | 19 | 115 | 19 | 46 | M16 | 3.3 | |
| UCFS308-24 | 1-7/8 | 150 | 112 | 13 | 30 | 40 | 10 | 17 | 19 | 115 | 19 | 46 | M16 | 3.3 | |
| UCFS308-25 | 1-15/16 | 150 | 112 | 13 | 30 | 40 | 10 | 17 | 19 | 115 | 19 | 46 | M16 | 3.3 | |
| UCFS309 | 45 | 160 | 125 | 14 | 33 | 44 | 11 | 18 | 19 | 125 | 22 | 49 | M16 | 4 | |
| UCFS309-26 | 2 | 160 | 125 | 14 | 33 | 44 | 11 | 18 | 19 | 125 | 22 | 49 | M16 | 4 | |
| UCFS309-27 | 2-1/8 | 160 | 125 | 14 | 33 | 44 | 11 | 18 | 19 | 125 | 22 | 49 | M16 | 4 | |
| UCFS309-28 | 2-3/16 | 160 | 125 | 14 | 33 | 44 | 11 | 18 | 19 | 125 | 22 | 49 | M16 | 4 | |
| UCFS310 | 50 | 175 | 132 | 16 | 36 | 48 | 12 | 19 | 23 | 140 | 22 | 55 | M20 | 5.3 | |
| UCFS310-30 | 1-7/8 | 175 | 132 | 16 | 36 | 48 | 12 | 19 | 23 | 140 | 22 | 55 | M20 | 5.3 | |
| UCFS310-31 | 1-15/16 | 175 | 132 | 16 | 36 | 48 | 12 | 19 | 23 | 140 | 22 | 55 | M20 | 5.3 | |
| UCFS311 | 55 | 185 | 140 | 17 | 39 | 52 | 13 | 20 | 23 | 150 | 25 | 58 | M20 | 6.2 | |
| UCFS311-32 | 2 | 185 | 140 | 17 | 39 | 52 | 13 | 20 | 23 | 150 | 25 | 58 | M20 | 6.2 | |
| UCFS311-34 | 2-1/8 | 185 | 140 | 17 | 39 | 52 | 13 | 20 | 23 | 150 | 25 | 58 | M20 | 6.2 | |
| UCFS311-36 | 2-3/16 | 185 | 140 | 17 | 39 | 52 | 13 | 20 | 23 | 150 | 25 | 58 | M20 | 6.2 | |
| UCFS312 | 60 | 195 | 150 | 19 | 42 | 56 | 14 | 22 | 23 | 160 | 26 | 64 | M20 | 7.2 | |
| UCFS312-36 | 2-1/4 | 195 | 150 | 19 | 42 | 56 | 14 | 22 | 23 | 160 | 26 | 64 | M20 | 7.2 | |
| UCFS312-38 | 2-3/8 | 195 | 150 | 19 | 42 | 56 | 14 | 22 | 23 | 160 | 26 | 64 | M20 | 7.2 | |
| UCFS312-39 | 2-7/16 | 195 | 150 | 19 | 42 | 56 | 14 | 22 | 23 | 160 | 26 | 64 | M20 | 7.2 | |
| UCFS313 | 65 | 208 | 166 | 15 | 40 | 58 | 18 | 22 | 23 | 175 | 30 | 60 | M20 | 8.9 | |
| UCFS313-40 | 2-1/2 | 208 | 166 | 15 | 40 | 58 | 18 | 22 | 23 | 175 | 30 | 60 | M20 | 8.9 | |
| UCFS314 | 70 | 226 | 178 | 18 | 43 | 61 | 18 | 25 | 25 | 185 | 31 | 65 | M22 | 11 | |
| UCFS314-44 | 2-3/4 | 226 | 178 | 18 | 43 | 61 | 18 | 25 | 25 | 185 | 31 | 65 | M22 | 11 | |
| UCFS315 | 75 | 236 | 184 | 21 | 48 | 66 | 18 | 25 | 25 | 200 | 32 | 71 | M22 | 13 | |
| UCFS315-48 | 3 | 236 | 184 | 21 | 48 | 66 | 18 | 25 | 25 | 200 | 32 | 71 | M22 | 13 | |
| UCFS316 | 80 | 250 | 196 | 18 | 48 | 68 | 20 | 27 | 31 | 210 | 34 | 70 | M27 | 15 | |
| UCFS317 | 85 | 260 | 204 | 24 | 54 | 74 | 20 | 27 | 31 | 220 | 40 | 80 | M27 | 17 | |
| UCFS317-52 | 3-1/4 | 260 | 204 | 24 | 54 | 74 | 20 | 27 | 31 | 220 | 40 | 80 | M27 | 17 | |
| UCFS318 | 90 | 280 | 216 | 24 | 56 | 76 | 20 | 30 | 35 | 240 | 40 | 80 | M30 | 21 | |
| UCFS318-56 | 3-1/2 | 280 | 216 | 24 | 56 | 76 | 20 | 30 | 35 | 240 | 40 | 80 | M30 | 21 | |
| UCFS319 | 95 | 290 | 228 | 39 | 74 | 94 | 20 | 30 | 35 | 250 | 41 | 101 | M30 | 25 | |
| UCFS319-60 | 3-3/4 | 290 | 228 | 39 | 74 | 94 | 20 | 30 | 35 | 250 | 41 | 101 | M30 | 25 | |
| UCFS320 | 100 | 310 | 242 | 39 | 74 | 94 | 20 | 32 | 38 | 260 | 42 | 105 | M33 | 30 | |
| UCFS320-64 | 4 | 310 | 242 | 39 | 74 | 94 | 20 | 32 | 38 | 260 | 42 | 105 | M33 | 30 | |
| UCFS322 | 100 | 340 | 266 | 35 | 71 | 96 | 25 | 35 | 41 | 300 | 46 | 106 | M36 | 39 | |
| UCFS324 | 120 | 370 | 290 | 35 | 80 | 110 | 30 | 40 | 41 | 330 | 51 | 110 | M36 | 54 | |
| UCFS326 | 130 | 410 | 320 | 35 | 85 | 115 | 30 | 45 | 41 | 360 | 54 | 116 | M36 | 71 | |
| UCFS328 | 140 | 450 | 350 | 45 | 95 | 125 | 30 | 55 | 41 | 400 | 59 | 131 | M36 | 100 | |

| Unit No. | Shaft Dia | Dimensions (mm) | Bolt Size (mm) | Weight | |||||||||
| d | L | J | A2 | A1 | A | N | B1 | S | Z | (kg) | |||
| (in) | (mm) | ||||||||||||
| NAFS201S | 12 | 76 | 54 | 15 | 11 | 24.5 | 11.5 | 37.3 | 13.9 | 38.4 | M10 | 0.66 | |
| NAFS201-8S | 1/2 | 76 | 54 | 15 | 11 | 24.5 | 11.5 | 37.3 | 13.9 | 38.4 | M10 | 0.66 | |
| NAFS202S | 15 | 76 | 54 | 15 | 11 | 24.5 | 11.5 | 37.3 | 13.9 | 38.4 | M10 | 0.66 | |
| NAFS202-1OS | 5/8 | 76 | 54 | 15 | 11 | 24.5 | 11.5 | 37.3 | 13.9 | 38.4 | M10 | 0.66 | |
| NAFS203S | 17 | 76 | 54 | 15 | 11 | 24.5 | 11.5 | 37.3 | 13.9 | 38.4 | M10 | 0.66 | |
| NAFS203-11S | 11/16 | 76 | 54 | 15 | 11 | 24.5 | 11.5 | 37.3 | 13.9 | 38.4 | M10 | 0.66 | |
| NAFS201 | 12 | 86 | 63.5 | 19 | 15 | 29.5 | 11.5 | 43.7 | 17 | 45.5 | M10 | 0.8 | |
| NAFS201-8 | 1/2 | 86 | 63.5 | 19 | 15 | 29.5 | 11.5 | 43.7 | 17 | 45.5 | M10 | 0.8 | |
| NAFS202 | 15 | 86 | 63.5 | 19 | 15 | 29.5 | 11.5 | 43.7 | 17 | 45.5 | M10 | 0.8 | |
| NAFS202-10 | 5/8 | 86 | 63.5 | 19 | 15 | 29.5 | 11.5 | 43.7 | 17 | 45.5 | M10 | 0.8 | |
| NAFS203 | 17 | 86 | 63.5 | 19 | 15 | 29.5 | 11.5 | 43.7 | 17 | 45.5 | M10 | 0.8 | |
| NAFS203-11 | 11/16 | 86 | 63.5 | 19 | 15 | 29.5 | 11.5 | 43.7 | 17 | 45.5 | M10 | 0.8 | |
| NAFS204 | 20 | 86 | 63.5 | 19 | 15 | 29.5 | 11.5 | 43.7 | 17 | 45.5 | M10 | 0.8 | |
| NAFS204-12 | 3/4 | 86 | 63.5 | 19 | 15 | 29.5 | 11.5 | 43.7 | 17 | 45.5 | M10 | 0.8 | |
| NAFS205 | 25 | 93 | 70 | 19 | 15 | 30 | 11.5 | 44.4 | 17.4 | 45.9 | M10 | 0.95 | |
| NAFS205-11 | 7/8 | 93 | 70 | 19 | 15 | 30 | 11.5 | 44.4 | 17.4 | 45.9 | M10 | 0.95 | |
| NAFS205-15 | 15/16 | 93 | 70 | 19 | 15 | 30 | 11.5 | 44.4 | 17.4 | 45.9 | M10 | 0.95 | |
| NAFS205-16 | 1 | 93 | 70 | 19 | 15 | 30 | 11.5 | 44.4 | 17.4 | 45.9 | M10 | 0.95 | |
| NAFS206 | 30 | 106 | 82.5 | 20 | 16 | 32.5 | 11.5 | 48.4 | 18.2 | 50.1 | M10 | 1.32 | |
| NAFS206-18 | 1-1/8 | 106 | 82.5 | 20 | 16 | 32.5 | 11.5 | 48.4 | 18.2 | 50.1 | M10 | 1.32 | |
| NAFS206-19 | 1-3/16 | 106 | 82.5 | 20 | 16 | 32.5 | 11.5 | 48.4 | 18.2 | 50.1 | M10 | 1.32 | |
| NAFS206-20 | 1-1/4 | 106 | 82.5 | 20 | 16 | 32.5 | 11.5 | 48.4 | 18.2 | 50.1 | M10 | 1.32 | |
| NAFS207 | 35 | 116 | 92 | 21 | 17 | 35 | 14 | 51.1 | 18.8 | 53.3 | M12 | 1.77 | |
| NAFS207-20 | 1-1/4 | 116 | 92 | 21 | 17 | 35 | 14 | 51.1 | 18.8 | 53.3 | M12 | 1.77 | |
| NAFS207-21 | 1-5/16 | 116 | 92 | 21 | 17 | 35 | 14 | 51.1 | 18.8 | 53.3 | M12 | 1.77 | |
| NAFS207-22 | 1-3/16 | 116 | 92 | 21 | 17 | 35 | 14 | 51.1 | 18.8 | 53.3 | M12 | 1.77 | |
| NAFS207-23 | 1-7/16 | 116 | 92 | 21 | 17 | 35 | 14 | 51.1 | 18.8 | 53.3 | M12 | 1.77 | |
| NAFS208 | 40 | 129 | 101.5 | 24 | 17 | 39 | 14 | 56.3 | 21.4 | 58.9 | M12 | 2.22 | |
| NAFS208-24 | 1-1/2 | 129 | 101.5 | 24 | 17 | 39 | 14 | 56.3 | 21.4 | 58.9 | M12 | 2.22 | |
| NAFS208-25 | 1-9/16 | 129 | 101.5 | 24 | 17 | 39 | 14 | 56.3 | 21.4 | 58.9 | M12 | 2.22 | |
| NAFS209 | 45 | 135 | 105 | 24 | 18 | 40 | 16 | 56.3 | 21.4 | 58.9 | M14 | 2.63 | |
| NAFS209-26 | 1-5/8 | 135 | 105 | 24 | 18 | 40 | 16 | 56.3 | 21.4 | 58.9 | M14 | 2.63 | |
| NAFS209-27 | 1-11/16 | 135 | 105 | 24 | 18 | 40 | 16 | 56.3 | 21.4 | 58.9 | M14 | 2.63 | |
| NAFS209-28 | 1-3/4 | 135 | 105 | 24 | 18 | 40 | 16 | 56.3 | 21.4 | 58.9 | M14 | 2.63 | |
| NAFS210 | 50 | 143 | 111 | 28 | 20 | 45 | 18 | 62.7 | 24.6 | 66.1 | M16 | 2.95 | |
| NAFS210-30 | 1-7/8 | 143 | 111 | 28 | 20 | 45 | 18 | 62.7 | 24.6 | 66.1 | M16 | 2.95 | |
| NAFS210-31 | 1-15/16 | 143 | 111 | 28 | 20 | 45 | 18 | 62.7 | 24.6 | 66.1 | M16 | 2.95 | |
| NAFS210-32 | 2 | 143 | 111 | 28 | 20 | 45 | 18 | 62.7 | 24.6 | 66.1 | M16 | 2.95 | |
| NAFS211 | 55 | 162 | 130 | 31 | 21 | 49 | 18 | 71.4 | 27.7 | 74.6 | M16 | 4.1 | |
| NAFS211-32 | 2 | 162 | 130 | 31 | 21 | 49 | 18 | 71.4 | 27.7 | 74.6 | M16 | 4.1 | |
| NAFS211-34 | 2-1/8 | 162 | 130 | 31 | 21 | 49 | 18 | 71.4 | 27.7 | 74.6 | M16 | 4.1 | |
| NAFS211-35 | 2-3/16 | 162 | 130 | 31 | 21 | 49 | 18 | 71.4 | 27.7 | 74.6 | M16 | 4.1 | |
| NAFS212 | 60 | 175 | 143 | 34 | 22 | 53.5 | 18 | 77.8 | 30.9 | 80.8 | M16 | 4.86 | |
| NAFS212-36 | 2-1/4 | 175 | 143 | 34 | 22 | 53.5 | 18 | 77.8 | 30.9 | 80.8 | M16 | 4.86 | |
| NAFS212-38 | 2-3/8 | 175 | 143 | 34 | 22 | 53.5 | 18 | 77.8 | 30.9 | 80.8 | M16 | 4.86 | |
| NAFS212-39 | 2-7/16 | 175 | 143 | 34 | 22 | 53.5 | 18 | 77.8 | 30.9 | 80.8 | M16 | 4.86 | |
| NAFS213 | 65 | 184 | 149 | 38 | 22 | 58 | 18 | 85.7 | 34.1 | 89.6 | M16 | 5.9 | |
| NAFS213-40 | 2-1/2 | 184 | 149 | 38 | 22 | 58 | 18 | 85.7 | 34.1 | 89.6 | M16 | 5.9 | |
| NAFS214 | 70 | 188 | 152 | 38 | 23 | 60 | 18 | 85.7 | 34.1 | 89.6 | M16 | 6.45 | |
| NAFS214-44 | 2-3/4 | 188 | 152 | 38 | 23 | 60 | 18 | 85.7 | 34.1 | 89.6 | M16 | 6.45 | |
| NAFS215 | 75 | 200 | 159 | 41 | 24 | 62 | 18 | 92.1 | 37.3 | 95.8 | M16 | 7.55 | |
| NAFS215-47 | 2-15/16 | 200 | 159 | 41 | 24 | 62 | 18 | 92.1 | 37.3 | 95.8 | M16 | 7.55 | |
| NAFS215-48 | 3 | 200 | 159 | 41 | 24 | 62 | 18 | 92.1 | 37.3 | 95.8 | M16 | 7.55 | |
| NAFS216 | 80 | 207 | 165 | 42 | 25 | 63 | 22 | 95.2 | 37.3 | 99.9 | M20 | 8.65 | |
0+
years
Industry Experience
0+
Model diversity
0+
Number of Employees
0
$
Annual export value
As quadruped robots, especially those designed to mimic wolves, continue to gain traction in robotics and artificial intelligence, the importance of choosing the right bearings cannot be overstated. B...
Introduction In the ever-evolving field of healthcare, the role of medical equipment bearings is crucial. These small yet essential components ensure that complex medical devices function smoothly, of...
Introduction When selecting bearings for rotating machinery, the performance of the bearing plays a crucial role in the overall efficiency and reliability of the system. Among various bearing types, Y...
Introduction In the world of manufacturing, precision is key. Every step of the production process must be executed with utmost accuracy to ensure high-quality end products. One essential component th...