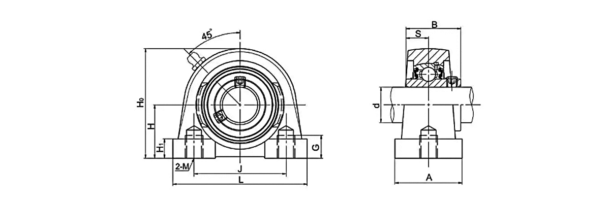
Tapped Base Pillow Block Bearing Unit consisting of a Cast Iron Housing with an Anti-Rotation Device and a Set Screw Insert Ball Bearing. The Chrome Steel Insert Bearing features a slinger seal design, is self aligning, and has been equipped with two specifically designed set screws that are positioned in the inner ring of the ball bearing to tighten and attach to a shaft. Tapped Base Pillow Block Bearing are used in various applications including Agriculture, Automotive, Construction, Pump, Manufacturing Equipment, Sporting and Consumer Goods, Conveyor and Fan Assemblies, Farm Machinery, HVAC, Feed Mills, among other Industrial Equipment.

| Unit No. | Shaft Dia | Dimensions (mm) | Bolt Size | Weight | ||||||||||
| d | H | L | J | A | G | H1 | Ho | M | B | S | (mm) | (kg) | ||
| (in) | (mm) | |||||||||||||
| UCWPA201 | 12 | 30.2 | 71 | 48 | 36 | 9 | 10 | 57 | M10 | 27.4 | 11.5 | M10 | 0.67 | |
| UCWPA202 | 15 | 30.2 | 71 | 48 | 36 | 9 | 10 | 57 | M10 | 27.4 | 11.5 | M10 | 0.63 | |
| UCWPA203 | 17 | 30.2 | 71 | 48 | 36 | 9 | 10 | 57 | M10 | 27.4 | 11.5 | M10 | 0.62 | |
| UCPA201 | 12 | 30.2 | 76 | 52 | 38 | 13 | 11 | 62 | M10 | 31 | 12.7 | M10 | 0.67 | |
| UCPA201-8 | 1/2 | 30.2 | 76 | 52 | 38 | 13 | 11 | 62 | M10 | 31 | 12.7 | M10 | 0.67 | |
| UCPA202 | 15 | 30.2 | 76 | 52 | 38 | 13 | 11 | 62 | M10 | 31 | 12.7 | M10 | 0.63 | |
| UCPA202-9 | 9/16 | 30.2 | 76 | 52 | 38 | 13 | 11 | 62 | M10 | 31 | 12.7 | M10 | 0.63 | |
| UCPA202-10 | 5/8 | 30.2 | 76 | 52 | 38 | 13 | 11 | 62 | M10 | 31 | 12.7 | M10 | 0.63 | |
| UCPA203 | 17 | 30.2 | 76 | 52 | 38 | 13 | 11 | 62 | M10 | 31 | 12.7 | M10 | 0.62 | |
| UCPA203-11 | 11/16 | 30.2 | 76 | 52 | 38 | 13 | 11 | 62 | M10 | 31 | 12.7 | M10 | 0.62 | |
| UCPA204 | 20 | 30.2 | 76 | 52 | 38 | 13 | 11 | 62 | M10 | 31 | 12.7 | M10 | 0.6 | |
| UCPA204-12 | 3/4 | 30.2 | 76 | 52 | 38 | 13 | 11 | 62 | M10 | 31 | 12.7 | M10 | 0.6 | |
| UCPA205 | 25 | 36.5 | 84 | 56 | 38 | 15 | 12 | 72 | M10 | 34.1 | 14.3 | M10 | 0.81 | |
| UCPA205-14 | 7/8 | 36.5 | 84 | 56 | 38 | 15 | 12 | 72 | M10 | 34.1 | 14.3 | M10 | 0.81 | |
| UCPA205-15 | 15/16 | 36.5 | 84 | 56 | 38 | 15 | 12 | 72 | M10 | 34.1 | 14.3 | M10 | 0.81 | |
| UCPA205-16 | 1 | 36.5 | 84 | 56 | 38 | 15 | 12 | 72 | M10 | 34.1 | 14.3 | M10 | 0.81 | |
| UCPA206 | 30 | 42.9 | 94 | 66 | 48 | 18 | 12 | 84 | M14 | 38.1 | 15.9 | M14 | 1.2 | |
| UCPA206-17 | 1-1/16 | 42.9 | 94 | 66 | 48 | 18 | 12 | 84 | M14 | 38.1 | 15.9 | M14 | 1.2 | |
| UCPA206-18 | 1-1/8 | 42.9 | 94 | 66 | 48 | 18 | 12 | 84 | M14 | 38.1 | 15.9 | M14 | 1.2 | |
| UCPA206-19 | 1-3/16 | 42.9 | 94 | 66 | 48 | 18 | 12 | 84 | M14 | 38.1 | 15.9 | M14 | 1.2 | |
| UCPA206-20 | 1-1/4 | 42.9 | 94 | 66 | 48 | 18 | 12 | 84 | M14 | 38.1 | 15.9 | M14 | 1.2 | |
| UCPA207 | 35 | 47.6 | 110 | 80 | 48 | 20 | 13 | 95 | M14 | 42.9 | 17.5 | M14 | 1.7 | |
| UCPA207-20 | 1-1/4 | 47.6 | 110 | 80 | 48 | 20 | 13 | 95 | M14 | 42.9 | 17.5 | M14 | 1.7 | |
| UCPA207-21 | 1-5/16 | 47.6 | 110 | 80 | 48 | 20 | 13 | 95 | M14 | 42.9 | 17.5 | M14 | 1.7 | |
| UCPA207-22 | 1-3/8 | 47.6 | 110 | 80 | 48 | 20 | 13 | 95 | M14 | 42.9 | 17.5 | M14 | 1.7 | |
| UCPA207-23 | 1-7/16 | 47.6 | 110 | 80 | 48 | 20 | 13 | 95 | M14 | 42.9 | 17.5 | M14 | 1.7 | |
| UCPA208 | 40 | 49.2 | 116 | 84 | 54 | 20 | 13 | 100 | M14 | 49.2 | 19 | M14 | 1.9 | |
| UCPA208-24 | 1-1/2 | 49.2 | 116 | 84 | 54 | 20 | 13 | 100 | M14 | 49.2 | 19 | M14 | 1.9 | |
| UCPA208-25 | 1-9/16 | 49.2 | 116 | 84 | 54 | 20 | 13 | 100 | M14 | 49.2 | 19 | M14 | 1.9 | |
| UCPA209 | 45 | 54.2 | 120 | 90 | 54 | 25 | 13 | 108 | M14 | 49.2 | 19 | M14 | 2.2 | |
| UCPA209-26 | 1-5/8 | 54.2 | 120 | 90 | 54 | 25 | 13 | 108 | M14 | 49.2 | 19 | M14 | 2.2 | |
| UCPA209-27 | 1-11/16 | 54.2 | 120 | 90 | 54 | 25 | 13 | 108 | M14 | 49.2 | 19 | M14 | 2.2 | |
| UCPA209-28 | 1-3/4 | 54.2 | 120 | 90 | 54 | 25 | 13 | 108 | M14 | 49.2 | 19 | M14 | 2.2 | |
| UCPA210 | 50 | 57.2 | 130 | 94 | 60 | 25 | 14 | 116 | M16 | 51.6 | 19 | M16 | 2.6 | |
| UCPA210-30 | 1-7/8 | 57.2 | 130 | 94 | 60 | 25 | 14 | 116 | M16 | 51.6 | 19 | M16 | 2.6 | |
| UCPA210-31 | 1-15/16 | 57.2 | 130 | 94 | 60 | 25 | 14 | 116 | M16 | 51.6 | 19 | M16 | 2.6 | |
| UCPA210-32 | 2 | 57.2 | 130 | 94 | 60 | 25 | 14 | 116 | M16 | 51.6 | 19 | M16 | 2.6 | |
| UCPA211 | 55 | 63.5 | 140 | 104 | 66 | 25 | 14 | 125 | Ml 6 | 55.6 | 22.2 | M16 | 3 | |
| UCPA211-32 | 2 | 63.5 | 140 | 104 | 66 | 25 | 14 | 125 | Ml 6 | 55.6 | 22.2 | M16 | 3 | |
| UCPA211-34 | 2-1/8 | 63.5 | 140 | 104 | 66 | 25 | 14 | 125 | Ml 6 | 55.6 | 22.2 | M16 | 3 | |
| UCPA211-35 | 2-3/16 | 63.5 | 140 | 104 | 66 | 25 | 14 | 125 | Ml 6 | 55.6 | 22.2 | M16 | 3 | |
| UCPA212 | 60 | 69.9 | 150 | 114 | 68 | 25 | 17 | 138 | M16 | 65.1 | 25.4 | M16 | 4.24 | |
| UCPA212-36 | 2-1/4 | 69.9 | 150 | 114 | 68 | 25 | 17 | 138 | M16 | 65.1 | 25.4 | M16 | 4.24 | |
| UCPA212-38 | 2-3/8 | 69.9 | 150 | 114 | 68 | 25 | 17 | 138 | M16 | 65.1 | 25.4 | M16 | 4.24 | |
| UCPA212-39 | 2-7/16 | 69.9 | 150 | 114 | 68 | 25 | 17 | 138 | M16 | 65.1 | 25.4 | M16 | 4.24 | |

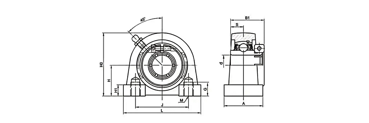
| Unit No. | Shaft Dia | Dimensions (mm) | Bolt Size | Weight | ||||||||||
| d | H | L | J | A | G | H1 | Ho | M | B1 | S | (mm) | (kg) | ||
| (in) | (mm) | |||||||||||||
| UEPA204 | 20 | 30.2 | 76 | 52 | 38 | 13 | 11 | 62 | M10 | 33 | 12.7 | M10 | 0.65 | |
| UEPA204-12 | 3/4 | 30.2 | 76 | 52 | 38 | 13 | 11 | 62 | M10 | 33 | 12.7 | M10 | 0.65 | |
| UEPA205 | 25 | 36.5 | 84 | 56 | 38 | 15 | 12 | 72 | M10 | 35.4 | 14.3 | M10 | 0.85 | |
| UEPA205-14 | 7/8 | 36.5 | 84 | 56 | 38 | 15 | 12 | 72 | M10 | 35.4 | 14.3 | M10 | 0.85 | |
| UEPA205-15 | 15/16 | 36.5 | 84 | 56 | 38 | 15 | 12 | 72 | M10 | 35.4 | 14.3 | M10 | 0.85 | |
| UEPA205-16 | 1 | 36.5 | 84 | 56 | 38 | 15 | 12 | 72 | M10 | 35.4 | 14.3 | M10 | 0.85 | |
| UEPA206 | 30 | 42.9 | 94 | 66 | 48 | 18 | 12 | 84 | M14 | 39.8 | 15.9 | M14 | 1.3 | |
| UEPA206-17 | 1-1/16 | 42.9 | 94 | 66 | 48 | 18 | 12 | 84 | M14 | 39.8 | 15.9 | M14 | 1.3 | |
| UEPA206-18 | 1-1/8 | 42.9 | 94 | 66 | 48 | 18 | 12 | 84 | M14 | 39.8 | 15.9 | M14 | 1.3 | |
| UEPA206-19 | 1-3/16 | 42.9 | 94 | 66 | 48 | 18 | 12 | 84 | M14 | 39.8 | 15.9 | M14 | 1.3 | |
| UEPA206-20 | 1-1/4 | 42.9 | 94 | 66 | 48 | 18 | 12 | 84 | M14 | 39.8 | 15.9 | M14 | 1.3 | |
| UEPA207 | 35 | 47.6 | 110 | 80 | 48 | 20 | 13 | 95 | M14 | 43.9 | 17.5 | M14 | 1.7 | |
| UEPA207-20 | 1-1/4 | 47.6 | 110 | 80 | 48 | 20 | 13 | 95 | M14 | 43.9 | 17.5 | M14 | 1.7 | |
| UEPA207-21 | 1-5/16 | 47.6 | 110 | 80 | 48 | 20 | 13 | 95 | M14 | 43.9 | 17.5 | M14 | 1.7 | |
| UEPA207-22 | 1-3/8 | 47.6 | 110 | 80 | 48 | 20 | 13 | 95 | M14 | 43.9 | 17.5 | M14 | 1.7 | |
| UEPA207-23 | 1-7/16 | 47.6 | 110 | 80 | 48 | 20 | 13 | 95 | M14 | 43.9 | 17.5 | M14 | 1.7 | |
| UEPA208 | 40 | 49.2 | 116 | 84 | 54 | 20 | 13 | 100 | M14 | 50.2 | 19 | M14 | 2.12 | |
| UEPA208-24 | 1-1/2 | 49.2 | 116 | 84 | 54 | 20 | 13 | 100 | M14 | 50.2 | 19 | M14 | 2.12 | |
| UEPA208-25 | 1-9/16 | 49.2 | 116 | 84 | 54 | 20 | 13 | 100 | M14 | 50.2 | 19 | M14 | 2.12 | |
| UEPA209 | 45 | 54.2 | 120 | 90 | 54 | 25 | 13 | 108 | M14 | 50.2 | 19 | M14 | 2.54 | |
| UEPA209-26 | 1-5/8 | 54.2 | 120 | 90 | 54 | 25 | 13 | 108 | M14 | 50.2 | 19 | M14 | 2.54 | |
| UEPA209-27 | 1-11/16 | 54.2 | 120 | 90 | 54 | 25 | 13 | 108 | M14 | 50.2 | 19 | M14 | 2.54 | |
| UEPA209-28 | 1-3/4 | 54.2 | 120 | 90 | 54 | 25 | 13 | 108 | M14 | 50.2 | 19 | M14 | 2.54 | |
| UEPA210 | 50 | 57.2 | 130 | 94 | 60 | 25 | 14 | 116 | M16 | 52.6 | 19 | M16 | 3.25 | |
| UEPA210-30 | 1-7/8 | 57.2 | 130 | 94 | 60 | 25 | 14 | 116 | M16 | 52.6 | 19 | M16 | 3.25 | |
| UEPA210-31 | 1-15/16 | 57.2 | 130 | 94 | 60 | 25 | 14 | 116 | M16 | 52.6 | 19 | M16 | 3.25 | |
| UEPA210-32 | 2 | 57.2 | 130 | 94 | 60 | 25 | 14 | 116 | M16 | 52.6 | 19 | M16 | 3.25 | |
| UEPA211 | 55 | 63.5 | 140 | 104 | 66 | 25 | 14 | 125 | Ml 6 | 56.6 | 22.2 | M16 | 3.63 | |
| UEPA211-32 | 2 | 63.5 | 140 | 104 | 66 | 25 | 14 | 125 | Ml 6 | 56.6 | 22.2 | M16 | 3.63 | |
| UEPA211-34 | 2-1/8 | 63.5 | 140 | 104 | 66 | 25 | 14 | 125 | Ml 6 | 56.6 | 22.2 | M16 | 3.63 | |
| UEPA211-35 | 2-3/16 | 63.5 | 140 | 104 | 66 | 25 | 14 | 125 | Ml 6 | 56.6 | 22.2 | M16 | 3.63 | |
| UEPA212 | 60 | 69.9 | 150 | 114 | 68 | 25 | 17 | 138 | M16 | 66.6 | 25.4 | M16 | 4.7 | |
| UEPA212-36 | 2-1/4 | 69.9 | 150 | 114 | 68 | 25 | 17 | 138 | M16 | 66.6 | 25.4 | M16 | 4.7 | |
| UEPA212-38 | 2-3/8 | 69.9 | 150 | 114 | 68 | 25 | 17 | 138 | M16 | 66.6 | 25.4 | M16 | 4.7 | |
| UEPA212-39 | 2-7/16 | 69.9 | 150 | 114 | 68 | 25 | 17 | 138 | M16 | 66.6 | 25.4 | M16 | 4.7 | |

| Unit No. | Shaft Dia | Dimensions (mm) | Bolt Size | Weight | ||||||||||
| d | H | L | J | A | M | G | Ho | H1 | B | S | (mm) | (kg) | ||
| (in) | (mm) | |||||||||||||
| UCPW201 | 12 | 33.3 | 65 | 50.8 | 32 | M8 | 13 | 64 | 13 | 31 | 12.7 | M8 | 0.8 | |
| UCPW201-8 | 1/2 | 33.3 | 65 | 50.8 | 32 | M8 | 13 | 64 | 13 | 31 | 12.7 | M8 | 0.8 | |
| UCPW202 | 15 | 33.3 | 65 | 50.8 | 32 | M8 | 13 | 64 | 13 | 31 | 12.7 | M8 | 0.79 | |
| UCPW202-9 | 9/16 | 33.3 | 65 | 50.8 | 32 | M8 | 13 | 64 | 13 | 31 | 12.7 | M8 | 0.79 | |
| UCPW202-10 | 5/8 | 33.3 | 65 | 50.8 | 32 | M8 | 13 | 64 | 13 | 31 | 12.7 | M8 | 0.79 | |
| UCPW203 | 17 | 33.3 | 65 | 50.8 | 32 | M8 | 13 | 64 | 13 | 31 | 12.7 | M8 | 0.77 | |
| UCPW203-11 | 11/16 | 33.3 | 65 | 50.8 | 32 | M8 | 13 | 64 | 13 | 31 | 12.7 | M8 | 0.77 | |
| UCPW204 | 20 | 33.3 | 65 | 50.8 | 32 | M8 | 13 | 64 | 13 | 31 | 12.7 | MS | 0.76 | |
| UCPW204-12 | 3/4 | 33.3 | 65 | 50.8 | 32 | M8 | 13 | 64 | 13 | 31 | 12.7 | MS | 0.76 | |
| UCPW205 | 25 | 36.5 | 70 | 50.8 | 36 | M10 | 13 | 70 | 13 | 34.1 | 14.3 | M10 | 0.91 | |
| UCPW205-14 | 7/8 | 36.5 | 70 | 50.8 | 36 | M10 | 13 | 70 | 13 | 34.1 | 14.3 | M10 | 0.91 | |
| UCPW205-15 | 15/16 | 36.5 | 70 | 50.8 | 36 | M10 | 13 | 70 | 13 | 34.1 | 14.3 | M10 | 0.91 | |
| UCPW205-16 | 1 | 36.5 | 70 | 50.8 | 36 | M10 | 13 | 70 | 13 | 34.1 | 14.3 | M10 | 0.91 | |
| UCPW206 | 30 | 42.9 | 98 | 76.2 | 38 | M10 | 16 | 82 | 15 | 38.1 | 15.9 | M10 | 1.42 | |
| UCPW206-17 | 1-1/16 | 42.9 | 98 | 76.2 | 38 | M10 | 16 | 82 | 15 | 38.1 | 15.9 | M10 | 1.42 | |
| UCPW206-18 | 1-1/8 | 42.9 | 98 | 76.2 | 38 | M10 | 16 | 82 | 15 | 38.1 | 15.9 | M10 | 1.42 | |
| UCPW206-19 | 1-3/16 | 42.9 | 98 | 76.2 | 38 | M10 | 16 | 82 | 15 | 38.1 | 15.9 | M10 | 1.42 | |
| UCPW206-20 | 1-1/4 | 42.9 | 98 | 76.2 | 38 | M10 | 16 | 82 | 15 | 38.1 | 15.9 | M10 | 1.42 | |
| UCPW207 | 35 | 47.6 | 103 | 82.6 | 45 | M10 | 19 | 93 | 15 | 42.9 | 17.5 | M10 | 1.91 | |
| UCPW207-20 | 1-1/4 | 47.6 | 103 | 82.6 | 45 | M10 | 19 | 93 | 15 | 42.9 | 17.5 | M10 | 1.91 | |
| UCPW207-21 | 1-5/16 | 47.6 | 103 | 82.6 | 45 | M10 | 19 | 93 | 15 | 42.9 | 17.5 | M10 | 1.91 | |
| UCPW207-22 | 1-3/8 | 47.6 | 103 | 82.6 | 45 | M10 | 19 | 93 | 15 | 42.9 | 17.5 | M10 | 1.91 | |
| UCPW207-23 | 1-7/16 | 47.6 | 103 | 82.6 | 45 | M10 | 19 | 93 | 15 | 42.9 | 17.5 | M10 | 1.91 | |
| UCPW208 | 40 | 49.2 | 116 | 88.9 | 48 | M12 | 19 | 99 | 15 | 49.2 | 19 | M12 | 2.28 | |
| UCPW208-24 | 1-1/2 | 49.2 | 116 | 88.9 | 48 | M12 | 19 | 99 | 15 | 49.2 | 19 | M12 | 2.28 | |
| UCPW208-25 | 1-9/16 | 49.2 | 116 | 88.9 | 48 | M12 | 19 | 99 | 15 | 49.2 | 19 | M12 | 2.28 | |
| UCPW209 | 45 | 53.9 | 120 | 95.3 | 48 | M12 | 19 | 107 | 18 | 49.2 | 19 | M12 | 2.61 | |
| UCPW209-26 | 1-5/8 | 53.9 | 120 | 95.3 | 48 | M12 | 19 | 107 | 18 | 49.2 | 19 | M12 | 2.61 | |
| UCPW209-27 | 1-11/16 | 53.9 | 120 | 95.3 | 48 | M12 | 19 | 107 | 18 | 49.2 | 19 | M12 | 2.61 | |
| UCPW209-28 | 1-3/4 | 53.9 | 120 | 95.3 | 48 | M12 | 19 | 107 | 18 | 49.2 | 19 | M12 | 2.61 | |
| UCPW210 | 50 | 57.2 | 135 | 101.6 | 54 | M16 | 22 | 115 | 18 | 51.6 | 19 | M16 | 3.28 | |
| UCPW210-30 | 1-7/8 | 57.2 | 135 | 101.6 | 54 | M16 | 22 | 115 | 18 | 51.6 | 19 | M16 | 3.28 | |
| UCPW210-31 | 1-15/16 | 57.2 | 135 | 101.6 | 54 | M16 | 22 | 115 | 18 | 51.6 | 19 | M16 | 3.28 | |
| UCPW210-32 | 2 | 57.2 | 135 | 101.6 | 54 | M16 | 22 | 115 | 18 | 51.6 | 19 | M16 | 3.28 | |

| Unit No. | Shaft Dia | Dimensions (mm) | Bolt Size | Weight | ||||||||||
| d | H | L | J | A | M | G | H1 | Ho | B | S | (mm) | (kg) | ||
| (in) | (mm) | |||||||||||||
| UCPG201 | 12 | 33.3 | 70 | 49 | 38 | M8 | 14 | 11 | 64 | 31 | 12.7 | M8 | 0.8 | |
| UCPG201-8 | 1/2 | 33.3 | 70 | 49 | 38 | M8 | 14 | 11 | 64 | 31 | 12.7 | M8 | 0.8 | |
| UCPG202 | 15 | 33.3 | 70 | 49 | 38 | M8 | 14 | 11 | 64 | 31 | 12.7 | M8 | 0.79 | |
| UCPG202-9 | 9/16 | 33.3 | 70 | 49 | 38 | M8 | 14 | 11 | 64 | 31 | 12.7 | M8 | 0.79 | |
| UCPG202-10 | 5/8 | 33.3 | 70 | 49 | 38 | M8 | 14 | 11 | 64 | 31 | 12.7 | M8 | 0.79 | |
| UCPG203 | 17 | 33.3 | 70 | 49 | 38 | M8 | 14 | 11 | 64 | 31 | 12.7 | M8 | 0.77 | |
| UCPG203-11 | 11/16 | 33.3 | 70 | 49 | 38 | M8 | 14 | 11 | 64 | 31 | 12.7 | M8 | 0.77 | |
| UCPG204 | 20 | 33.3 | 70 | 49 | 38 | M8 | 14 | 11 | 64 | 31 | 12.7 | M8 | 0.76 | |
| UCPG204-12 | 3/4 | 33.3 | 70 | 49 | 38 | M8 | 14 | 11 | 64 | 31 | 12.7 | M8 | 0.76 | |
| UCPG205 | 25 | 36.5 | 75 | 50 | 38 | M10 | 15 | 13 | 70 | 34.1 | 14.3 | M10 | 0.91 | |
| UCPG205-14 | 7/8 | 36.5 | 75 | 50 | 38 | M10 | 15 | 13 | 70 | 34.1 | 14.3 | M10 | 0.91 | |
| UCPG205-15 | 15/16 | 36.5 | 75 | 50 | 38 | M10 | 15 | 13 | 70 | 34.1 | 14.3 | M10 | 0.91 | |
| UCPG205-16 | 1 | 36.5 | 75 | 50 | 38 | M10 | 15 | 13 | 70 | 34.1 | 14.3 | M10 | 0.91 | |
| UCPG206 | 30 | 42.9 | 85 | 60 | 48 | M10 | 17 | 13 | 84 | 38.1 | 15.9 | M10 | 1.42 | |
| UCPG206-17 | 1-1/16 | 42.9 | 85 | 60 | 48 | M10 | 17 | 13 | 84 | 38.1 | 15.9 | M10 | 1.42 | |
| UCPG206-18 | 1-1/8 | 42.9 | 85 | 60 | 48 | M10 | 17 | 13 | 84 | 38.1 | 15.9 | M10 | 1.42 | |
| UCPG206-19 | 1-3/16 | 42.9 | 85 | 60 | 48 | M10 | 17 | 13 | 84 | 38.1 | 15.9 | M10 | 1.42 | |
| UCPG206-20 | 1-1/4 | 42.9 | 85 | 60 | 48 | M10 | 17 | 13 | 84 | 38.1 | 15.9 | M10 | 1.42 | |
| UCPG207 | 35 | 47.6 | 100 | 68 | 48 | M12 | 17 | 13 | 93 | 42.9 | 17.5 | M12 | 1.91 | |
| UCPG207-20 | 1-1/4 | 47.6 | 100 | 68 | 48 | M12 | 17 | 13 | 93 | 42.9 | 17.5 | M12 | 1.91 | |
| UCPG207-21 | 1-5/16 | 47.6 | 100 | 68 | 48 | M12 | 17 | 13 | 93 | 42.9 | 17.5 | M12 | 1.91 | |
| UCPG207-22 | 1-3/8 | 47.6 | 100 | 68 | 48 | M12 | 17 | 13 | 93 | 42.9 | 17.5 | M12 | 1.91 | |
| UCPG207-23 | 1-7/16 | 47.6 | 100 | 68 | 48 | M12 | 17 | 13 | 93 | 42.9 | 17.5 | M12 | 1.91 | |
| UCPG208 | 40 | 49.2 | 110 | 78 | 54 | M12 | 20 | 14 | 98 | 49.2 | 19 | M12 | 2.28 | |
| UCPG208-24 | 1-1/2 | 49.2 | 110 | 78 | 54 | M12 | 20 | 14 | 98 | 49.2 | 19 | M12 | 2.28 | |
| UCPG208-25 | 1-9/16 | 49.2 | 110 | 78 | 54 | M12 | 20 | 14 | 98 | 49.2 | 19 | M12 | 2.28 | |
| UCPG209 | 45 | 53.9 | 120 | 85 | 54 | M12 | 20 | 14 | 106 | 49.2 | 19 | M12 | 2.61 | |
| UCPG209-26 | 1-5/8 | 53.9 | 120 | 85 | 54 | M12 | 20 | 14 | 106 | 49.2 | 19 | M12 | 2.61 | |
| UCPG209-27 | 1-11/16 | 53.9 | 120 | 85 | 54 | M12 | 20 | 14 | 106 | 49.2 | 19 | M12 | 2.61 | |
| UCPG209-28 | 1-3/4 | 53.9 | 120 | 85 | 54 | M12 | 20 | 14 | 106 | 49.2 | 19 | M12 | 2.61 | |
| UCPG210 | 50 | 57.2 | 135 | 95 | 60 | M16 | 21 | 14 | 114 | 51.6 | 19 | M16 | 3.28 | |
| UCPG210-30 | 1-7/8 | 57.2 | 135 | 95 | 60 | M16 | 21 | 14 | 114 | 51.6 | 19 | M16 | 3.28 | |
| UCPG210-31 | 1-15/16 | 57.2 | 135 | 95 | 60 | M16 | 21 | 14 | 114 | 51.6 | 19 | M16 | 3.28 | |
| UCPG210-32 | 2 | 57.2 | 135 | 95 | 60 | M16 | 21 | 14 | 114 | 51.6 | 19 | M16 | 3.28 | |

| Unit No. | Shaft Dia | Dimensions (mm) | Weight | ||||||||||
| d | H | L | J | A | H1 | H0 | G | M | S | B | (kg) | ||
| (in) | (mm) | ||||||||||||
| UCTB201 | 12 | 33.3 | 73 | 50.8 | 38 | 10.9 | 65 | 13 | 3/8-16UNC | 12.7 | 31 | 0.77 | |
| UCTB201-8 | 1/2 | ||||||||||||
| UCTB202 | 15 | 33.3 | 73 | 50.8 | 38 | 10.9 | 65 | 13 | 3/8-16UNC | 12.7 | 31 | 0.75 | |
| UCTB202-9 | 9/16 | ||||||||||||
| UCTB202-10 | 5/8 | ||||||||||||
| UCTB203 | 17 | 33.3 | 73 | 50.8 | 38 | 10.9 | 65 | 13 | 3/8-16UNC | 12.7 | 31 | 0.74 | |
| UCTB203-11 | 11/16 | ||||||||||||
| UCTB204 | 20 | 33.3 | 73 | 50.8 | 38 | 10.9 | 65 | 13 | 3/8-16UNC | 12.7 | 31 | 0.73 | |
| UCTB204-12 | 3/4 | ||||||||||||
| UCTB205 | 25 | 36.5 | 76 | 50.8 | 38 | 12 | 71 | 13 | 3/8-16UNC | 14.3 | 34.1 | 0.83 | |
| UCTB205-14 | 7/8 | ||||||||||||
| UCTB205-15 | 15/16 | ||||||||||||
| UCTB205-16 | 1 | ||||||||||||
| UCTB206 | 30 | 42.9 | 102 | 76.2 | 38 | 12 | 86 | 16 | 7/16-14UNC | 15.9 | 38.1 | 1.36 | |
| UCTB206-17 | 1-1/16 | ||||||||||||
| UCTB206-18 | 1-1/8 | ||||||||||||
| UCTB206-19 | 1-3/16 | ||||||||||||
| UCTB206-20 | 1-1/4 | ||||||||||||
| UCTB207 | 35 | 47.6 | 108 | 82.6 | 48 | 13 | 95 | 19 | 1/2-13UNC | 17.5 | 42.9 | 1.83 | |
| UCTB207-20 | 1-1/4 | ||||||||||||
| UCTB207-21 | 1-5/16 | ||||||||||||
| UCTB207-22 | 1-3/8 | ||||||||||||
| UCTB207-23 | 1-7/16 | ||||||||||||
| UCTB208 | 40 | 49.2 | 117 | 88.9 | 48 | 13 | 100 | 19 | 1/2-13UNC | 19 | 49.2 | 2.13 | |
| UCTB208-24 | 1-1/2 | ||||||||||||
| UCTB208-25 | 1-9/16 | ||||||||||||
| UCTB209 | 45 | 54 | 127 | 95.3 | 51 | 14 | 108 | 20 | 1/2-13UNC | 19 | 49.2 | 2.75 | |
| UCTB209-26 | 1-5/8 | ||||||||||||
| UCTB209-27 | 1-11/16 | ||||||||||||
| UCTB209-28 | 1-3/4 | ||||||||||||
| UCTB210 | 50 | 57.2 | 140 | 101.6 | 51 | 14 | 117 | 22 | 5/8-11UNC | 19 | 51.9 | 3.08 | |
| UCTB210-30 | 1-7/8 | ||||||||||||
| UCTB210-31 | 1-15/16 | ||||||||||||
| UCTB210-32 | 2 | ||||||||||||
| UCTB211 | 55 | 57.2 | 140 | 101.6 | 51 | 14 | 117.5 | 22 | 5/8-11UNC | 22.2 | 55.6 | 3.37 | |
| UCTB211-32 | 2 | ||||||||||||
| UCTB211-34 | 2-1/8 | ||||||||||||
| UCTB211-35 | 2-3/16 | ||||||||||||
0+
years
Industry Experience
0+
Model diversity
0+
Number of Employees
0
$
Annual export value
As quadruped robots, especially those designed to mimic wolves, continue to gain traction in robotics and artificial intelligence, the importance of choosing the right bearings cannot be overstated. B...
Introduction In the ever-evolving field of healthcare, the role of medical equipment bearings is crucial. These small yet essential components ensure that complex medical devices function smoothly, of...
Introduction When selecting bearings for rotating machinery, the performance of the bearing plays a crucial role in the overall efficiency and reliability of the system. Among various bearing types, Y...
Introduction In the world of manufacturing, precision is key. Every step of the production process must be executed with utmost accuracy to ensure high-quality end products. One essential component th...