Both the outer ring and inner ring of the CSD type feature an integrated (one-piece) structure. Its outer diameter is the same as that of the CSG type, while its strength is higher than CSG type components. It is mainly used in the output section of CSD series reducers.
The CSD type harmonic drive bearing is a specially designed component developed to meet the specific requirements of harmonic drive systems. With its integrated design for Compact Series Drive (CSD) harmonic reducers, it provides the essential support for their unique motion control capabilities.
Main Features:
·Compact Design: The load-bearing structure of the CSD type is designed to minimize size while maintaining maximum load capacity. This compact design is critical for space-constrained applications such as robotics and automation.
·High Torque Transmission: The bearing system in CSD high-speed planetary reducers is optimized for high torque transmission, ensuring efficient power transfer and precise motion control.
·Reduced Backlash: In harmonic drive systems, gear tooth clearance (backlash) directly affects motion accuracy. The CSD type bearing is designed to minimize backlash, thereby improving positioning accuracy.
·Precision Manufacturing: These bearings are manufactured using high-precision processes to meet extremely strict accuracy standards and performance requirements. This ensures the reliability and long service life of harmonic drive systems.
Applications:
·Robotics
·Aerospace
·Medical equipment
·Automation and other high-precision motion control systems

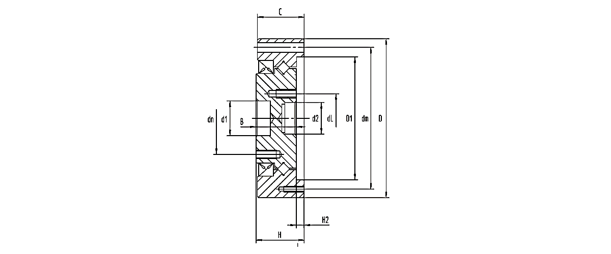
| LKPB Model Number | Overall Dimensions | Outer Ring Mounting Holes | Inner Ring Mounting Holes | Basic Load Rating |
Weights | |||||||||||||
| D1 | D2 | D | H | C | B | H2 | D1 | PCCD1 | N-W1 | N-W2 | PCD2 | N-N1 | PCD3 | N-N2 | CR | COR | KG | |
| Unit: Mm | Seal Reverse | Seal Front | Seal Reverse | KN | KN | |||||||||||||
| CSD-14 | 12 | 11 | 55 | 16.6 | 16.1 | 13.9 | 2.7 | 42.5 | 49 | 6-φ3.5 | 3-M2(depth5) | 25 | 10-M3(depth7) | 17 | 6-M3(depth7) | 4.7 | 6.7 | 0.24 |
| CSD-17 | 14 | 11 | 62 | 16.6 | 16.1 | 13.9 | 2.7 | 49.7 | 56 | 10- φ3.5 |
5-M2(depth5) | 27 | 8-M5(depth8) | 19.5 | 8-M4(depth8) | 5.3 | 7.5 | 0.3 |
| CSD-20 | 18 | 16 | 70 | 18.3 | 17.8 | 15.6 | 2.7 | 57 | 64 | 12- φ3.5 |
4-M2(depth5) | 34 | 8-M6(depth9) | 24 | 8-M4(depth8) | 5.8 | 9 | 0.42 |
| CSD-25 | 24 | 20 | 85 | 23.4 | 22.9 | 20 | 3.4 | 73 | 79 | 18- φ3.5 |
6-M2(depth5) | 42 | 8-M8(depth12) | 30 | 8-M5(depth9) | 9.6 | 15.1 | 0.8 |
| CSD-32 | 32 | 30 | 112 | 24.5 | 23.5 | 20.9 | 3.6 | 95.3 | 104 | 18- φ4.5 |
6-M3(depth7) | 57 | 10-M8(depth12) | 41 | 6-M6(depth11) | 15 | 25 | 1.4 |
| CSD-40 | 36 | 32 | 126 | 29.1 | 28.1 | 24.6 | 4.5 | 109.6 | 117.5 | 18- φ5.5 |
6-M3(depth8) | 72 | 10- M10(depth15) |
48 | 6-M8(depth11) | 21.3 | 36.5 | 2.1 |
| CSD-50 | 48 | 44 | 157 | 34 | 33 | 29.4 | 4.6 | 138 | 147 | 22- φ6.6 |
4-M3(depth8) | 88 | 10- M12(depth18) |
62 | 6-M10(depth18) | 34.8 | 60.2 | 3.8 |
0+
years
Industry Experience
0+
Model diversity
0+
Number of Employees
0
$
Annual export value
As quadruped robots, especially those designed to mimic wolves, continue to gain traction in robotics and artificial intelligence, the importance of choosing the right bearings cannot be overstated. B...
Introduction In the ever-evolving field of healthcare, the role of medical equipment bearings is crucial. These small yet essential components ensure that complex medical devices function smoothly, of...
Introduction When selecting bearings for rotating machinery, the performance of the bearing plays a crucial role in the overall efficiency and reliability of the system. Among various bearing types, Y...
Introduction In the world of manufacturing, precision is key. Every step of the production process must be executed with utmost accuracy to ensure high-quality end products. One essential component th...