YRTM rotary table bearing with angle measurement system: Angular displacement measurement plays a crucial role in industrial applications, especially in the machine tool industry, where high precision is required for the rotation angle of machined parts. This necessitates accurate measurement and control of angular displacement.
Currently, commonly used methods for angular displacement measurement include optical encoders and magnetic encoders. Furthermore, because it is mounted on an ORT bearing, this combined shaft offers extremely high rotational accuracy and can simultaneously withstand axial loads, radial loads, and overturning moments. It is highly suitable for high-precision CNC rotary tables, machining centers, and demanding applications such as scientific research and measurement in the machine tool industry.
Advantages of the steel grid measurement system:
1. Non-contact inductive encoder, wear-free
2. Accuracy comparable to optical encoders, with a maximum accuracy ≤2
3. Dual reading head measurement system allows for real-time correction of bearing radial deviations
4. High speed, high dynamic performance, high resolution
5. No magnetic components, no hysteresis response, no demagnetization hazard
6. Strong resistance to environmental interference, IP67 protection rating, withstands certain water pressure and dust, insensitive to any type of pollution or dirt.
7. Compact design solves the problem of limited installation space.
8. Can output sine wave (1VPP) or square wave signal (TTL), compatible with Siemens and FANUC CNC systems.
YRTM rotary table bearing features with angle measurement system:
1. Non-contact inductive encoder, wear-free;
2. Accuracy 1. High precision ≤2'' compared to optical encoders;
2. Dual-readhead measurement system allows for real-time correction of bearing radial deviation;
3. High speed, high dynamic performance, and high resolution;
4. No magnetic components, no magnetic tape reaction, and no demagnetization risk;
5. Strong resistance to environmental interference such as solid particles and oil, IP67 protection rating, withstands certain water pressure, dustproof, and insensitive to any type of pollution or dirt;
6. Compact design solves the problem of limited installation space;
7. Simple installation, fast adjustment, exceptionally high resistance to shock and vibration, good stability, and high reliability.
Applications:
The product is mainly used in high-precision CNC machine tools, machine tool spindles, radar, industrial robots, aerospace, and other fields.

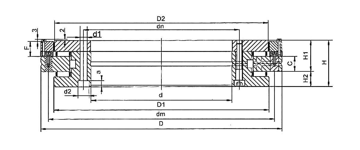
| Bearing type | Overall Dimension | The fixing holes | ||||||||||||||||
| d | D | H | H1 | H2 | C | D1 | D2 | F | L | dn | dm | Inner ring | Outside ring | |||||
| Unit: mm | d1 | d2 | a | QTY | d3 | QTY | ||||||||||||
| mm | mm | |||||||||||||||||
| YRTM150 | 150 | 240 | 43* | 29 * | 14 | 12 | 214 | 213.81 | 16.5 | 121 | 165 | 225 | 7 | 11 | 6.2 | 32 | 7 | 33 |
| YRTM180 | 180 | 280 | 46* | 32 * | 14 | 15 | 244 | 243.76 | 16.5 | 140 | 194 | 260 | 7 | 11 | 6.2 | 44 | 7 | 45 |
| YRTM200 | 200 | 300 | 47* | 32* | 15 | 15 | 274 | 273.05/274.42 | 16.5 | 152 | 215 | 285 | 7 | 11 | 6.2 | 44 | 7 | 45 |
| YRTM260 | 260 | 385 | 55 | 36.5 | 18.5 | 18 | 345 | 344.37/343.1 | 17.5 | 192.5 | 280 | 365 | 9.3 | 15 | 8.2 | 32 | 9.3 | 33 |
| YRTM325 | 325 | 450 | 60 | 40 | 20 | 20 | 415 | 413.76 | 18.5 | 225 | 342 | 430 | 9.3 | 15 | 8.2 | 32 | 9.3 | 33 |
| YRTM395 | 395 | 525 | 65 | 42.5 | 22.5 | 20 | 486 | 483.18 | 18.5 | 262.5 | 415 | 505 | 9.3 | 15 | 8.2 | 42 | 9.3 | 45 |
| YRTM460 | 460 | 600 | 70 | 46 | 24 | 22 | 560 | 557.03 | 18.5 | 300 | 482 | 580 | 10 | 15 | 8.2 | 42 | 10 | 45 |

| Screw connection QTY |
Axial radial run-out |
Connect screws holes |
Pitch t |
Tightening torque of screw |
Basic rated load | Limited spped |
Friction moment |
Weight | Bearing type | ||||
| Axial | Radial | ||||||||||||
| Dynamic | Static | Dynamic | Static | ||||||||||
| Ma | Ca | Coa | Cr | Cor | Grease Lubrication |
||||||||
| μm | G | QTY | QTY Xt | Nm | KN | r/min | Nm | ≈Kg | |||||
| 4 | 3 | M8 | 3 | 36×10° | 14 | 112 | 630 | 56 | 170 | 320 | 10 | 6.2 | YRTM150 |
| 4 | 4 | M8 | 3 | 48×7.5° | 14 | 118 | 710 | 69.5 | 200 | 280 | 12 | 7.7 | YRTM180 |
| 4 | 4 | M8 | 3 | 48×7.5° | 14 | 120 | 765 | 81.5 | 220 | 260 | 14 | 9.7 | YRTM200 |
| 4 | 6 | M12 | 3 | 36×10° | 34 | 160 | 1060 | 93 | 290 | 200 | 20 | 18.3 | YRTM260 |
| 4 | 6 | M12 | 3 | 36×10° | 34 | 275 | 1930 | 120 | 345 | 170 | 40 | 25 | YRTM325 |
| 6 | 6 | M12 | 3 | 48×7.5° | 34 | 300 | 2280 | 186 | 655 | 140 | 55 | 33 | YRTM395 |
| 6 | 6 | M12 | 3 | 48×7.5° | 34 | 355 | 2800 | 200 | 765 | 120 | 70 | 45 | YRTM460 |
0+
years
Industry Experience
0+
Model diversity
0+
Number of Employees
0
$
Annual export value
As quadruped robots, especially those designed to mimic wolves, continue to gain traction in robotics and artificial intelligence, the importance of choosing the right bearings cannot be overstated. B...
Introduction In the ever-evolving field of healthcare, the role of medical equipment bearings is crucial. These small yet essential components ensure that complex medical devices function smoothly, of...
Introduction When selecting bearings for rotating machinery, the performance of the bearing plays a crucial role in the overall efficiency and reliability of the system. Among various bearing types, Y...
Introduction In the world of manufacturing, precision is key. Every step of the production process must be executed with utmost accuracy to ensure high-quality end products. One essential component th...